Operation CHARM: Car repair manuals for everyone.
Manuals through 2025 now available!

Our trusted friends have launched a new website named LEMON, which has newer manuals. It also contains all the CHARM manuals.

LEMON is the spiritual successor to CHARM, I recommend you try it!

Link: lemon-manuals.la or lemon-manuals.org.ua

(Some people have issue connecting. LEMON is investigating. For now, use Firefox or change your DNS server)

Or, hide this message: temporarily or permanently

Antilock Brakes / Traction Control Systems




Antilock Brake System Schematics

Power, Ground, and Brake Pressure Modulator Valves





Master Electrical Component List
ABS Description and Operation
Control Module References
Wheel Speed Sensors
ABS MTR1, ABS MTR2, AIR PUMP, AIR SOL, AUX PWR, BATT 4, Radio Fuses, and PWR/WNDW Circuit Breaker
Data Communication Schematics
G112, G113 and G115
G202 and G204

Wheel Speed Sensors





Master Electrical Component List
ABS Description and Operation
Control Module References
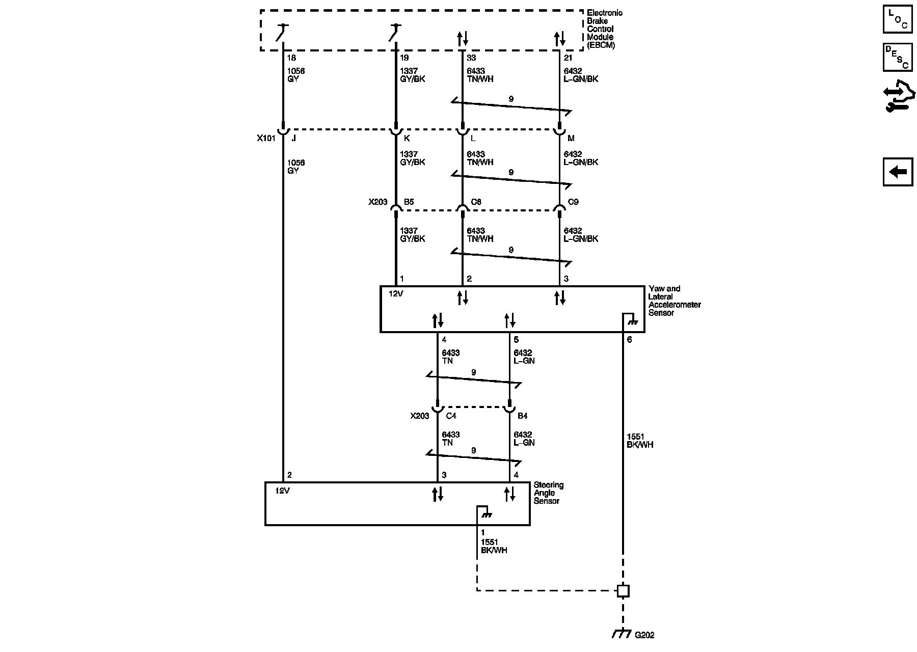
Steering Angle and Yaw and Lateral Accelerometer Sensors
Power, Ground, and Brake Pressure Modulator Valves

Steering Angle and Yaw and Lateral Accelerometer Sensors





Master Electrical Component List
ABS Description and Operation
Control Module References
Wheel Speed Sensors
Ground Distribution Schematics