Operation CHARM: Car repair manuals for everyone.
Manuals through 2025 now available!

Our trusted friends have launched a new website named LEMON, which has newer manuals. It also contains all the CHARM manuals.

LEMON is the spiritual successor to CHARM, I recommend you try it!

Link: lemon-manuals.la or lemon-manuals.org.ua

(Some people have issue connecting. LEMON is investigating. For now, use Firefox or change your DNS server)

Or, hide this message: temporarily or permanently

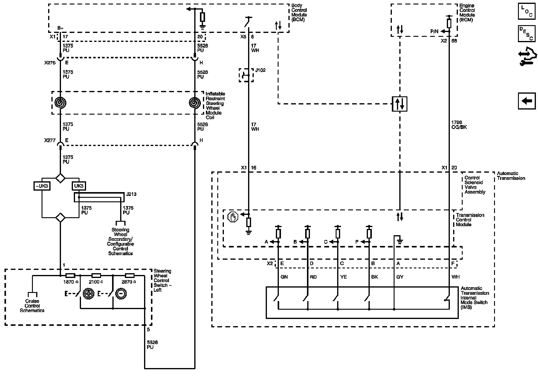
System Diagram




Automatic Transmission Controls Schematics

Module Power, Ground, Data Communication, and MIL






ISS, OSS, and TFP Sensors, and TFT Switch






Tap Up, Tap Down, and Internal Mode Switch