Operation CHARM: Car repair manuals for everyone.
Manuals through 2025 now available!

Our trusted friends have launched a new website named LEMON, which has newer manuals. It also contains all the CHARM manuals.

LEMON is the spiritual successor to CHARM, I recommend you try it!

Link: lemon-manuals.la or lemon-manuals.org.ua

(Some people have issue connecting. LEMON is investigating. For now, use Firefox or change your DNS server)

Or, hide this message: temporarily or permanently

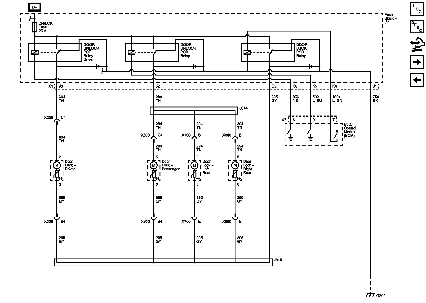
Door Lock/Indicator Schematics




Door Lock/Indicator Schematics

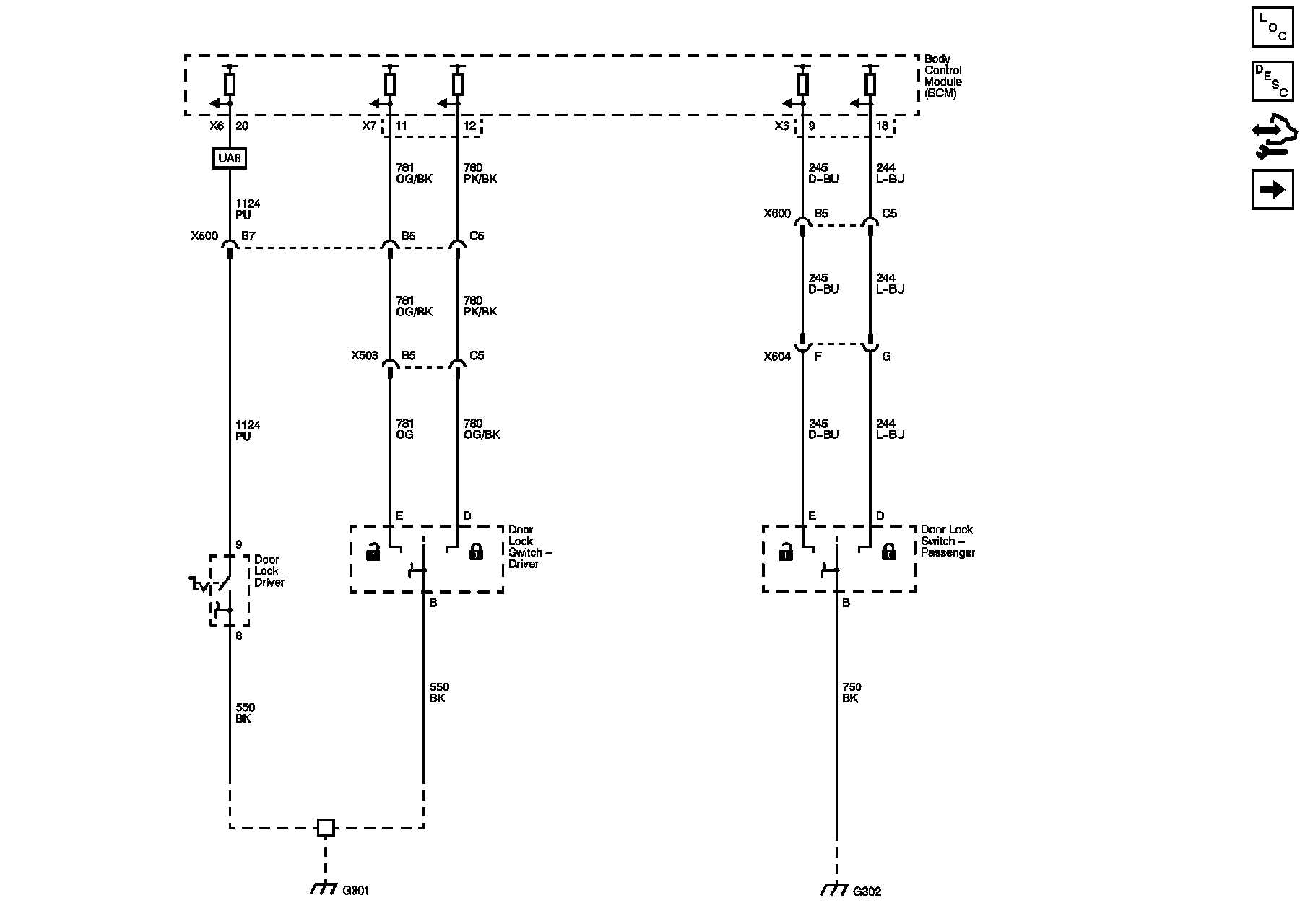
Door Lock Switches





Master Electrical Component List
Power Door Locks Description and Operation
Control Module References
Door Lock Actuators
G301
Ground Distribution Schematics

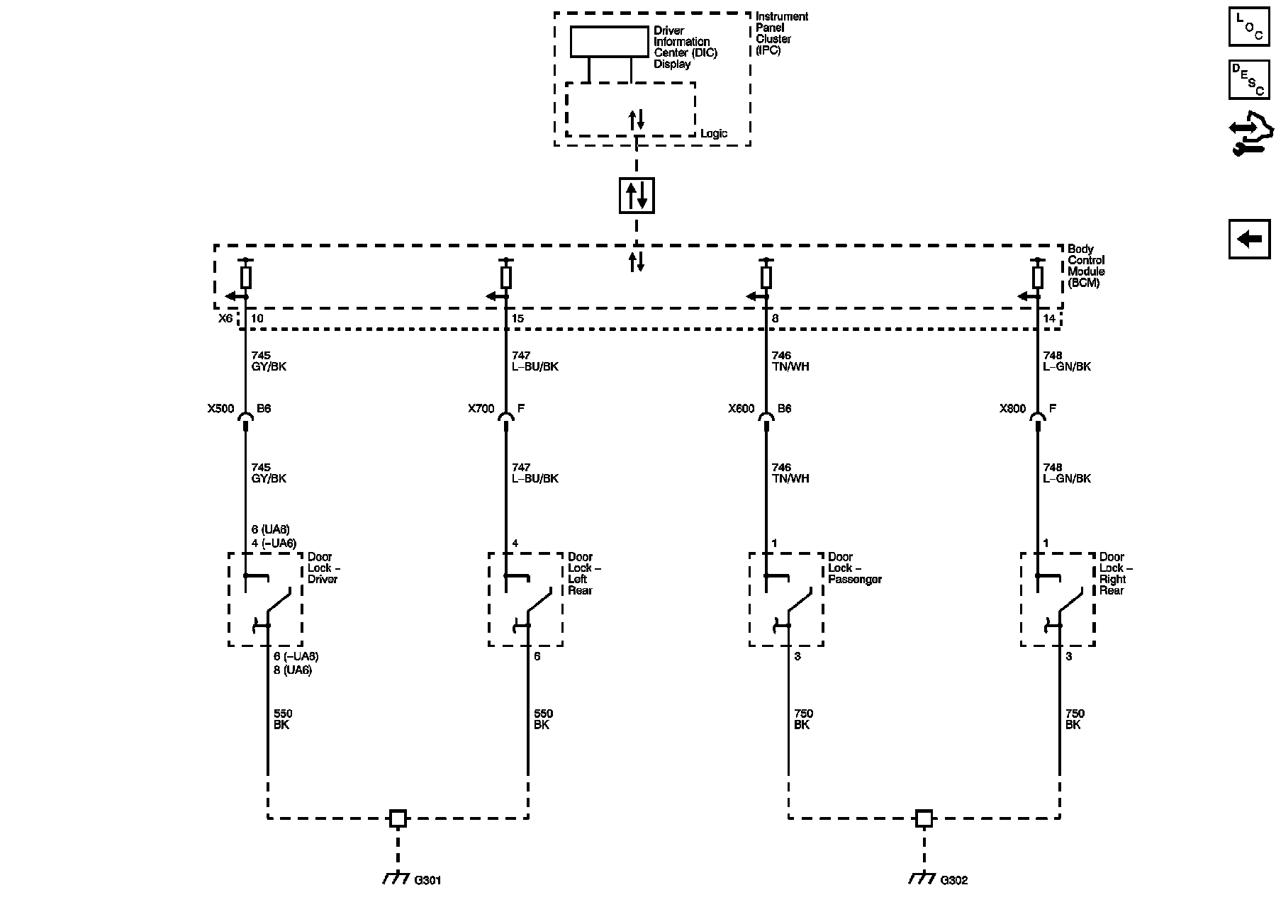
Door Lock Actuators





Master Electrical Component List
Power Door Locks Description and Operation
Control Module References
Door Ajar Indicators
Door Lock Switches
DR/LCK, RAP, S/ROOF Fuses
Ground Distribution Schematics

Door Ajar Indicators





Master Electrical Component List
Power Door Locks Description and Operation
Control Module References
Door Lock Actuators
Data Communication Schematics
G301
Ground Distribution Schematics