Operation CHARM: Car repair manuals for everyone.
Manuals through 2025 now available!

Our trusted friends have launched a new website named LEMON, which has newer manuals. It also contains all the CHARM manuals.

LEMON is the spiritual successor to CHARM, I recommend you try it!

Link: lemon-manuals.la or lemon-manuals.org.ua

(Some people have issue connecting. LEMON is investigating. For now, use Firefox or change your DNS server)

Or, hide this message: temporarily or permanently

System Diagram




Engine Controls Schematics

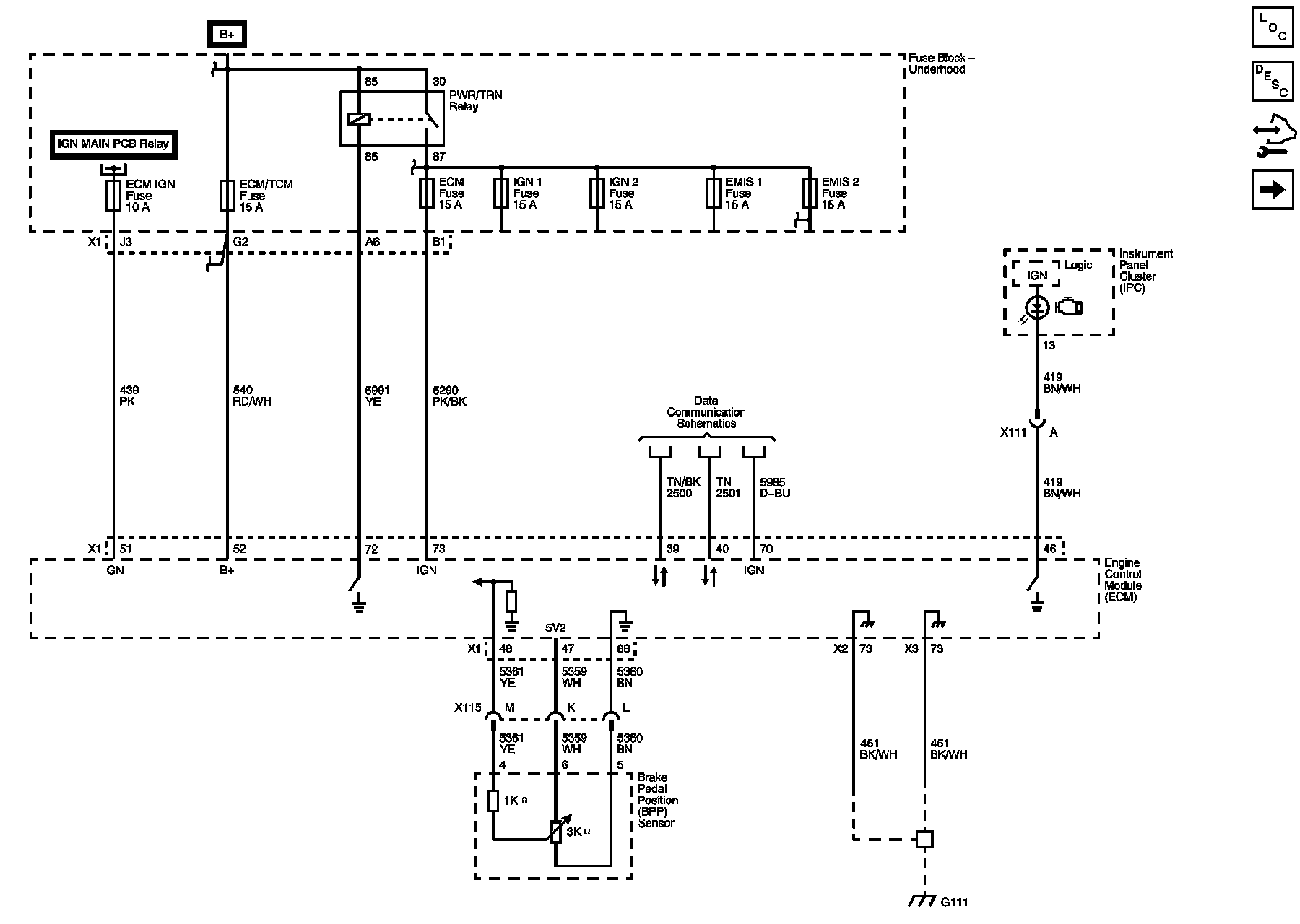
Module Power, Ground, Serial Data, Brake Pedal Position and MIL






5V1, and Low Reference Bus (1 of 2)





5V2, 5V3, and Low Reference Bus (2 of 2)






Engine Data Sensors - Pressure, Temperature, and Throttle Controls






Engine Data Sensors - Heated Oxygen Sensors






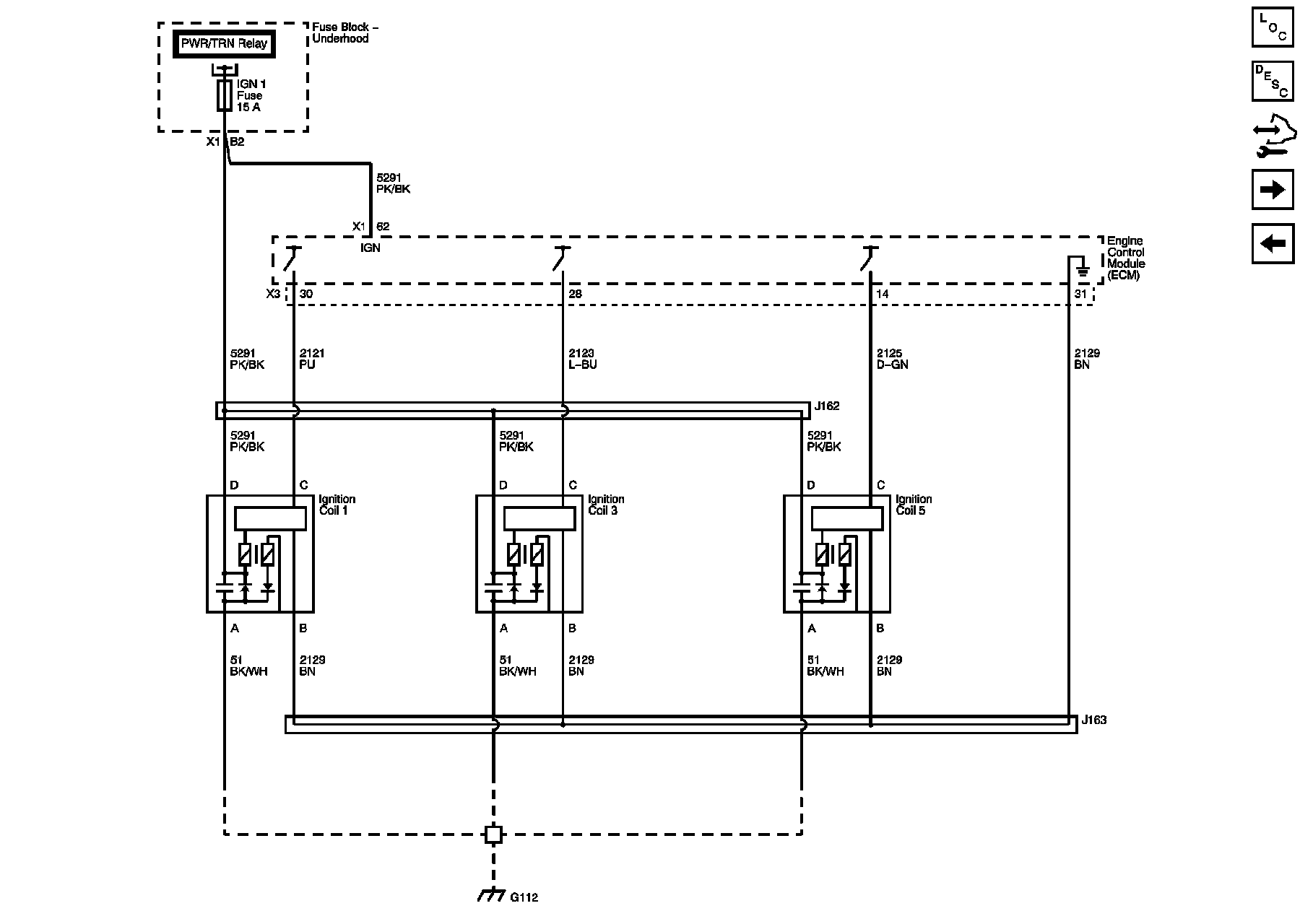
Ignition Controls - Ignition System Coils 1, 3, and 5






Ignition Controls - Ignition System Coils 2, 4, and 6






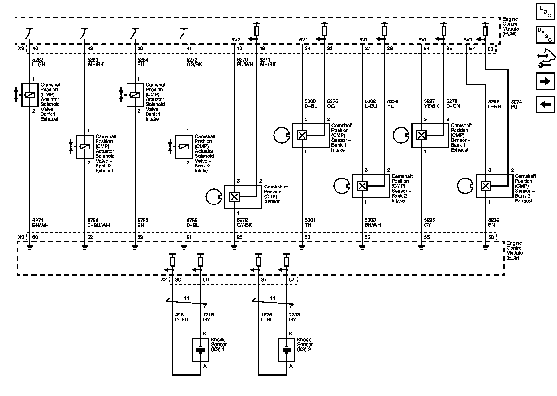
Ignition Controls - CKP, CMP, and Knock Sensors, CMP Actuators





Fuel Controls - Fuel Injectors, FRP Sensor, and High Pressure Fuel Pump






Fuel Controls - Fuel Pump Flow Control






Fuel Controls- EVAP Controls, Fuel Composition, and FTP Sensors






Secondar Air Injection- NU5 or NU6






Monitored/Controlled Subsystem References