Operation CHARM: Car repair manuals for everyone.
Manuals through 2025 now available!

Our trusted friends have launched a new website named LEMON, which has newer manuals. It also contains all the CHARM manuals.

LEMON is the spiritual successor to CHARM, I recommend you try it!

Link: lemon-manuals.la or lemon-manuals.org.ua

(Some people have issue connecting. LEMON is investigating. For now, use Firefox or change your DNS server)

Or, hide this message: temporarily or permanently

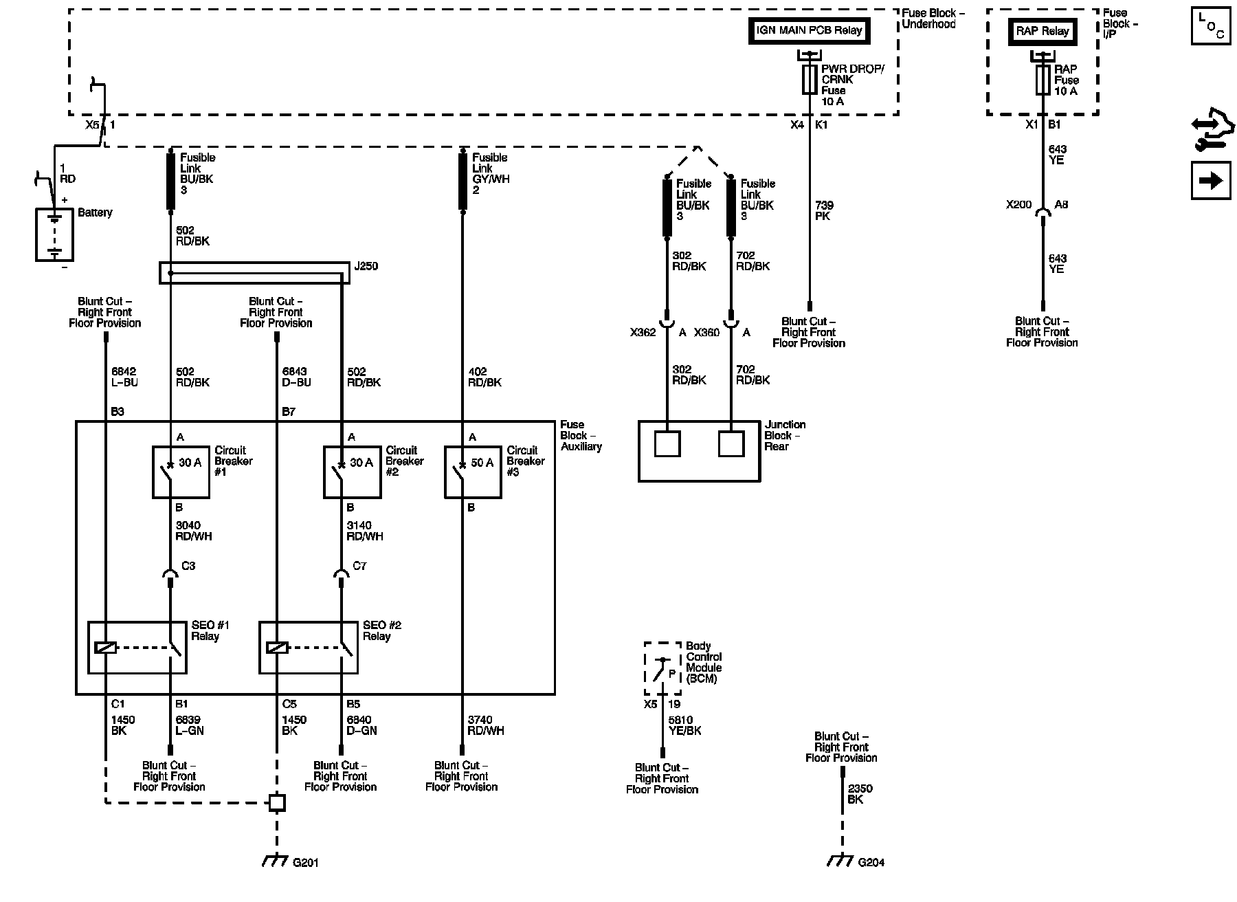
Upfitter Provision Schematics




Upfitter Provision Schematics

6J1





Master Electrical Component List
Control Module References
Electrical Center Identification Views

6J3, 6J6, 6F5, and 6C8





Master Electrical Component List
Control Module References
6J1