Operation CHARM: Car repair manuals for everyone.
Manuals through 2025 now available!

Our trusted friends have launched a new website named LEMON, which has newer manuals. It also contains all the CHARM manuals.

LEMON is the spiritual successor to CHARM, I recommend you try it!

Link: lemon-manuals.la or lemon-manuals.org.ua

(Some people have issue connecting. LEMON is investigating. For now, use Firefox or change your DNS server)

Or, hide this message: temporarily or permanently

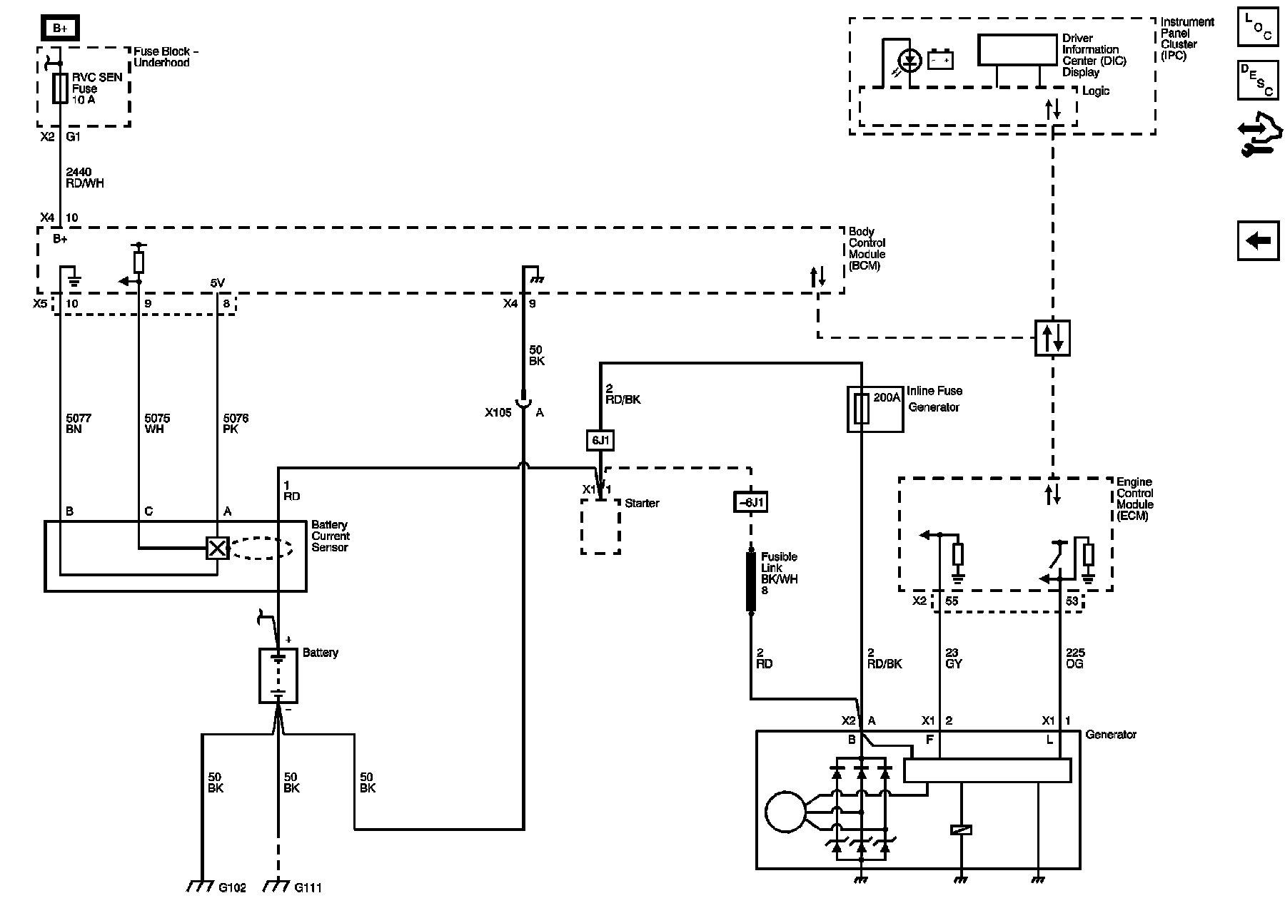
System Diagram




Starting and Charging Schematics

Starter





Master Electrical Component List
Starting System Description and Operation
Control Module References
Generator
AIRBAG/DISPLAY, ECM IGN, FUEL/PUMP, HORN, PWR DROP/CRNK, STRTR, and TRANS Fuses
Electrical Center Identification Views
Data Communication Schematics
G101, G102, and G111

Generator





Master Electrical Component List
Charging System Description and Operation
Control Module References
Starter
Fuse Block - Underhood Bussing
CHMSL/BCK-UP, ECM/TCM, INT LIGHTS, INT LTS/PNL DIM, LT T/SIG, ONSTAR, RT T/SIG, and RVC SEN Fuses
Data Communication Schematics
G101, G102, and G111