Operation CHARM: Car repair manuals for everyone.
Manuals through 2025 now available!

Our trusted friends have launched a new website named LEMON, which has newer manuals. It also contains all the CHARM manuals.

LEMON is the spiritual successor to CHARM, I recommend you try it!

Link: lemon-manuals.la or lemon-manuals.org.ua

(Some people have issue connecting. LEMON is investigating. For now, use Firefox or change your DNS server)

Or, hide this message: temporarily or permanently

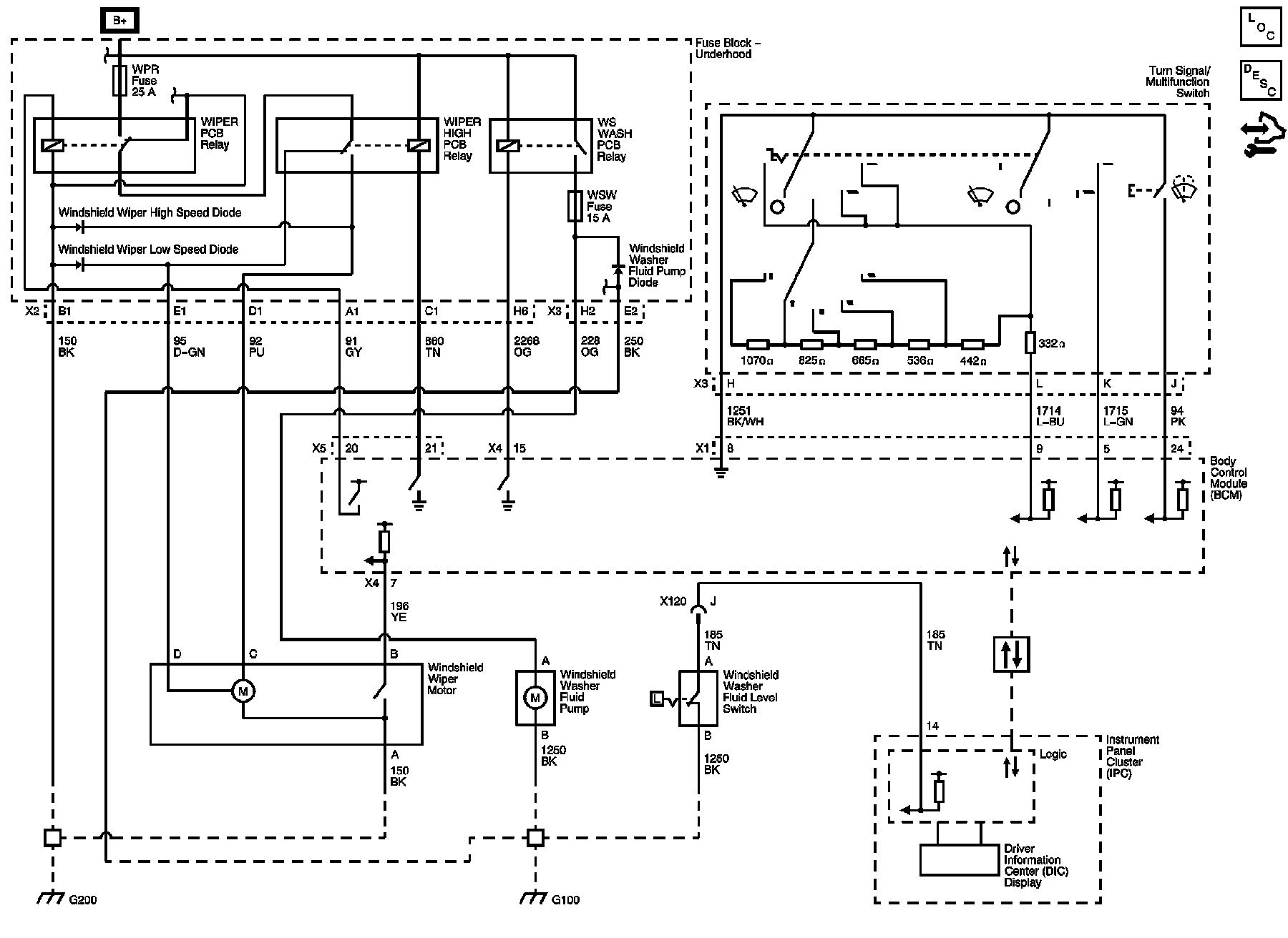
Electrical Diagrams




Wiper/Washer Schematics

Wiper/Washer





Master Electrical Component List
Wiper/Washer System Description and Operation
Control Module References
Fuse Block - Underhood Bussing
BATT 3, FOG LAMPS, HTD MIR, LT PARK, RT PARK, and WSW Fuses
Data Communication Schematics
G200
G100