Operation CHARM: Car repair manuals for everyone.
Manuals through 2025 now available!

Our trusted friends have launched a new website named LEMON, which has newer manuals. It also contains all the CHARM manuals.

LEMON is the spiritual successor to CHARM, I recommend you try it!

Link: lemon-manuals.la or lemon-manuals.org.ua

(Some people have issue connecting. LEMON is investigating. For now, use Firefox or change your DNS server)

Or, hide this message: temporarily or permanently

Drivetrain and Front Suspension Frame Removal and Installation




Drivetrain and Front Suspension Frame Removal and Installation

Special Tools

J 39580 - Engine Support Stand

Removal Procedure

1. Install the engine support fixture. Refer to Engine Support Fixture .
2. Support the radiator and condenser from above using the condenser tabs on each side.
3. Raise the vehicle on a hoist. Refer to Lifting and Jacking the Vehicle .
4. Remove the tire and wheel assemblies. Refer to Tire and Wheel Removal and Installation .
5. Remove the front fender liner. Refer to Front Wheelhouse Panel Splash Shield Replacement Front Wheelhouse Panel Splash Shield Replacement.
6. LE5 only, remove the front catalytic converter. Refer to Catalytic Converter Replacement (LE5 or LE9 With MH8) Catalytic Converter Replacement (LAT or LE5) .
7. Remove the engine splash shields. Refer to Engine Splash Shield Replacement - Left Side Engine Splash Shield Replacement - Left Side and Engine Splash Shield Replacement - Right Side Engine Splash Shield Replacement - Right Side.




8. Remove the lower ball joints from the steering knuckles. Refer to Lower Control Arm Replacement .
9. Remove the tie rod ends from the steering knuckles.




10. Remove both stabilizer links from the stabilizer bar. Refer to Stabilizer Shaft Link Replacement .
11. Separate the steering gear from the intermediate shaft. Refer to Intermediate Steering Shaft Replacement .




12. Remove the front transmission mount bolt from the frame. Refer to Transmission Front Mount Replacement .
13. Remove the rear transmission mount bracket fasteners from the frame. Refer to Transmission Rear Mount Replacement .




14. Lower the vehicle until the frame contacts the J 39580 - stand.




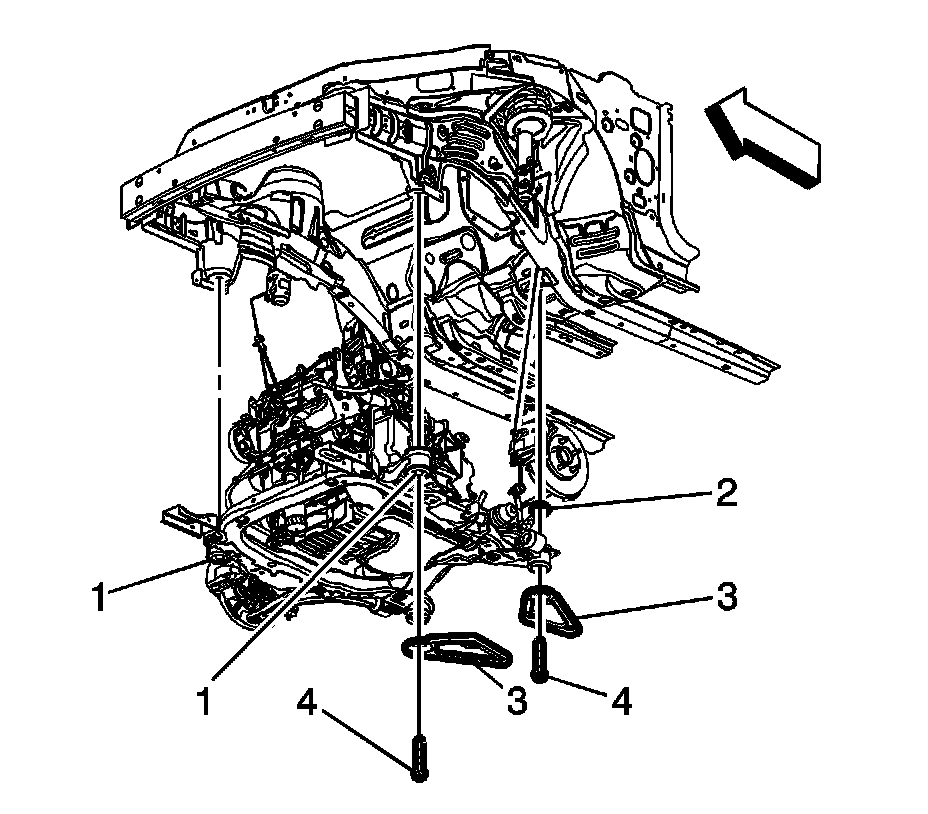
15. Remove the reinforcement bolts (1).




16. Remove the front frame bolts (1).
17. Remove the rear frame bolts (4).
18. Remove the frame reinforcements (3).
19. Raise the vehicle off of the frame.

Installation Procedure




1. Align the frame to the body by inserting two 19X203 mm (0.74X8.0 in) pins in the alignment holes (2) on the rear of the frame.
2. Lower the vehicle on to the frame.
3. Install the frame reinforcements (3).
4. Install the front frame bolts. Hand tighten ONLY.
5. Install the reinforcement bolts. Hand tighten ONLY.

Caution: Refer to Fastener Caution .

6. Install the rear frame bolts (4) and tighten to 100 Nm (74 lb ft) plus 90 degrees rotation.
7. Tighten the front frame bolts (1) and tighten to 100 Nm (74 lb ft) plus 90 degrees rotation.




8. Install the reinforcement bolts (1) and tighten to 100 Nm (74 lb ft).
9. Raise the vehicle.
10. Install the rear transmission mount bracket fasteners. Refer to Transmission Rear Mount Replacement .




11. Install the front transmission mount bracket bolt. Refer to Transmission Front Mount Replacement .
12. Install the power steering gear mounting bolts. Refer to Steering Gear Replacement (Electronic Power Steering) Steering Gear Replacement (Hydraulic Power Steering LY7) .
13. Connect the steering gear to the intermediate shaft. Refer to Intermediate Steering Shaft Replacement .




14. Install both stabilizer links to the stabilizer bar. Tighten the stabilizer link nut to 65 Nm (48 lb ft).
15. Install the tie rod ends to the steering knuckles.




16. Install the lower ball joints to the steering knuckles.

1. Tighten the ball stud to steering knuckle pinch nut to 50 Nm (37 lb ft).
2. Reverse the nut 3/4 of a turn.
3. Tighten to 50 Nm (37 lb ft) plus 60 degrees.

17. Install the front fender liner. Refer to Front Wheelhouse Panel Splash Shield Replacement Front Wheelhouse Panel Splash Shield Replacement.
18. Install the engine splash shields. Refer to Engine Splash Shield Replacement - Left Side Engine Splash Shield Replacement - Left Side and Engine Splash Shield Replacement - Right Side Engine Splash Shield Replacement - Right Side.
19. Install the tire and wheel assemblies. Refer to Tire and Wheel Removal and Installation .
20. LE5 only, install the front catalytic converter. Refer to Catalytic Converter Replacement (LE5 or LE9 With MH8) Catalytic Converter Replacement (LAT or LE5) .
21. Remove the engine support fixture.