Operation CHARM: Car repair manuals for everyone.
Manuals through 2025 now available!

Our trusted friends have launched a new website named LEMON, which has newer manuals. It also contains all the CHARM manuals.

LEMON is the spiritual successor to CHARM, I recommend you try it!

Link: lemon-manuals.la or lemon-manuals.org.ua

(Some people have issue connecting. LEMON is investigating. For now, use Firefox or change your DNS server)

Or, hide this message: temporarily or permanently

Shift Solenoid: Service and Repair




Control Solenoid Valve and Transmission Control Module Assembly Replacement

Removal Procedure

1. Remove the transmission control valve body cover. Refer to Control Valve Body Cover Replacement Control Valve Body Cover Replacement.




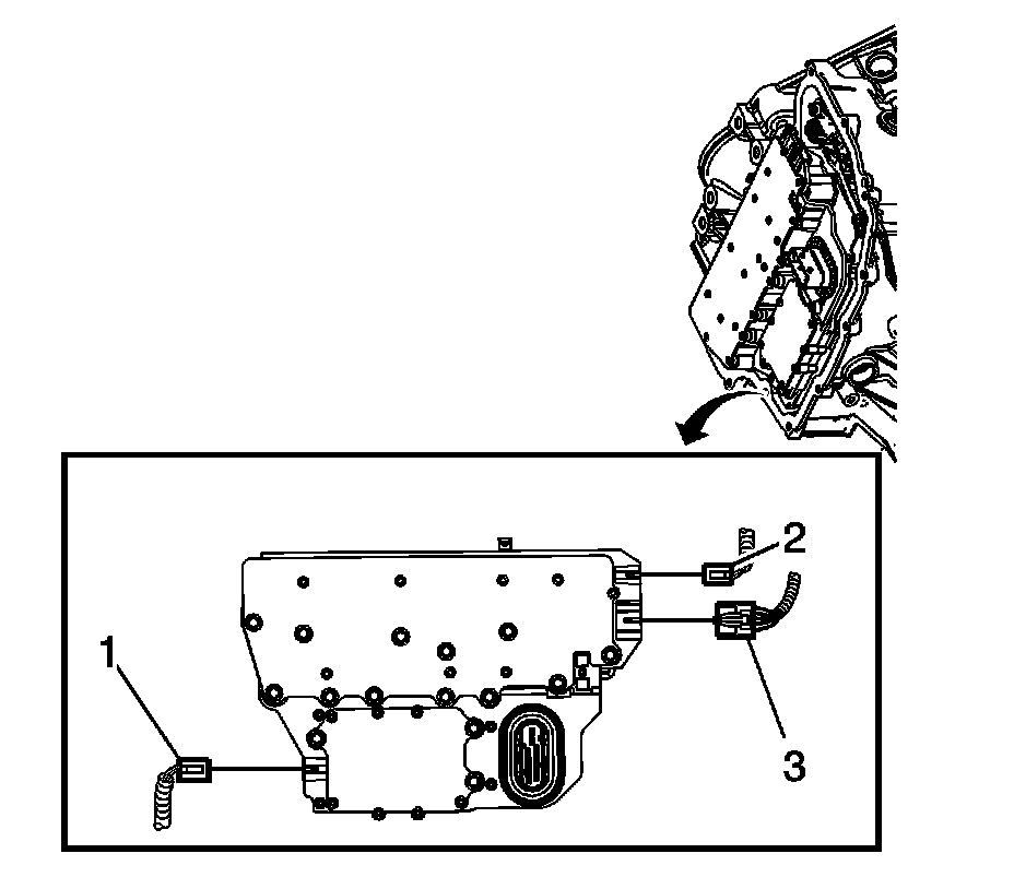
2. Disconnect the input speed sensor electrical connector (1).

3. Disconnect the output speed sensor electrical connector (2).

4. Disconnect the shift position switch electrical connector (3).




5. Remove the 3 control solenoid valve assembly bolts (1) M5 x 40.5.

6. Remove the 12 control solenoid valve assembly bolts (2) M6 x 97.

7. Remove the control solenoid valve assembly with transmission control module (3).

Caution:
Use care when removing or installing the filter plate assembly. A broken or missing retaining tab may not adequately secure the filter plate to the control solenoid valve assembly, resulting in possible damage or contamination.

8. Remove the control solenoid valve assembly filter plate (4). Discard the filter plate. It is not reusable.

9. Inspect the pressure switch seals for damage or contamination. Replace the control solenoid valve assembly as necessary.

10. Inspect the channel plate bolt pass through holes for damage or burnelling. Any damage could cause leaking. Replace as necessary.

Installation Procedure





Caution:
Use care when removing or installing the filter plate assembly. A broken or missing retaining tab may not adequately secure the filter plate to the control solenoid valve assembly, resulting in possible damage or contamination.

1. Install a NEW control solenoid valve assembly filter plate (4) to prevent fluid leaks past the fluid seals.

2. Install the control solenoid valve assembly with transmission control module (3).

3. Hand start the control valve body bolts (1, 2).





Caution: Refer to Fastener Caution Fastener Caution.

4. Secure the 12 control solenoid valve assembly bolts (2) M6 x 97 and tighten in sequence to 10 Nm (89 lb in).

5. Secure the 3 control valve body bolts (1) M5 x 40.5 and tighten in sequence to 7 Nm (62 lb in).




6. Connect the input speed sensor electrical connector (1).

7. Connect the output speed sensor electrical connector (2).

8. Connect the shift position switch electrical connector (3).

9. Install the transmission control valve body cover. Refer to Control Valve Body Cover Replacement Control Valve Body Cover Replacement.

10. If a NEW TCM has been installed into the vehicle, the NEW module needs to be reprogrammed. Refer to Service Programming System (SPS) Service Programming System (SPS).

Note: The Transmission Adaptive Values Learn procedure must be performed when one of the following repairs have been made to the vehicle. Failure to perform the procedure after one of the following repairs may result in poor transmission performance, as well as transmission DTCs being set:

* Transmission internal service/overhaul

* Valve body repair or replacement

* Control solenoid valve assembly replacement

* TCM software/calibration update

* Any service in response to a shift quality concern

11. Perform the Transmission Adaptive Values Learn procedure. Refer to Transmission Adaptive Values Learn Transmission Adaptive Values Learn.