Operation CHARM: Car repair manuals for everyone.
Manuals through 2025 now available!

Our trusted friends have launched a new website named LEMON, which has newer manuals. It also contains all the CHARM manuals.

LEMON is the spiritual successor to CHARM, I recommend you try it!

Link: lemon-manuals.la or lemon-manuals.org.ua

(Some people have issue connecting. LEMON is investigating. For now, use Firefox or change your DNS server)

Or, hide this message: temporarily or permanently

Intake Manifold Replacement




Intake Manifold Replacement

Removal Procedure

1. Remove the intake manifold insulator. Refer to Intake Manifold Insulator Replacement Intake Manifold Insulator Replacement.

2. Remove the manifold absolute pressure sensor from the intake manifold. Refer to Manifold Absolute Pressure Sensor Replacement Service and Repair.

3. Remove the fuel pump cover only from the fuel pump. Refer to Fuel Pump Replacement Fuel Pump Replacement.




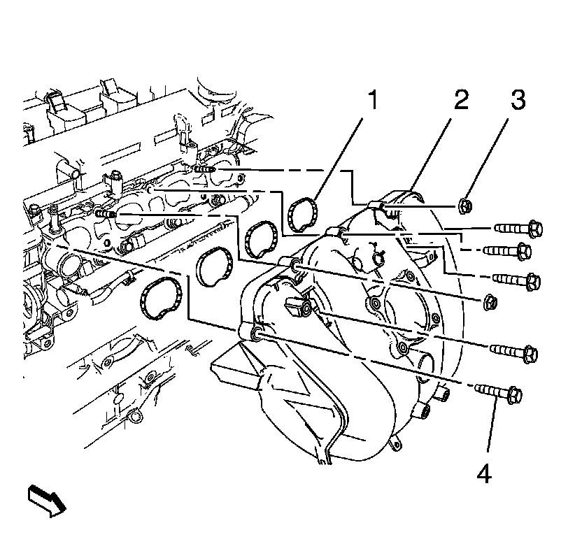
4. Remove the 2 intake manifold nuts (3) and the 5 intake manifold bolts (4).

5. Remove the intake manifold (2) and the 4 intake manifold gaskets (1).

Installation Procedure




1. Install the intake manifold (2) and the 4 NEW intake manifold gaskets (1).

2. Install the 2 intake manifold nuts (4) and the 5 intake manifold bolts (4) to the intake manifold (2).





Caution: Refer to Fastener Caution Fastener Caution.

3. Tighten the intake manifold nuts and the intake manifold bolts in sequence as shown to 10 Nm (89 lb in).

4. Install the fuel pump cover only to the fuel pump. Refer to Fuel Pump Replacement Fuel Pump Replacement.

5. Install the manifold absolute pressure sensor. Refer to Manifold Absolute Pressure Sensor Replacement Service and Repair.

6. Install the intake manifold insulator. Refer to Intake Manifold Insulator Replacement Intake Manifold Insulator Replacement.