Operation CHARM: Car repair manuals for everyone.
Manuals through 2025 now available!

Our trusted friends have launched a new website named LEMON, which has newer manuals. It also contains all the CHARM manuals.

LEMON is the spiritual successor to CHARM, I recommend you try it!

Link: lemon-manuals.la or lemon-manuals.org.ua

(Some people have issue connecting. LEMON is investigating. For now, use Firefox or change your DNS server)

Or, hide this message: temporarily or permanently

Front Compartment Fuse Block Replacement




Front Compartment Fuse Block Replacement

Removal Procedure

1. Disconnect battery negative cable. Refer to Battery Negative Cable Disconnection and Connection Battery Negative Cable Disconnection and Connection

2. Remove the front compartment fuse block cover. Refer to Front Compartment Fuse Block Cover Replacement Front Compartment Fuse Block Cover Replacement





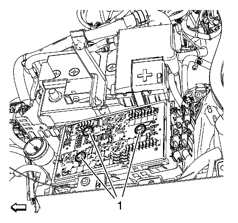
3. Open the front compartment fuse block housing cover (1) and remove the 3 power steering wiring harness nut (2).





Note:
Bolts (1) are encapsulated on the end of threads so that they can not be removed from the fuse block.

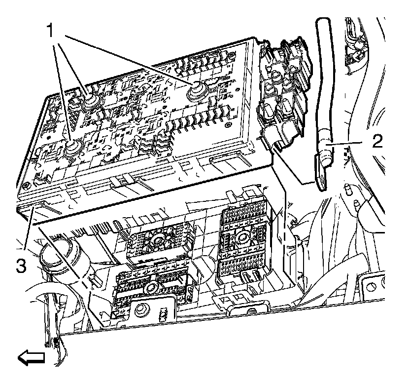
4. Remove the 3 front compartment fuse block bolt (1) and the front compartment fuse block wiring harness supply (2).

5. Unlock retaining tabs and remove the front compartment fuse block (3).

Installation Procedure





1. Push down the the 3 electrical connectors (3) before installation of the front compartment fuse block (2).

Caution:
Refer to Fastener Caution Fastener Caution

2. Install front compartment fuse block wiring harness supply (1) and tighten to 12 Nm (106 lb in).





3. Install 3 front compartment fuse block bolt (1) and tighten to 7.2 Nm (64 lb in).





4. Install the 3 power steering wiring harness nut (2) and tighten to 4.7 Nm (42 lb in).

5. Close the front compartment fuse block housing cover (1)

6. Install the front compartment fuse block cover. Refer to Front Compartment Fuse Block Cover Replacement Front Compartment Fuse Block Cover Replacement

7. Connect battery negative cable. Refer to Battery Negative Cable Disconnection and Connection Battery Negative Cable Disconnection and Connection