Operation CHARM: Car repair manuals for everyone.
Manuals through 2025 now available!

Our trusted friends have launched a new website named LEMON, which has newer manuals. It also contains all the CHARM manuals.

LEMON is the spiritual successor to CHARM, I recommend you try it!

Link: lemon-manuals.la or lemon-manuals.org.ua

(Some people have issue connecting. LEMON is investigating. For now, use Firefox or change your DNS server)

Or, hide this message: temporarily or permanently

Starter Motor: Service and Repair




Starter Replacement

Removal Procedure

1. Disconnect the negative battery cable. Refer to Battery Negative Cable Disconnection and Connection Battery Negative Cable Disconnection and Connection.
2. Raise and support the vehicle. Refer to Lifting and Jacking the Vehicle Service and Repair.
3. Remove the oil pan skid plate if equipped. Refer to Oil Pan Skid Plate Replacement (2500/3500 with RPO NZZ) Oil Pan Skid Plate Replacement (1500 with RPO NZZ) .




4. Remove the transmission cover bolt.




5. Remove the starter bolts.




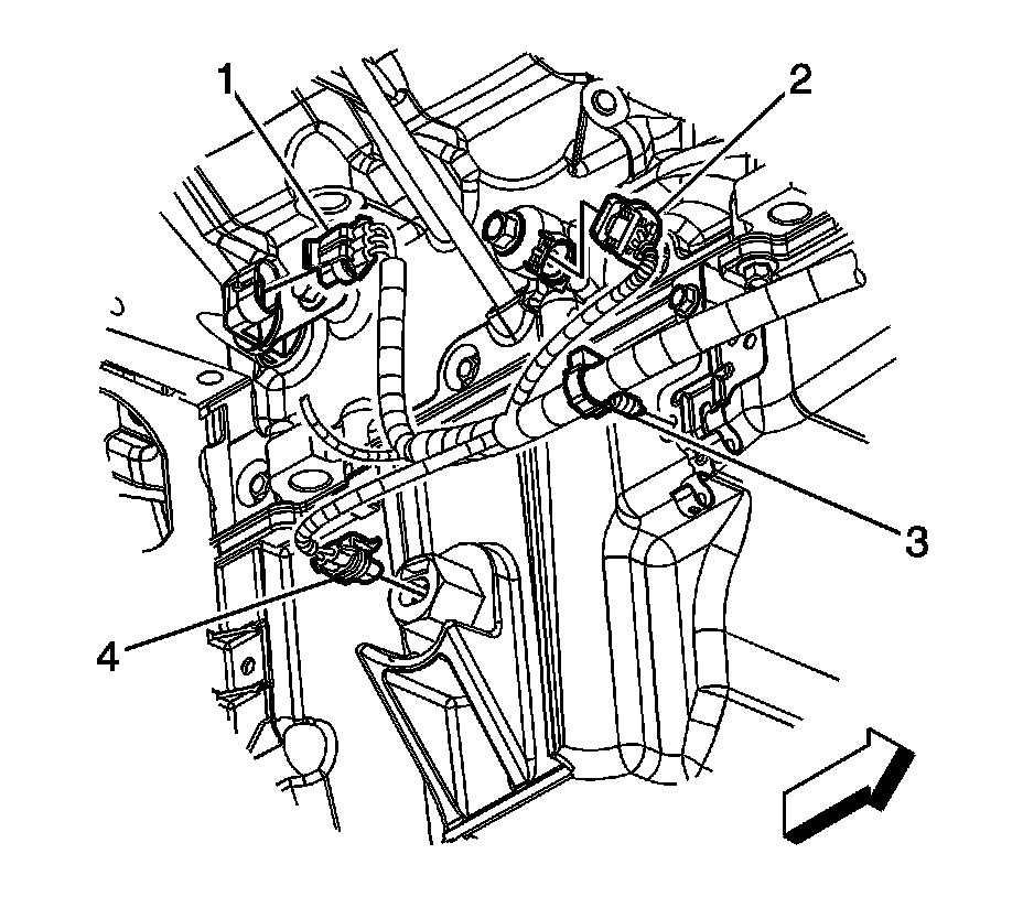
6. Disconnect the engine wiring harness electrical connector (4) from the oil level sensor.

Caution: Avoid cable and wiring damage. DO NOT suspend the starter by the cables or wires attached to the solenoid terminals. Use a rope or mechanics wire to suspend the starter.

7. Slide the starter forward until the starter clears the transmission and properly support the starter.
8. Lower the vehicle half way.
9. Remove the right front wheel and tire. Refer to Tire and Wheel Removal and Installation Service and Repair.




10. Working through the right wheel well opening, remove the engine wiring harness lead nut (1).
11. Remove the engine wiring harness lead terminal (2) from the starter.




12. Remove the starter solenoid cable clip bolt (2) from the frame.




13. Remove the starter solenoid cable nut (1).
14. Remove the starter solenoid cable (2) from the starter.
15. Remove the starter through the wheel well opening.




16. If replacing the starter, unsnap the transmission cover from the starter.




17. If replacing the starter, remove the starter heat shield.

Installation Procedure




1. If the starter was replaced, install the starter heat shield.




2. If the starter was replaced, snap the transmission cover onto the starter.




3. Install the starter through the wheel well opening.
4. Install the starter solenoid cable to the starter.

Caution: Refer to Fastener Caution Fastener Caution.

5. Install the starter solenoid cable nut (1).

Tighten the cable nut to 9 Nm (80 lb in).




6. Position the starter solenoid cable clip to the frame and install the starter solenoid cable clip bolt (2).

Tighten the clip bolt to 10 Nm (89 lb in).




7. Install the engine wiring harness lead terminal (2) to the starter.
8. Install the engine wiring harness lead nut (3).

Tighten the lead nut to 3.4 Nm (30 lb in).




9. Position the starter into place.
10. Install the starter bolts.

Tighten the starter bolts to 50 Nm (37 lb ft).

11. Install the right front wheel and tire. Refer to Tire and Wheel Removal and Installation Service and Repair.
12. Raise the vehicle.




13. Connect the engine wiring harness electrical connector (4) to the oil level sensor.




14. Install the transmission cover bolt.

Tighten the cover bolt to 9 Nm (80 lb in).

15. Install the oil pan skid plate if equipped, Refer to Oil Pan Skid Plate Replacement (2500/3500 with RPO NZZ) Oil Pan Skid Plate Replacement (1500 with RPO NZZ) .
16. Connect the negative battery cable. Refer to Battery Negative Cable Disconnection and Connection Battery Negative Cable Disconnection and Connection.