Operation CHARM: Car repair manuals for everyone.
Manuals through 2025 now available!

Our trusted friends have launched a new website named LEMON, which has newer manuals. It also contains all the CHARM manuals.

LEMON is the spiritual successor to CHARM, I recommend you try it!

Link: lemon-manuals.la or lemon-manuals.org.ua

(Some people have issue connecting. LEMON is investigating. For now, use Firefox or change your DNS server)

Or, hide this message: temporarily or permanently

Center Link: Service and Repair




Relay Rod Replacement

Special Tools

J 24319-B - Steering Linkage and Tie Rod Puller

Removal Procedure

1. Remove the engine shield, if equipped. Refer to Engine Shield Replacement .
2. Remove the steering linkage shock absorber from the relay rod, if equipped. Refer to Steering Linkage Shock Absorber Replacement Service and Repair.
3. Remove the steering linkage outer tie rods. Refer to Steering Linkage Outer Tie Rod Replacement Steering Linkage Outer Tie Rod Replacement.




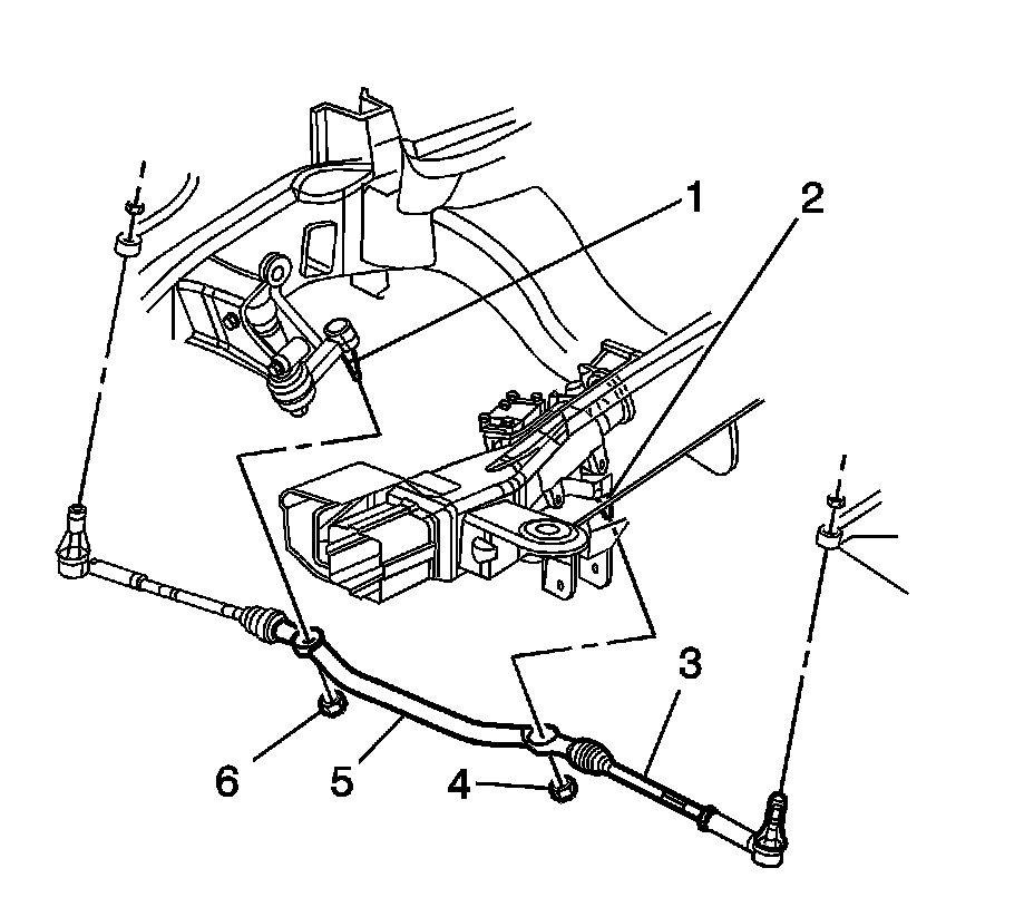
4. Remove the idler arm nut (6).
Discard the nut.
5. Separate the idler arm (1) from the relay rod (5) using the J 24319-B - Puller.
6. Remove the pitman arm nut (4).
Discard the nut.
7. Separate the pitman arm (2) from the relay rod using the J 24319-B - Puller.
8. Remove the relay rod from the vehicle.
9. Inspect the threads and seals on all steering related components. Repair or replace the components as necessary.

Installation Procedure




1. Position the relay rod (5) in the vehicle.
2. Install the pitman arm (2) to the relay rod (5).
3. Install the idler arm (1) to the relay rod.

Caution: Refer to Fastener Caution Fastener Caution.

4. Install a NEW pitman arm nut (4) and tighten to 62 Nm (46 lb ft).
5. Install a NEW idler arm nut (6) and tighten to 62 Nm (46 lb ft).
6. Install the steering linkage outer tie rods. Refer to Steering Linkage Outer Tie Rod Replacement Steering Linkage Outer Tie Rod Replacement.
7. Install the steering linkage shock absorber to the relay rod, if equipped. Refer to Steering Linkage Shock Absorber Replacement Service and Repair.
8. Install the engine shield, if equipped. Refer to Engine Shield Replacement .
9. Measure the wheel alignment. Refer to Wheel Alignment Measurement Wheel Alignment Measurement.
10. Adjust the front toe. Refer to Wheel Alignment - Steering Wheel Angle and/or Front Toe Adjustment Wheel Alignment - Steering Wheel Angle and/or Front Toe Adjustment.