Operation CHARM: Car repair manuals for everyone.
Manuals through 2025 now available!

Our trusted friends have launched a new website named LEMON, which has newer manuals. It also contains all the CHARM manuals.

LEMON is the spiritual successor to CHARM, I recommend you try it!

Link: lemon-manuals.la or lemon-manuals.org.ua

(Some people have issue connecting. LEMON is investigating. For now, use Firefox or change your DNS server)

Or, hide this message: temporarily or permanently

System Diagram




Engine Controls Schematics

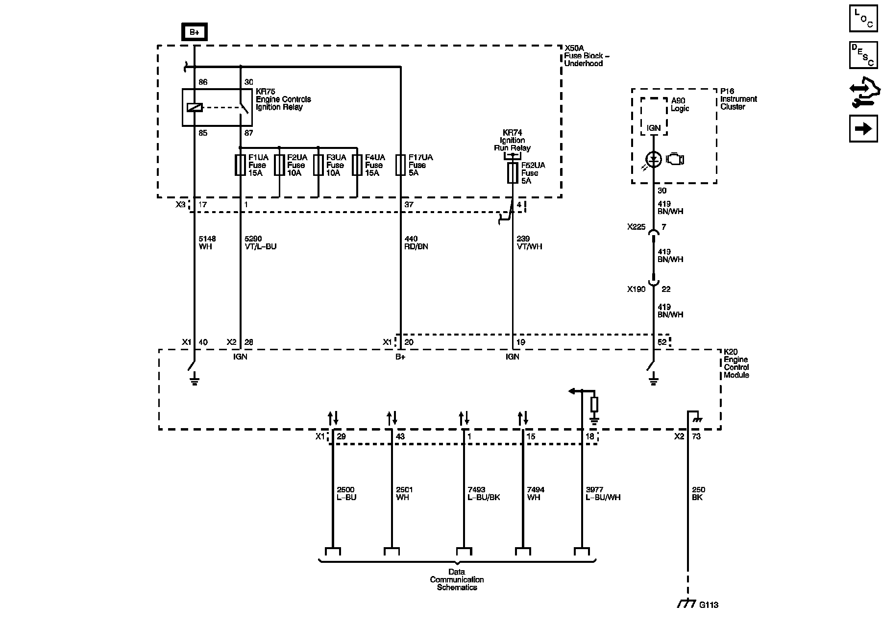
Power, Ground, MIL and Data Communication





5-Volt and Low Reference Busses





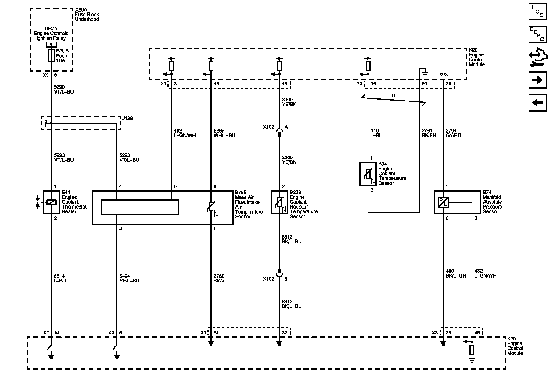
Engine Data Sensors - Pressure and Temperature





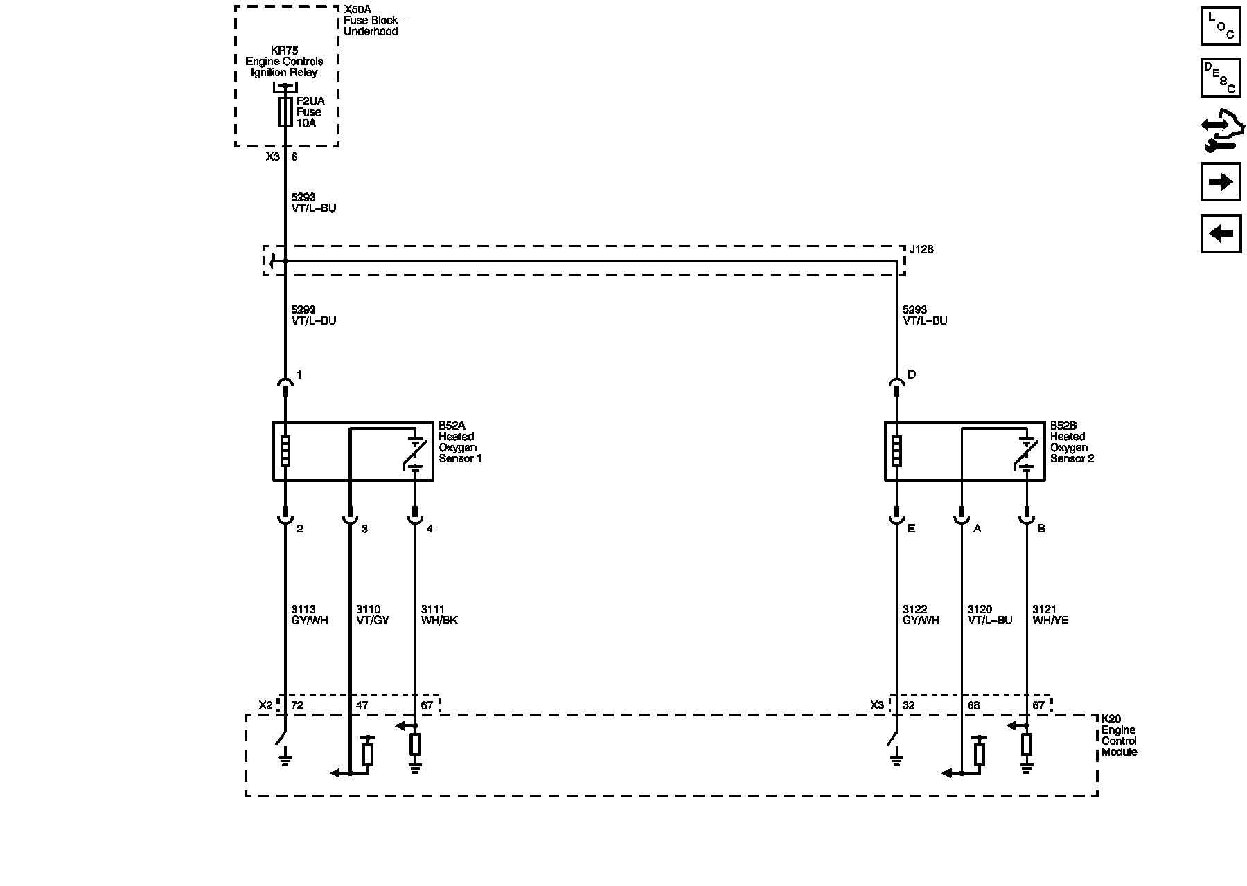
Engine Data Sensors - Oxygen Sensors





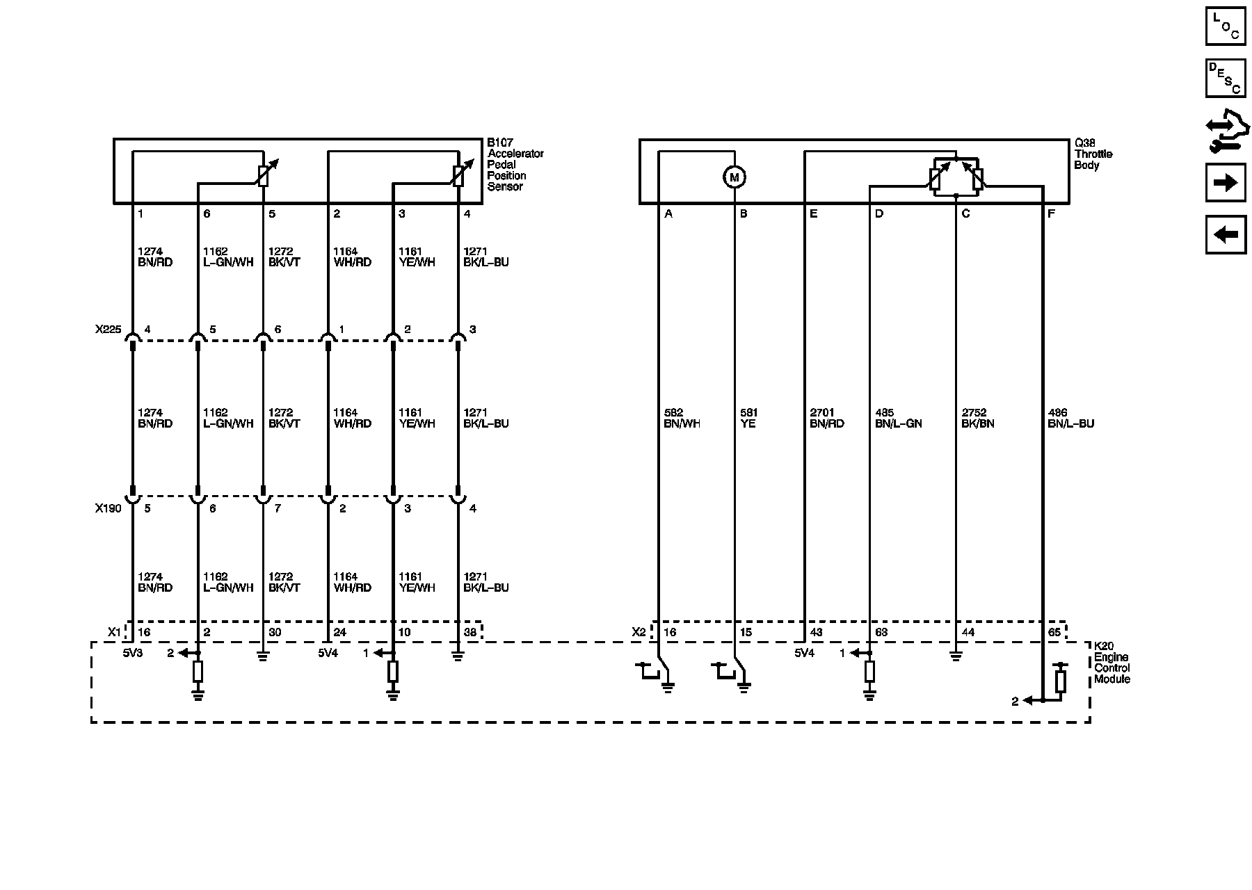
Engine Data Sensors - Throttle Controls





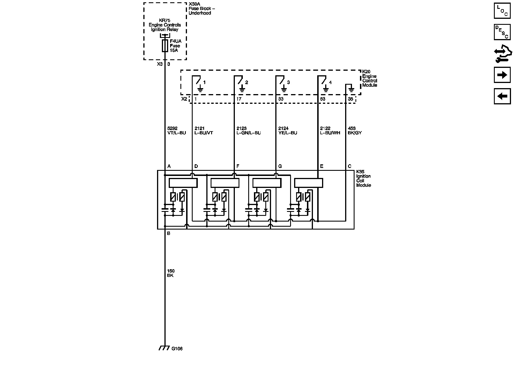
Ignition Controls - Ignition Coil Module





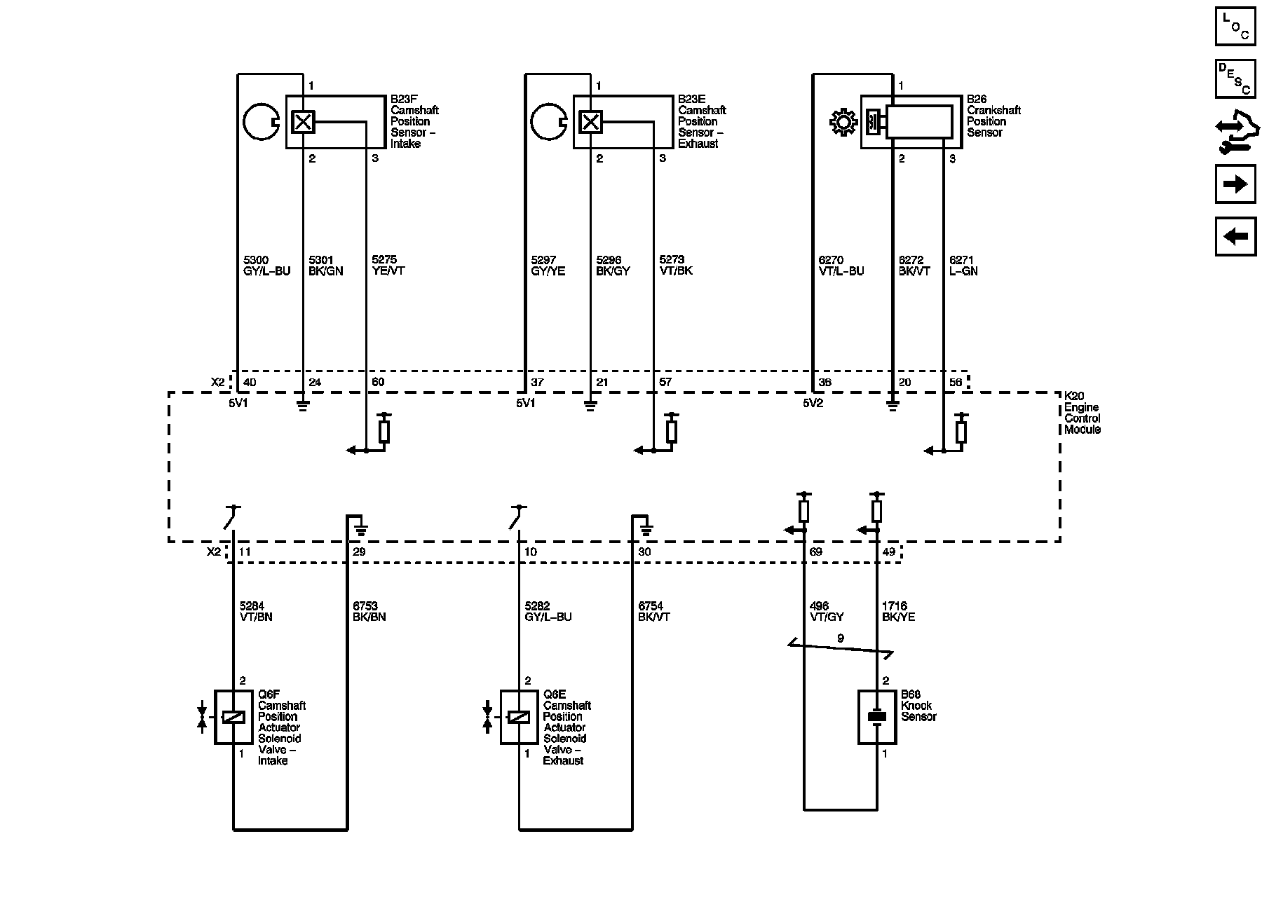
Ignition Controls - Sensors





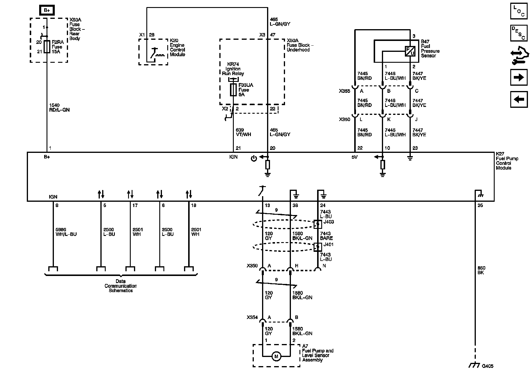
Fuel Controls - Fuel Pump Controls





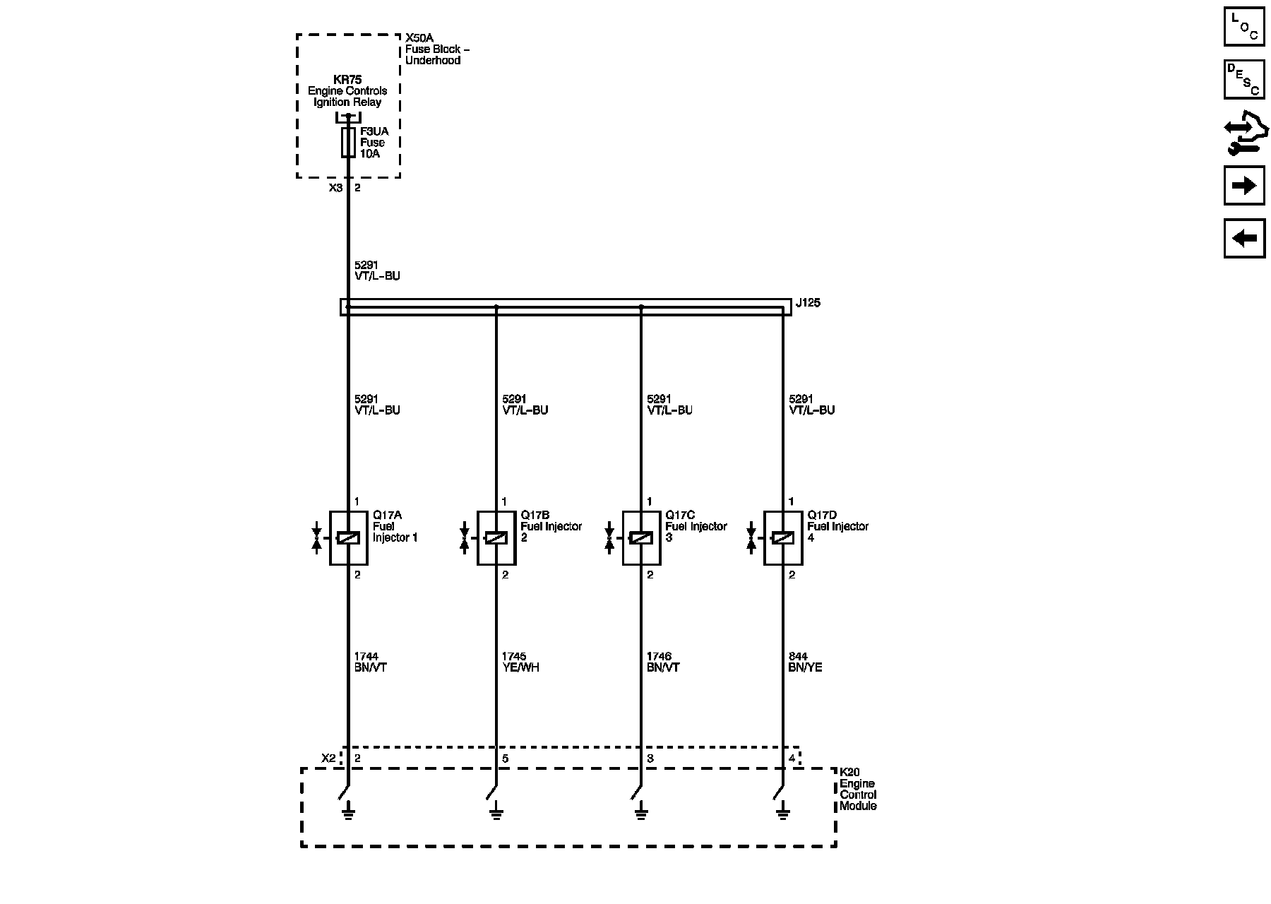
Fuel Controls - Fuel Injectors





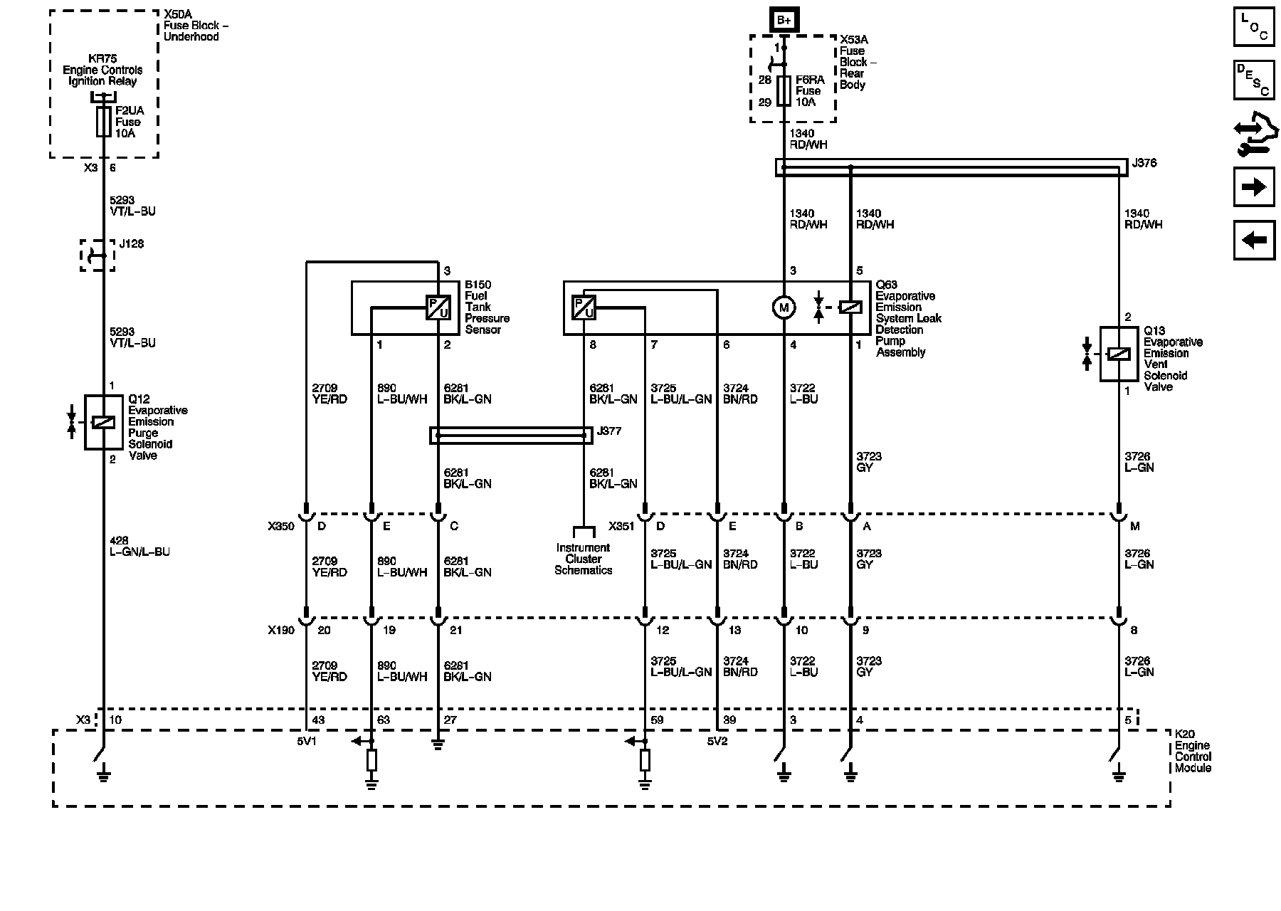
Fuel Controls - Evaporative Emission Controls





Controlled/Monitored Subsystem References