Operation CHARM: Car repair manuals for everyone.
Manuals through 2025 now available!

Our trusted friends have launched a new website named LEMON, which has newer manuals. It also contains all the CHARM manuals.

LEMON is the spiritual successor to CHARM, I recommend you try it!

Link: lemon-manuals.la or lemon-manuals.org.ua

(Some people have issue connecting. LEMON is investigating. For now, use Firefox or change your DNS server)

Or, hide this message: temporarily or permanently

Battery Negative Cable Replacement




Battery Negative Cable Replacement

Removal Procedure

1. Remove the rear compartment floor stowage compartment. Refer to Rear Compartment Floor Stowage Trim Compartment Replacement Rear Compartment Floor Stowage Trim Compartment Replacement.
2. Disconnect the battery negative cable from the battery. Refer to Battery Negative Cable Disconnection and Connection Battery Negative Cable Disconnection and Connection.
3. Remove the rear end trim finish panel. Refer toRear End Trim Finish Panel Replacement Rear End Trim Finish Panel Replacement




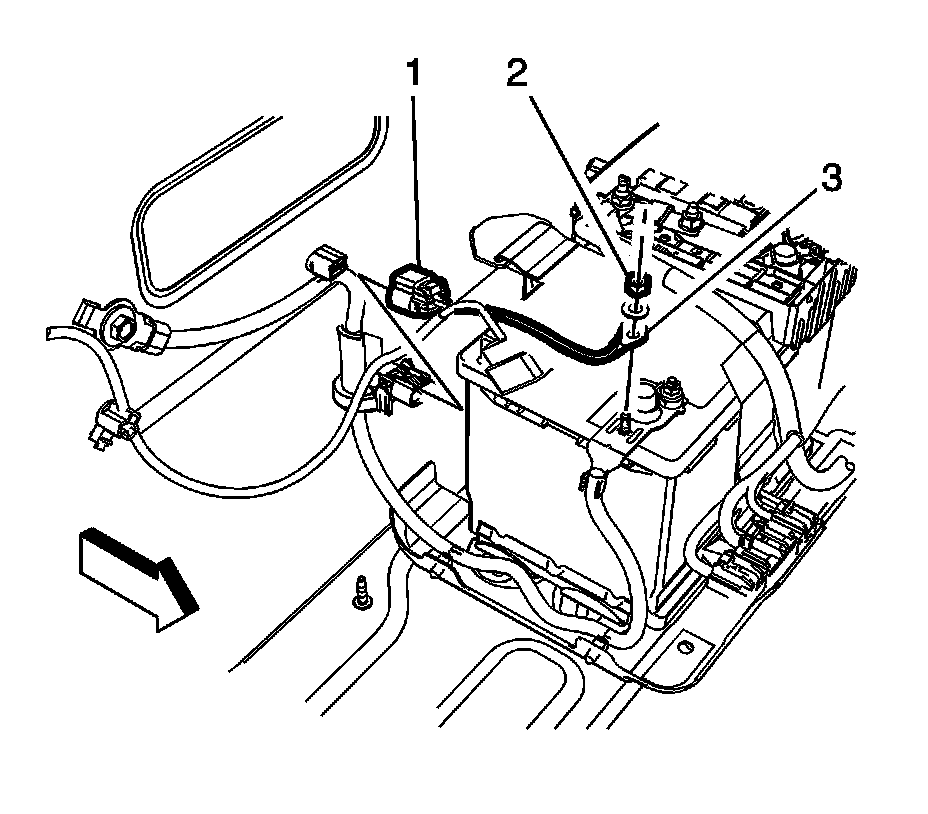
4. Disconnect the battery current sensor connector (1).
5. Remove the body harness ground nut (2) and terminal (3), from the battery negative clamp.




6. Loosen the battery negative clamp nut (1).
7. Remove the back panel ground bolt (2).
8. Disconnect the retainers (3) securing the battery negative cable (4).
9. Remove the battery negative cable (4) from the vehicle.

Installation Procedure




1. Install the battery negative cable (4) to the vehicle and install battery negative retainers (3).

Caution: Refer to Fastener Caution Fastener Caution.

2. Install the ground terminal to the back panel and tighten the bolt (2) to 22 Nm (17 lb ft).
3. Install the battery negative post clamp and tighten the nut (1) to 9 Nm (80 lb in).




4. Connect the body harness connector (1) to the current sensor.
5. Install the body harness ground terminal (3) to the negative post clamp and tighten the nut (2) to 9 Nm (80 lb in).
6. Install the rear end trim finish panel. Refer toRear End Trim Finish Panel Replacement Rear End Trim Finish Panel Replacement
7. Install the rear compartment floor stowage compartment. Refer to Rear Compartment Floor Stowage Trim Compartment Replacement Rear Compartment Floor Stowage Trim Compartment Replacement.