System Diagram
Engine Controls Schematics ((LFX))
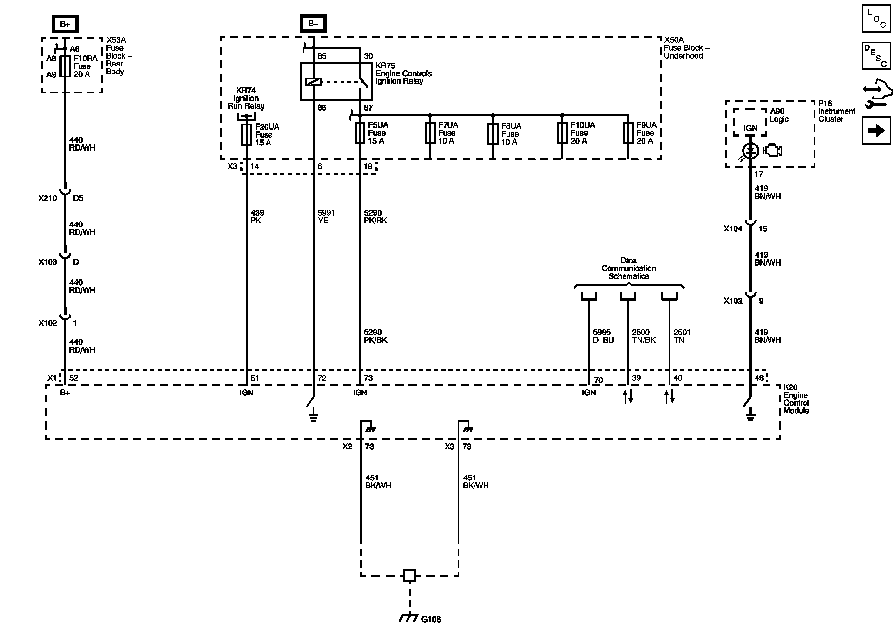
Module Power, Ground, Serial Data, and MIL
5V1, and Low Reference Bus (1 of 3)
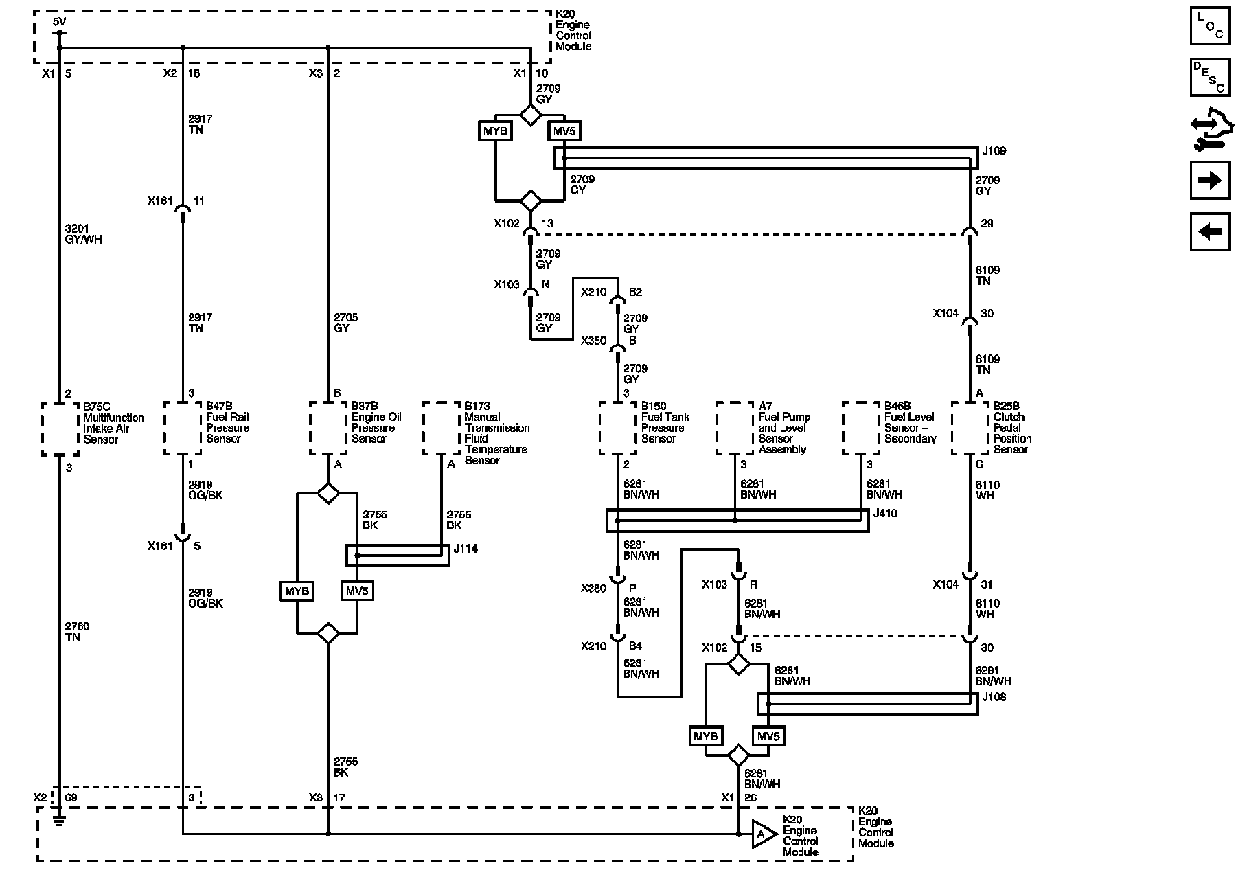
5V2, 5V3, and Low Reference Bus (2 of 3)
Low Reference Bus (3 of 3)
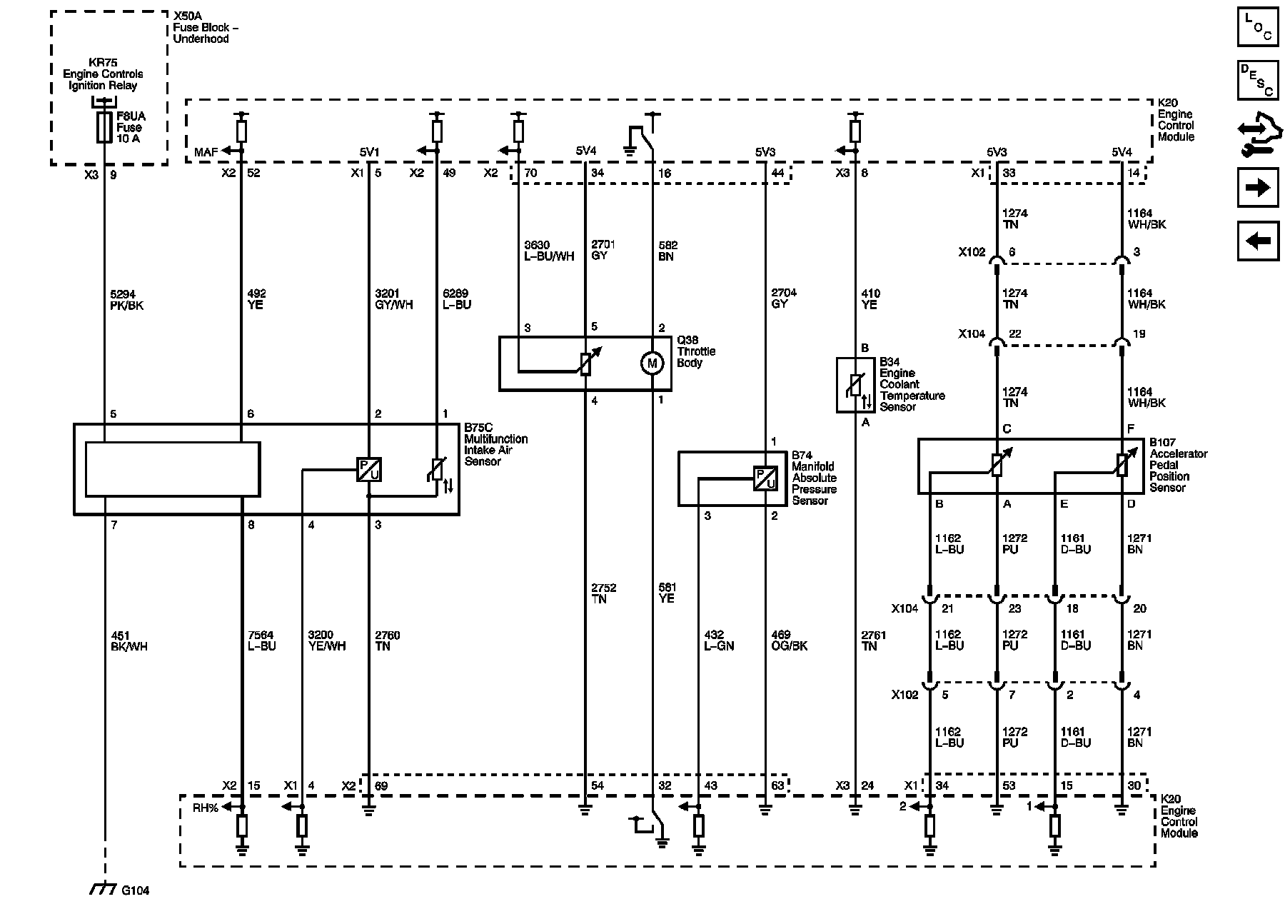
Engine Data Sensors - Pressure, Temperature, and Throttle Controls
Engine Data Sensors - Oxygen Sensors
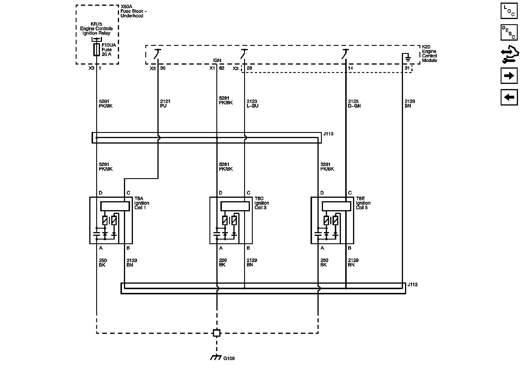
Ignition Controls - Ignition Coils 1, 3, and 5
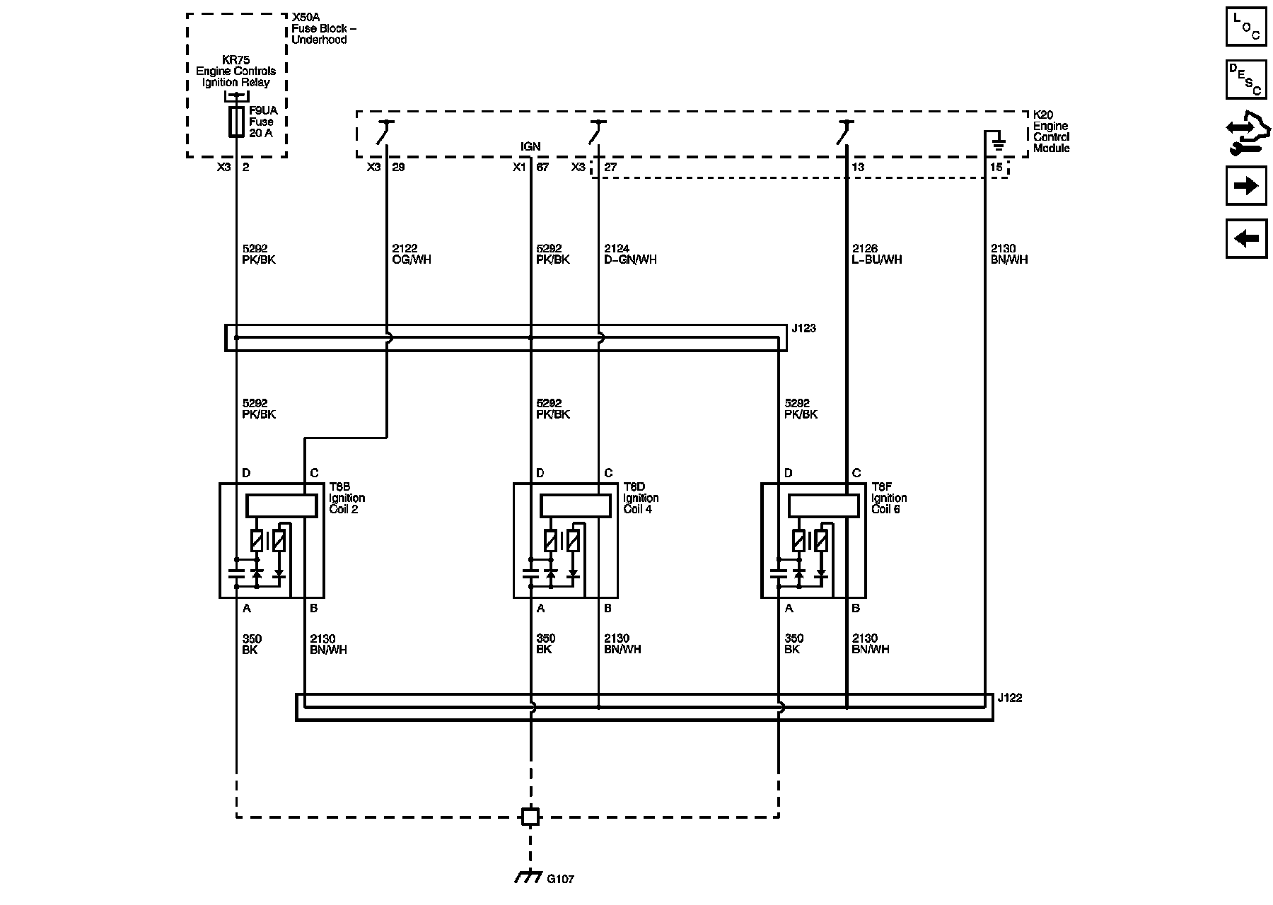
Ignition Controls - Ignition Coils 2, 4, and 6
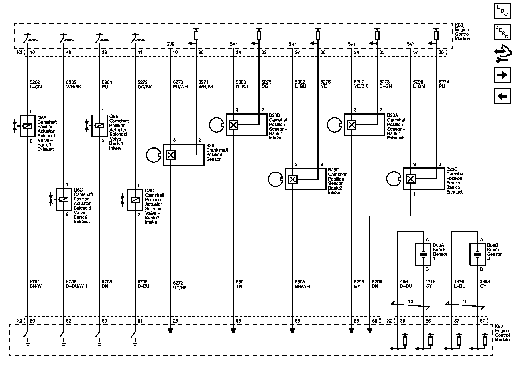
Ignition Controls - Camshaft, Crankshaft and Knock Sensors, Camshaft Actuators
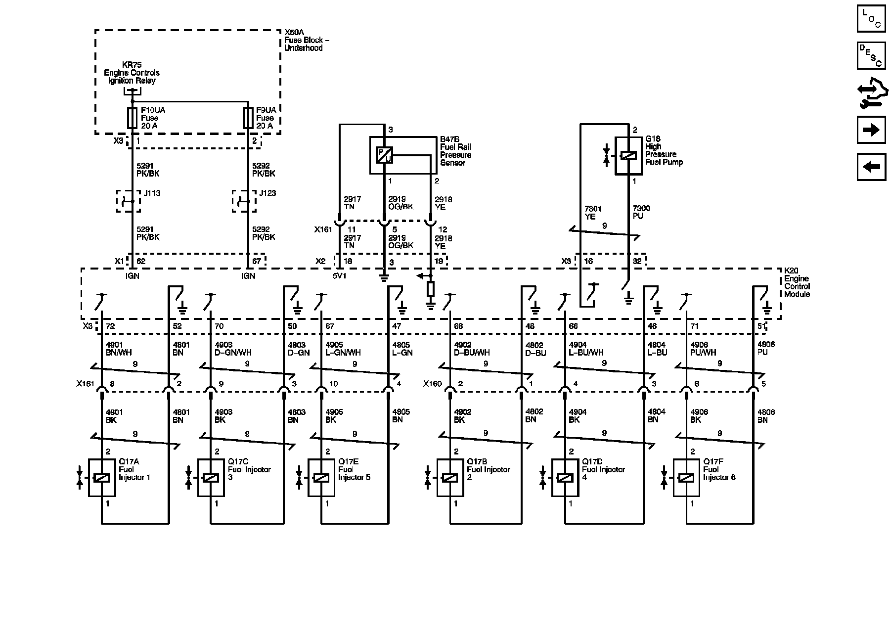
Fuel Controls - Fuel Injectors
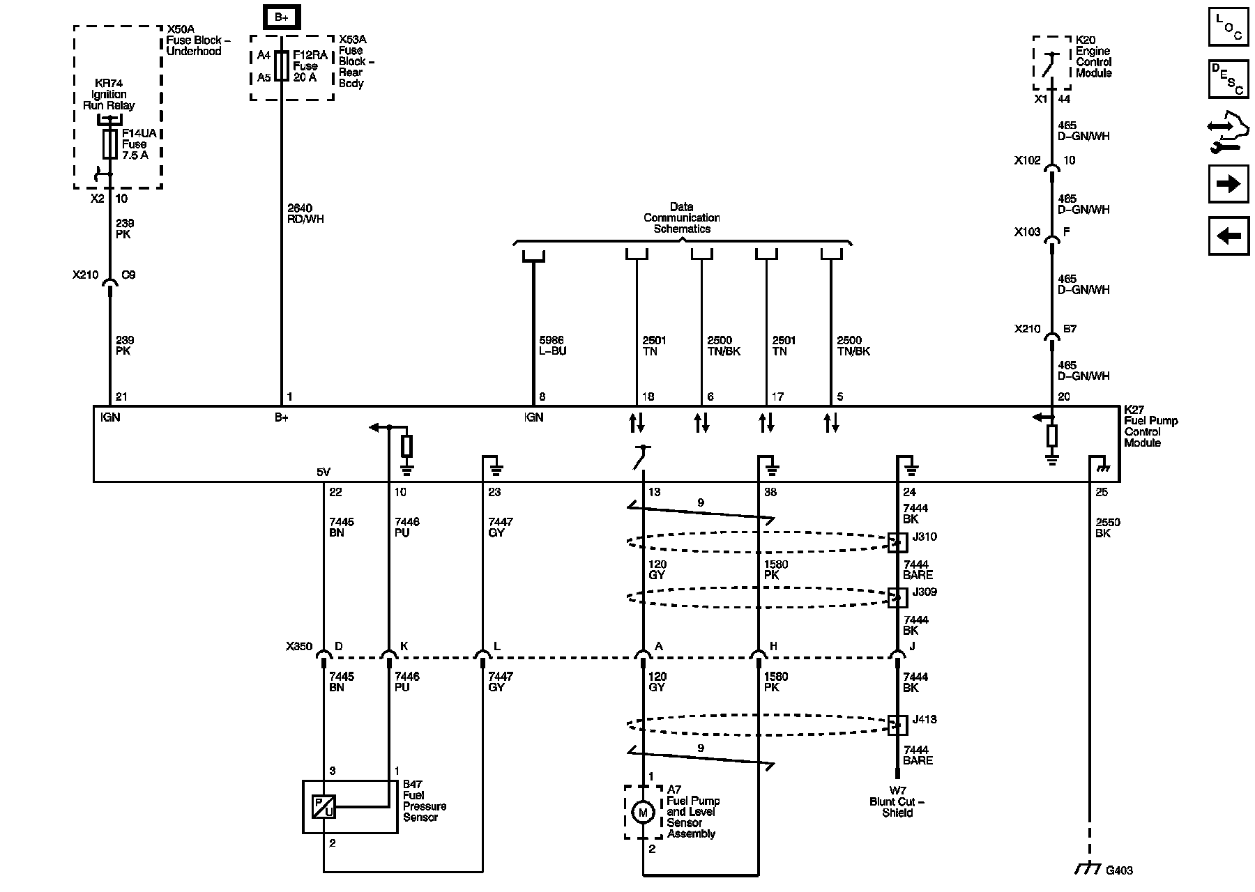
Fuel Controls - Fuel Pump Controls
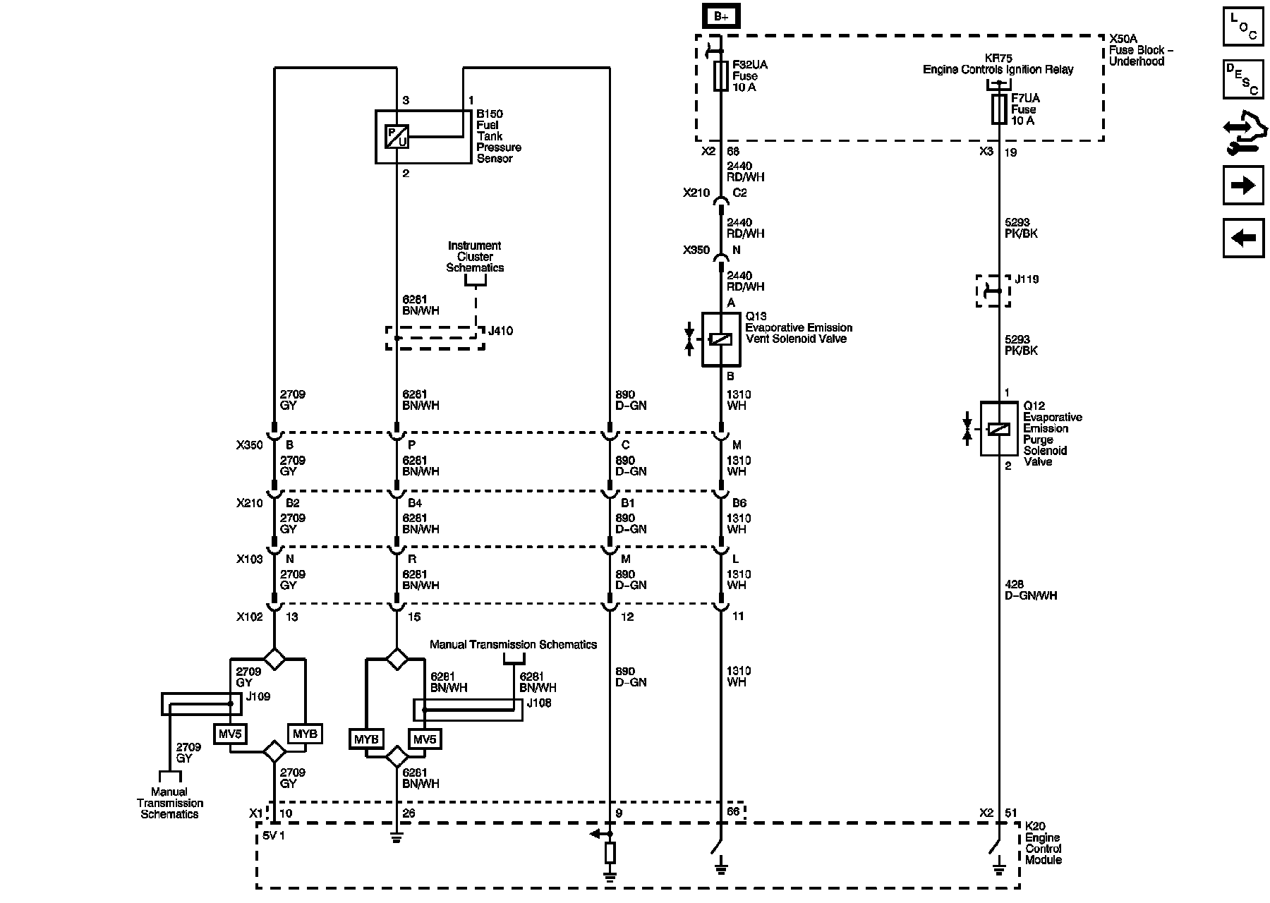
Fuel Controls - Evaporative Emission Controls
B+ Bus (1 of 2)
Controlled/Monitored Subsystem References