Operation CHARM: Car repair manuals for everyone.
Manuals through 2025 now available!

Our trusted friends have launched a new website named LEMON, which has newer manuals. It also contains all the CHARM manuals.

LEMON is the spiritual successor to CHARM, I recommend you try it!

Link: lemon-manuals.la or lemon-manuals.org.ua

(Some people have issue connecting. LEMON is investigating. For now, use Firefox or change your DNS server)

Or, hide this message: temporarily or permanently

Antilock Brakes / Traction Control Systems




Antilock Brake System Schematics

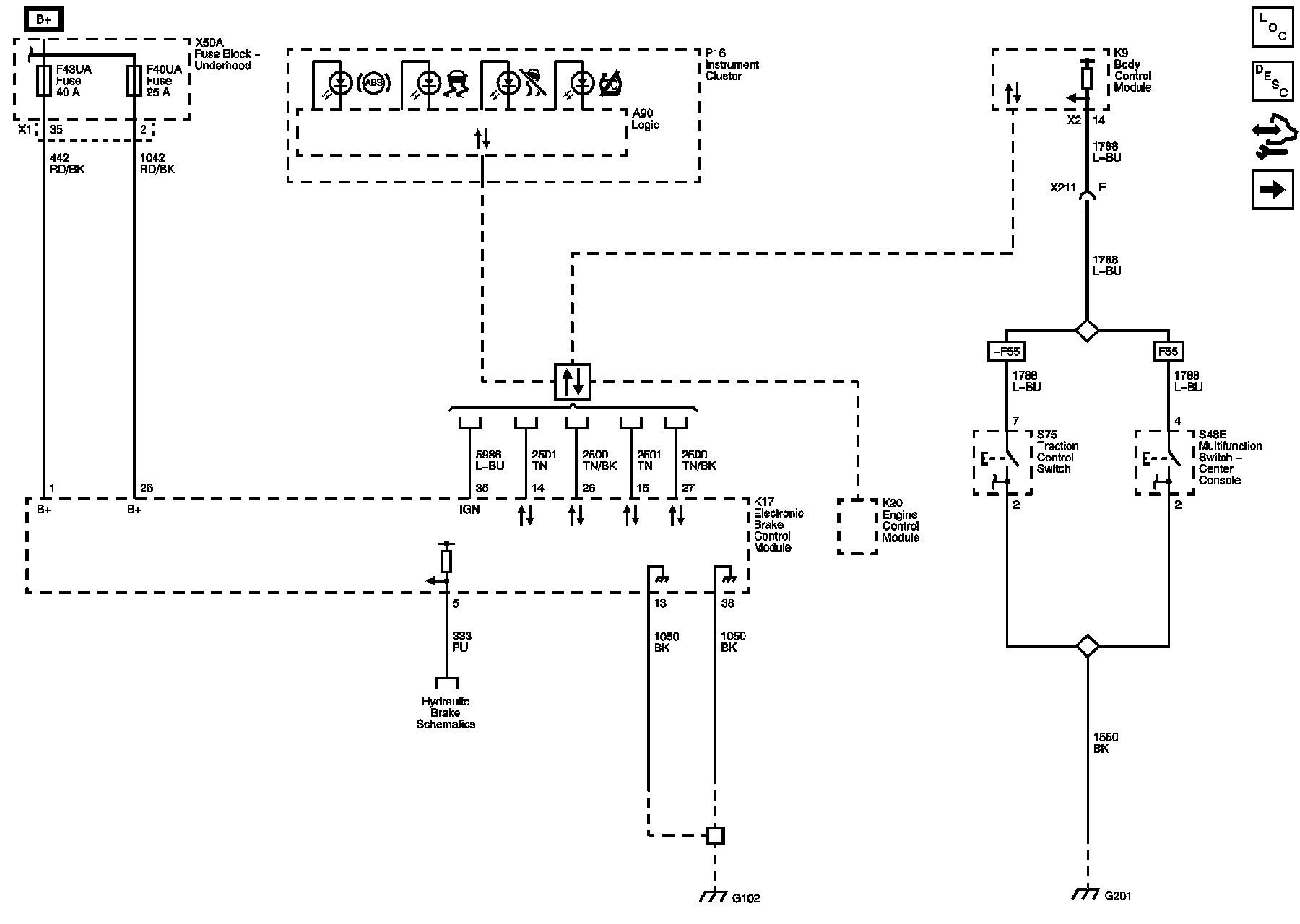
Power, Ground, Data Communication, and Traction Control





Master Electrical Component List
ABS Description and Operation
Control Module References
Link target Object 2404920 does not exist in this publication.
B+ Bus (1 of 2)
Link target Object 2404709 does not exist in this publication.
Link target Object 2404709 does not exist in this publication.
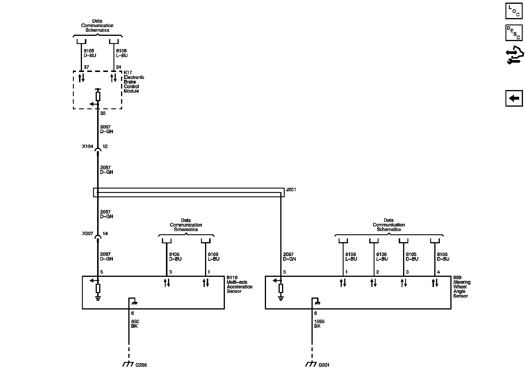
Data Communication Schematics
Link target Object 2404923 does not exist in this publication.
Link target Object 2404622 does not exist in this publication.
Link target Object 2404627 does not exist in this publication.

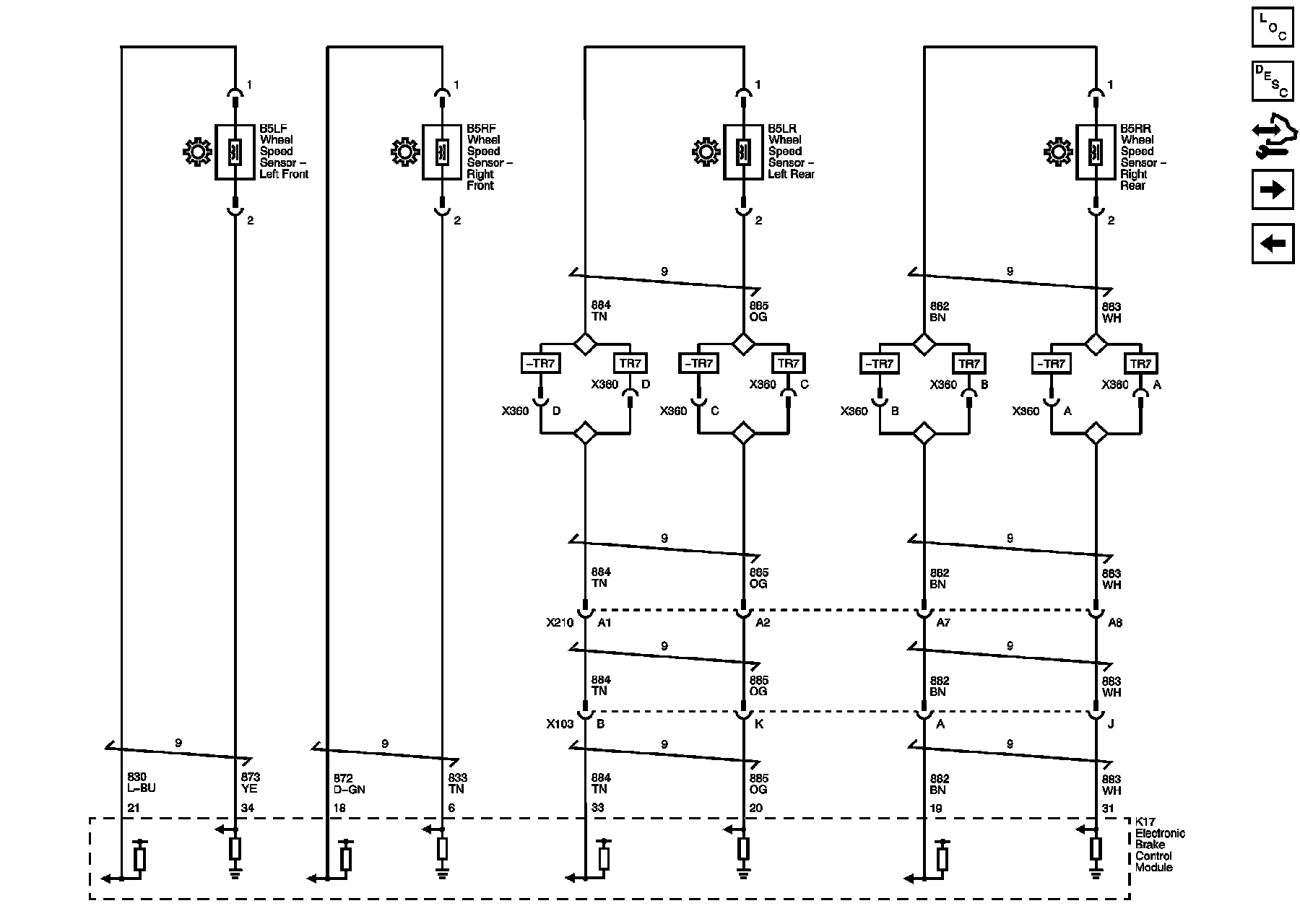
Wheel Speed Sensors





Master Electrical Component List
ABS Description and Operation
Control Module References
Link target Object 2404921 does not exist in this publication.
Link target Object 2404917 does not exist in this publication.
Master Electrical Schematic Icons
Master Electrical Schematic Icons
Master Electrical Schematic Icons
Master Electrical Schematic Icons
Master Electrical Schematic Icons
Master Electrical Schematic Icons
Master Electrical Schematic Icons
Master Electrical Schematic Icons
Master Electrical Schematic Icons
Master Electrical Schematic Icons

Stability Sensors





High Speed GMLAN - Bus 2
High Speed GMLAN - Bus 2
High Speed GMLAN - Bus 2
G205