Operation CHARM: Car repair manuals for everyone.
Manuals through 2025 now available!

Our trusted friends have launched a new website named LEMON, which has newer manuals. It also contains all the CHARM manuals.

LEMON is the spiritual successor to CHARM, I recommend you try it!

Link: lemon-manuals.la or lemon-manuals.org.ua

(Some people have issue connecting. LEMON is investigating. For now, use Firefox or change your DNS server)

Or, hide this message: temporarily or permanently

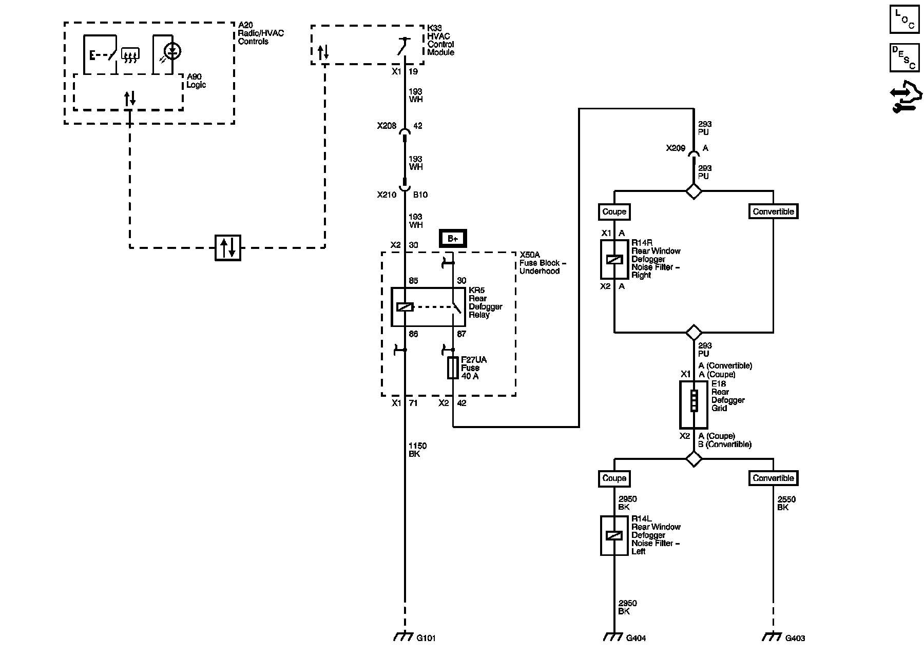
Heated Glass Element




Defogger Schematics

Rear Defogger





Master Electrical Component List
Rear Window Defogger Description and Operation
Control Module References
Data Communication Schematics
B+ Bus (1 of 2)
Electrical Center Identification Views
Link target Object 2404711 does not exist in this publication.
Link target Object 2404620 does not exist in this publication.
G402, G403, and G404
G402, G403, and G404