Operation CHARM: Car repair manuals for everyone.
Manuals through 2025 now available!

Our trusted friends have launched a new website named LEMON, which has newer manuals. It also contains all the CHARM manuals.

LEMON is the spiritual successor to CHARM, I recommend you try it!

Link: lemon-manuals.la or lemon-manuals.org.ua

(Some people have issue connecting. LEMON is investigating. For now, use Firefox or change your DNS server)

Or, hide this message: temporarily or permanently

Engine: Locations




Disassembled Views (6.2L LSA)

Supercharger/Upper Engine





1 - Evaporative (EVAP) Emission Canister Purge Tube

2 - Positive Crankcase Ventilation (PCV) Tube - Fresh Air

3 - Supercharger Cover Bolts

4 - Supercharger Cover

5 - Supercharger Cover Seal

6 - Supercharger Insulator Seal

7 - Supercharger Bolts

8 - Supercharger

9 - Supercharger Gasket

10 - Supercharger Gasket Rivet

11 - Engine Coolant Air Bleed Plug

12 - Engine Coolant Air Bleed Pipe Bolt

13 - Engine Coolant Air Bleed Pipe

14 - Engine Coolant Air Bleed Pipe Seal

15 - Engine Coolant Air Bleed Pipe

16 - Valley Cover Bolt

17 - Engine Oil Pressure Sensor

18 - Valley Cover

19 - PCV Hose - Dirty Air

20 - Valley Cover Seal

21 - Valley Cover Gasket

22 - Engine Block

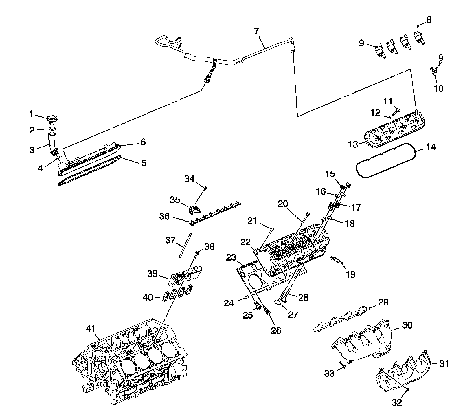
Cylinder Head/Upper Engine





1 - Oil Cap

2 - Oil Cap O-ring Seal

3 - Oil Fill Tube

4 - Oil Fill Tube O-ring Seal

5 - Valve Rocker Arm Cover Gasket

6 - Valve Rocker Arm Cover

7 - Positive Crankcase Ventilation (PCV) Tube- Fresh Air

8 - Bolt

9 - Ignition Coil

10 - Spark Plug Wire

11 - Bolt

12 - Bolt Grommet

13 - Valve Rocker Arm Cover

14 - Valve Rocker Arm Cover Gasket

15 - Valve Stem Key

16 - Valve Spring Cap

17 - Valve Spring

18 - Valve Stem Oil Seal

19 - Spark Plug

20 - Cylinder Head Bolt- M11

21 - Cylinder Head Bolt- M8

22 - Cylinder Head

23 - Cylinder Head Gasket

24 - Cylinder Head Locating Pin

25 - Cylinder Head Plug

26 - Coolant Temperature Sensor

27 - Exhaust Valve

28 - Intake Valve

29 - Exhaust Manifold Gasket

30 - Exhaust Manifold

31 - Exhaust Manifold Heat Shield

32 - Exhaust Manifold Heat Shield Bolt

33 - Exhaust Manifold Bolt

34 - Bolt

35 - Valve Rocker Arm

36 - Valve Rocker Arm Pivot Support

37 - Valve Pushrod

38 - Bolt

39 - Valve Lifter Guide

40 - Valve Lifter

41 - Engine Block

Front of Engine





1 - Bolt

2 - Water Inlet Housing

3 - Water Inlet Seal

4 - Engine Coolant Thermostat

5 - Water Pump

6 - Water Pump Gasket

7 - Bolt

8 - Bolt

9 - Balancer Weight- Crankshaft Balancer- Manual Transmission

10 - Crankshaft Balancer

11 - Crankshaft Front Oil Seal

12 - Camshaft Position (CMP) Sensor Wire Harness Bolt

13 - CMP Sensor Wire Harness

14 - CMP Sensor Bolt

15 - CMP Sensor Seal

16 - CMP Sensor

17 - Bolt

18 - Engine Front Cover

19 - Engine Front Cover Gasket

20 - Bolt

21 - Timing Chain Tensioner

22 - Timing Chain

23 - Crankshaft Balancer Washer

24 - Crankshaft Sprocket

25 - Bolt

26 - Camshaft Sprocket

27 - Bolt

28 - Camshaft Retainer

29 - Camshaft Sprocket Locating Pin

30 - Camshaft

31 - Camshaft Bearings

32 - Engine Block

33 - Oil Pump Suction Pipe Nut

34 - Oil Pump Suction Pipe

35 - Oil Pump Suction Pipe Bolt

36 - Oil Pump O-ring Seal

37 - Oil Pressure Relief Valve Bore Plug

38 - Oil Pressure Relief Valve Spring

39 - Oil Pressure Relief Valve

40 - Oil Pump Driven Gear

41 - Oil Pump Drive Gear

42 - Oil Pump Cover

43 - Oil Pump Cover Bolt

44 - Oil Pump

45 - Oil Pump Bolt

Rear of Engine





1 - Engine Block

2 - Crankshaft Rear Oil Seal Housing Gasket

3 - Crankshaft Rear Oil Seal Housing

4 - Bolt

5 - Crankshaft Rear Oil Seal

6 - Flexplate - Automatic Transmission

7 - Transmission Pilot Bearing - Manual Transmission

8 - Balance Weight - Flywheel - Manual Transmission

9 - Flywheel - Manual Transmission

10 - Bolt

11 - Clutch Pressure Plate Locating Pin - Manual Transmission

12 - Clutch Drive Plate - Manual Transmission

13 - Clutch Pressure Plate - Manual Transmission

14 - Bolt

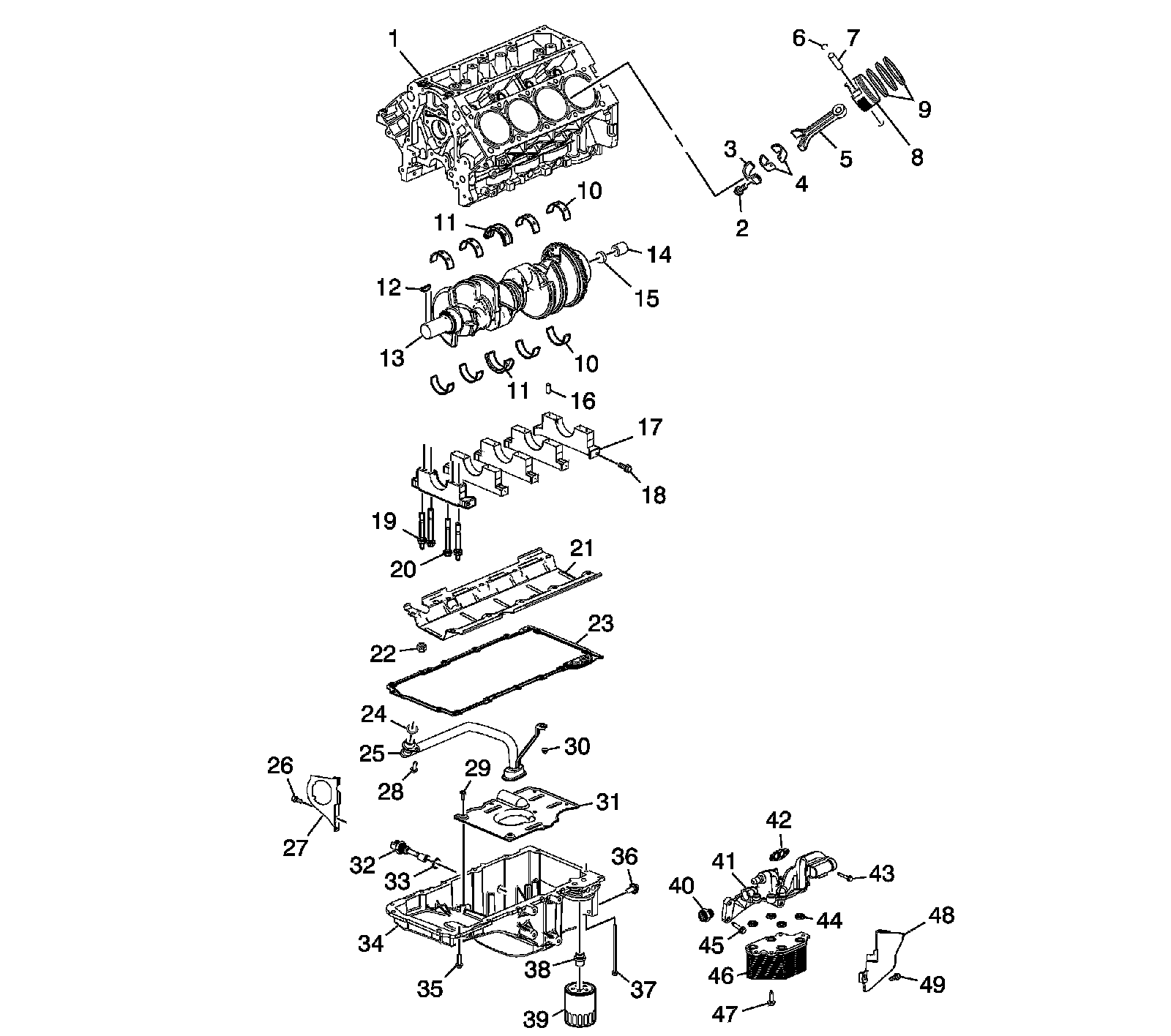
Lower Engine Assembly





1 - Engine Block

2 - Bolt

3 - Connecting Rod Cap

4 - Connecting Rod Bearing

5 - Connecting Rod

6 - Piston Pin Retainer

7 - Piston Pin

8 - Piston

9 - Piston Ring Set

10 - Crankshaft Bearing

11 - Crankshaft Bearing - Thrust

12 - Crankshaft Sprocket Key

13 - Crankshaft

14 - Transmission Pilot Bearing - Manual Transmission

15 - Crankshaft Hole Plug

16 - Crankshaft Bearing Cap Locating Pin

17 - Crankshaft Bearing Cap

18 - Bolt - M8

19 - Stud - M10

20 - Bolt - M10

21 - Crankshaft Oil Deflector

22 - Crankshaft Oil Deflector Nut

23 - Oil Pan Gasket

24 - Oil Pump Suction Pipe Seal

25 - Oil Pump Suction Pipe

26 - Bolt

27 - Engine Cover - Right

28 - Oil Pump Suction Pipe Bolt

29 - Oil Pan Baffle Bolt

30 - Oil Pump Suction Pipe Nut

31 - Oil Pan Baffle

32 - Engine Oil Level Sensor

33 - Engine Oil Level Sensor Seal

34 - Oil Pan

35 - Oil Pan Bolt

36 - Oil Pan Drain Plug

37 - Oil Pan Bolt

38 - Oil Filter Fitting

39 - Oil Filter

40 - Engine Oil Cooler Coolant Fitting

41 - Engine Oil Cooler Housing

42 - Engine Oil Cooler Gasket

43 - Engine Oil Cooler-to-Oil Pan Bolt - M6

44 - Engine Oil Cooler Core Seal

45 - Engine Oil Cooler-to-Oil Pan Bolt - M8

46 - Engine Oil Cooler Core

47 - Engine Oil Cooler Core-to-Housing Bolt

48 - Oil Pan Cover - Left

49 - Bolt

Engine Block Plugs/Sensors





1 - Engine Block Oil Gallery Plug - Front

2 - Engine Block Oil Gallery Plug Seal

3 - Engine Block Oil Gallery Plug - Side

4 - Engine Block Coolant Heater Seal

5 - Engine Block Coolant Heater

6 - Knock Sensor

7 - Bolt

8 - Engine Block Oil Gallery Plug - Side

9 - Engine Block Oil Gallery Plug Seal

10 - Engine Block

11 - Transmission Locating Pin

12 - Engine Block Oil Gallery Plug Seal

13 - Engine Block Oil Gallery Plug - Rear

14 - Piston Oil Nozzle

15 - Crankshaft Position (CKP) Sensor Seal

16 - CKP Sensor

17 - CKP Sensor Bolt

18 - Engine Block Coolant Drain Hole Plug Seal

19 - Engine Block Coolant Drain Hole Plug - Side

Supercharger Cover Assembly





1 - Charge Air Cooler Cover

2 - Charge Air Cooler Cover Bolt

3 - Barometric Pressure Sensor Bolt

4 - Barometric Pressure Sensor

5 - Barometric Pressure Sensor Seal

6 - Supercharger Air Outlet Pressure Sensor Bolt

7 - Supercharger Air Outlet Pressure Sensor

8 - Supercharger Air Outlet Pressure Sensor Seal

9 - Intake Air Temperature Sensor

10 - Charge Air Cooler

11 - Charge Air Cooler Bolt

12 - Charge Air Cooler Coolant Pipe Seal

13 - Charge Air Cooler Coolant Outlet Pipe Assembly Seal

14 - Charge Air Cooler Coolant Outlet Pipe Assembly

15 - Charge Air Cooler Coolant Outlet Pipe Assembly Bolt

16 - Charge Air Cooler Cover Seal

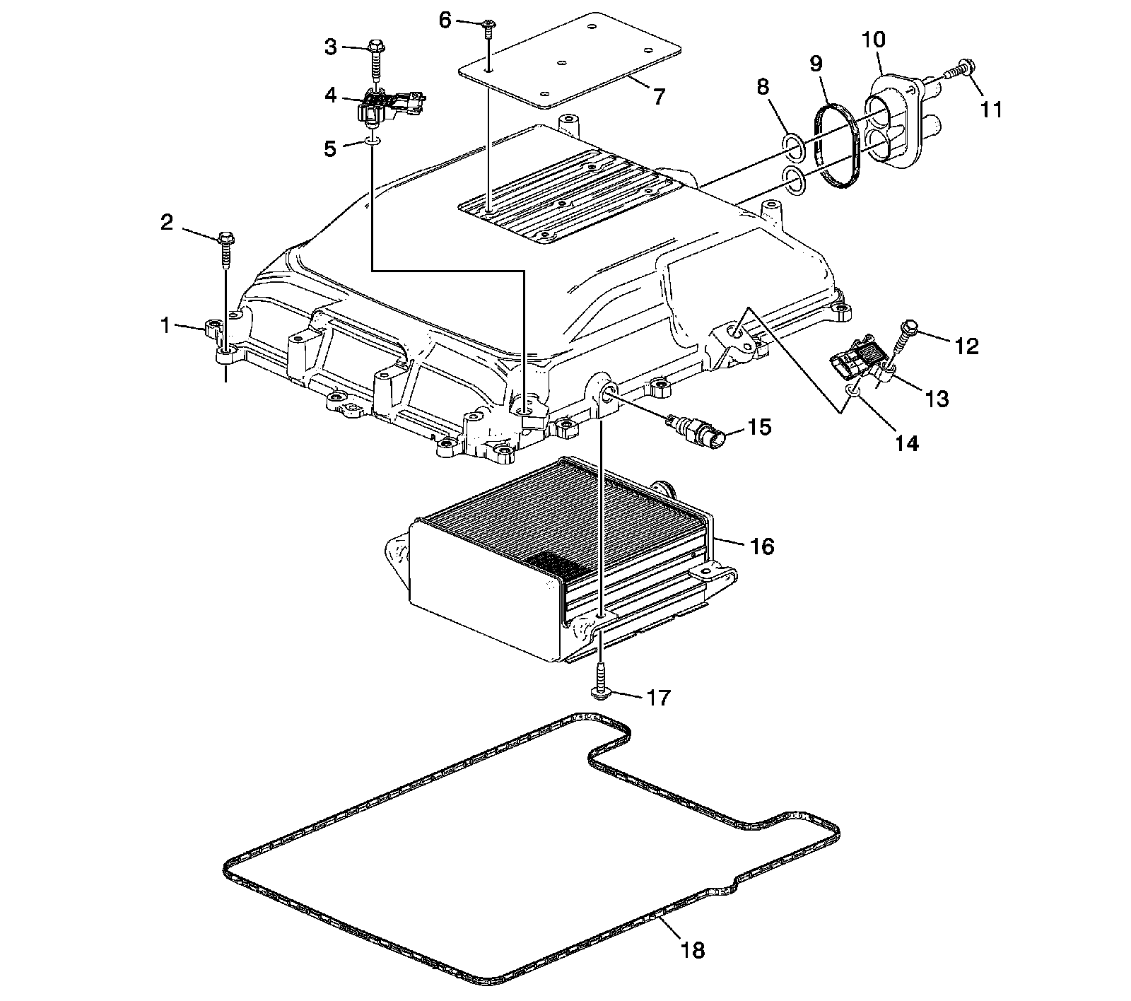
Supercharger Assembly





1 - Fuel Injector Wiring Harness

2 - Multiport Fuel Injection Fuel Rail

3 - Fuel Rail Service Port Cap

4 - Fuel Injector Seal

5 - Fuel Injector Retainer

6 - Fuel Injector

7 - Fuel Injection Fuel Rail Bolt

8 - Fuel Injector Fuel Rail Stud

9 - Fuel Injector Wiring Harness

10 - Charge Air Cooler Insulator

11 - Fuel Injector Wiring Harness Connector Bracket- Right

12 - Fuel Injector Wiring Harness Connector Bracket Bolt

13 - Supercharger Bolt

14 - Fuel Injector Wiring Harness Connector Bracket- Left

15 - Supercharger

16 - Intake Manifold Gasket

17 - Intake Manifold Gasket Rivet

18 - Throttle Body Bolt

19 - Throttle Body

20 - Throttle Body Seal

21 - Charge Air Bypass Valve Vacuum Tube

22 - Supercharger Bypass Actuator

23 - Charge Air Bypass Valve w/Bracket

24 - Supercharger Bypass Actuator Bolt

25 - Charge Air Bypass Valve Bolt

26 - Charge Air Bypass Valve Tube

27 - Bypass Valve Actuator Tube

28 - Evaporative Emission Canister Purge Valve

29 - Evaporative Emission Canister Purge Valve Seal

30 - Supercharger Inlet Air Pressure Sensor Bolt

31 - Supercharger Inlet Air Pressure Sensor

32 - Supercharger Inlet Air Pressure Sensor Seal

Oil Pump Assembly





408 - Bolt

409 - Oil Pump Housing Cover

410 - Oil Pump Drive Gear

412 - Oil Pump Driven Gear

413 - Oil Pump

414 - Oil Pump Pressure Relief Valve

415 - Oil Pump Pressure Relief Valve Spring

416 - Oil Pump Housing Plug