Operation CHARM: Car repair manuals for everyone.
Manuals through 2025 now available!

Our trusted friends have launched a new website named LEMON, which has newer manuals. It also contains all the CHARM manuals.

LEMON is the spiritual successor to CHARM, I recommend you try it!

Link: lemon-manuals.la or lemon-manuals.org.ua

(Some people have issue connecting. LEMON is investigating. For now, use Firefox or change your DNS server)

Or, hide this message: temporarily or permanently

Electrical Diagrams




Engine Controls Schematics ((LSA))

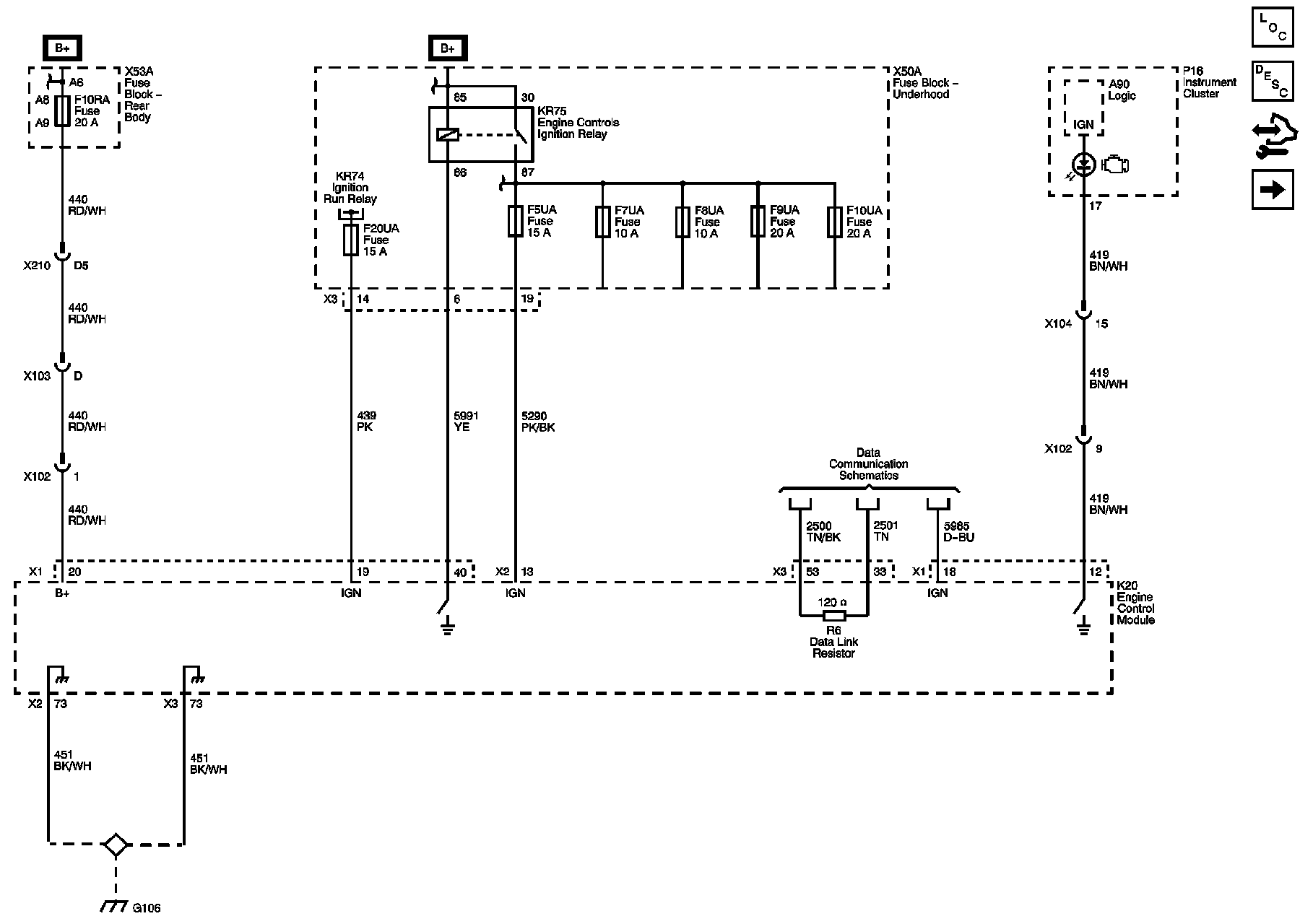
Module Power, Ground, Serial Data, and MIL





5V1, 5V2, and Low Reference Bus (1 of 2)






Low Reference Bus (2 of 2)






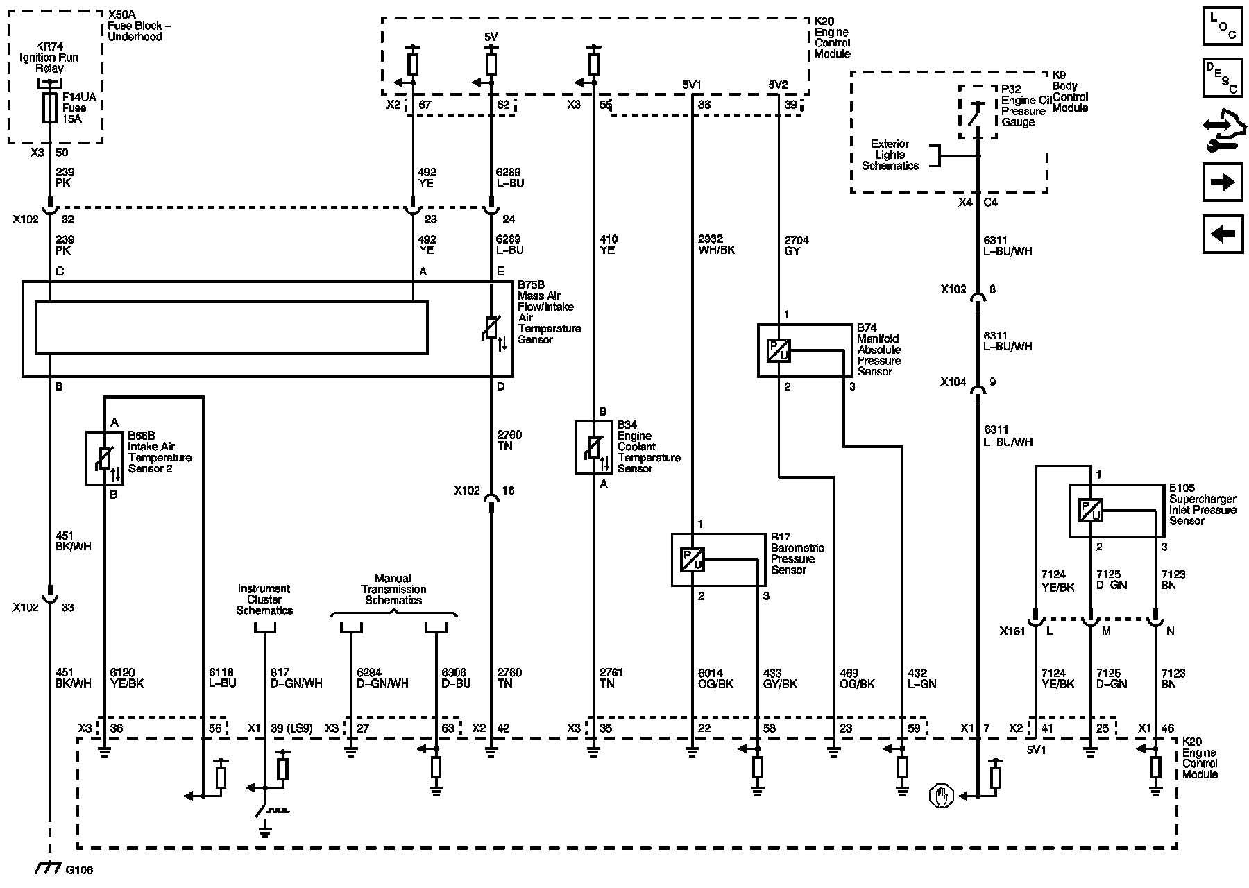
Engine Data Sensors - Pressure and Temperature






Engine Data Sensors - Throttle Controls





Throttle Actuator Control (TAC) System Description

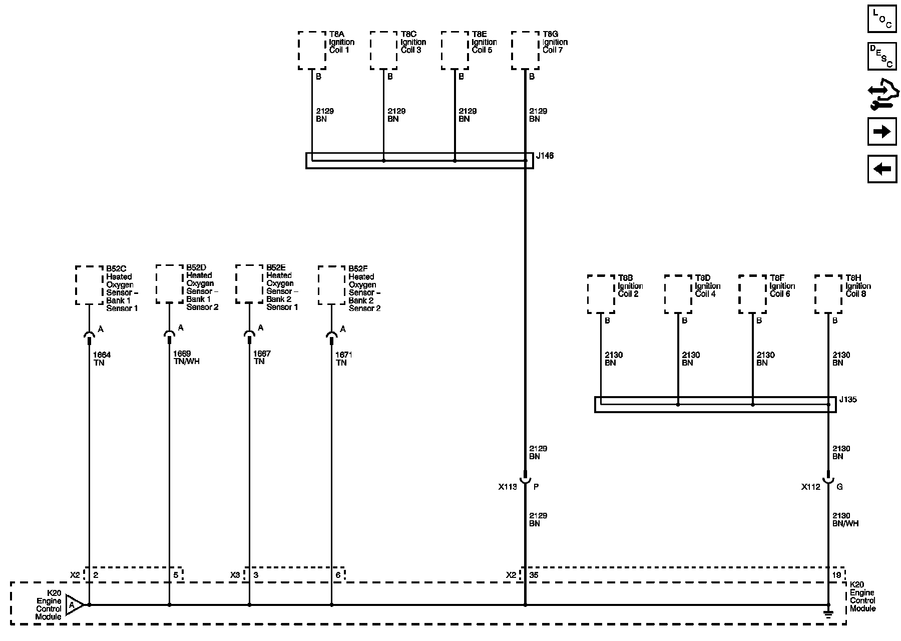
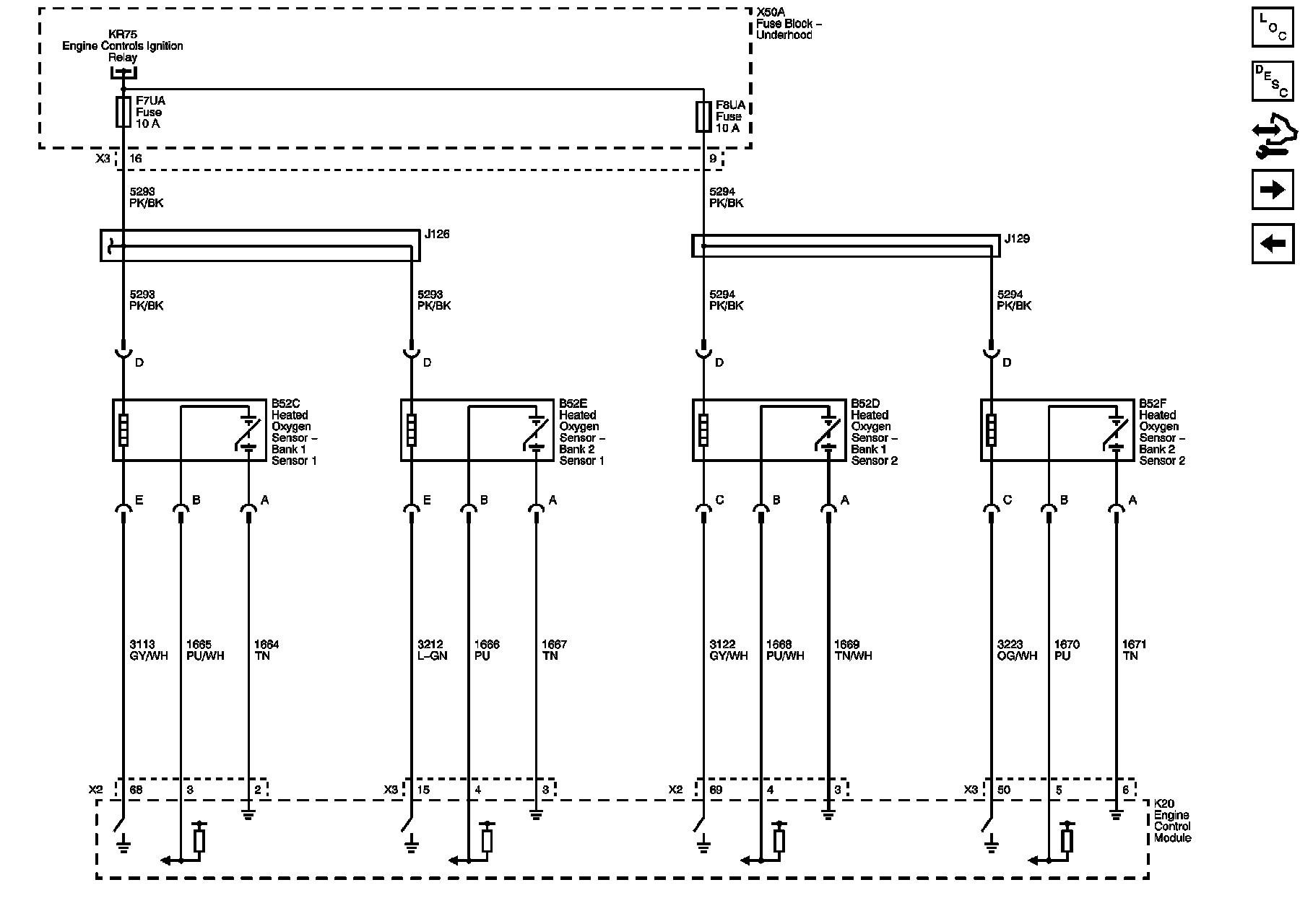
Engine Data Sensors - Oxygen Sensors






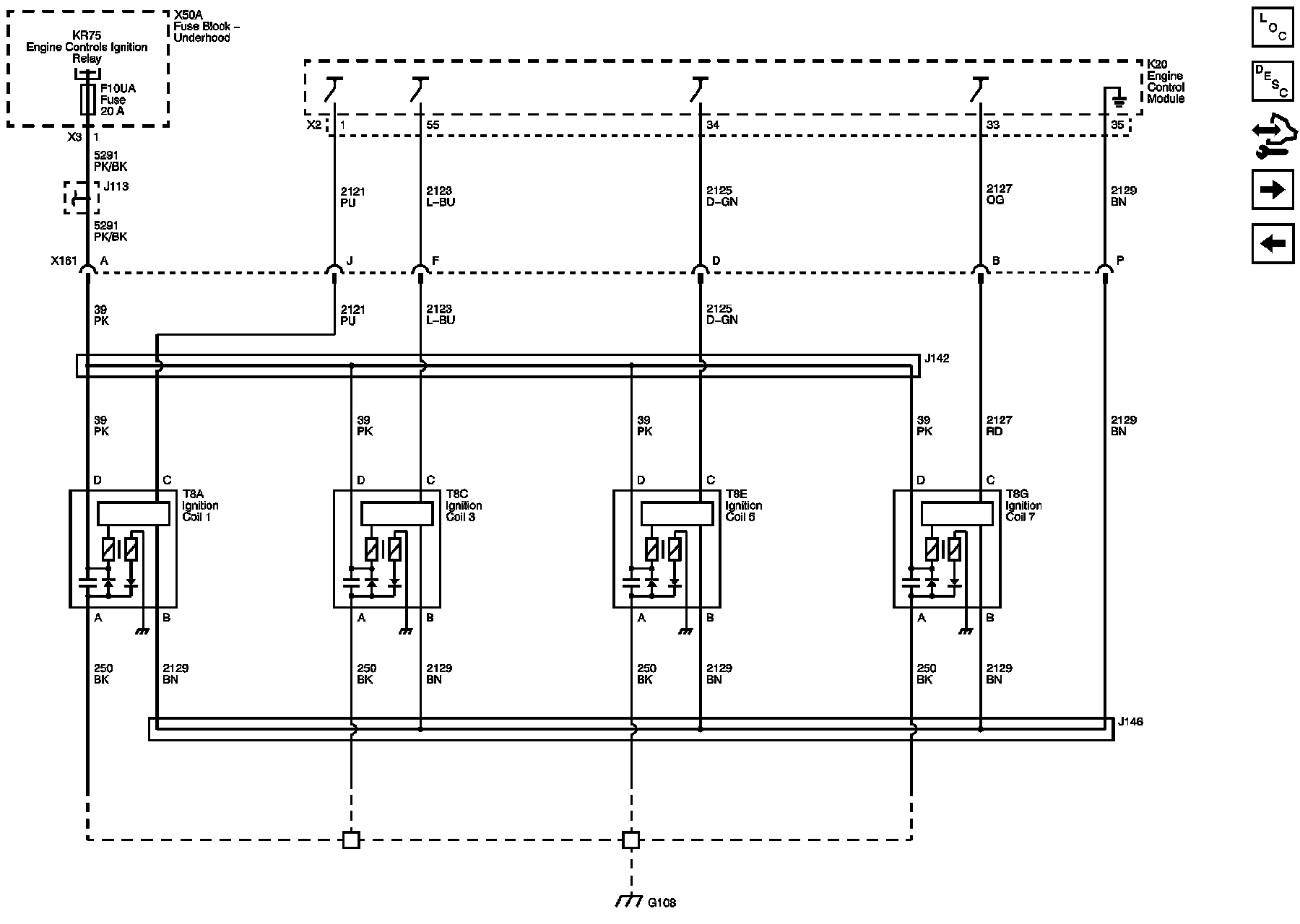
Ignition Controls - Ignition Coils Bank 1





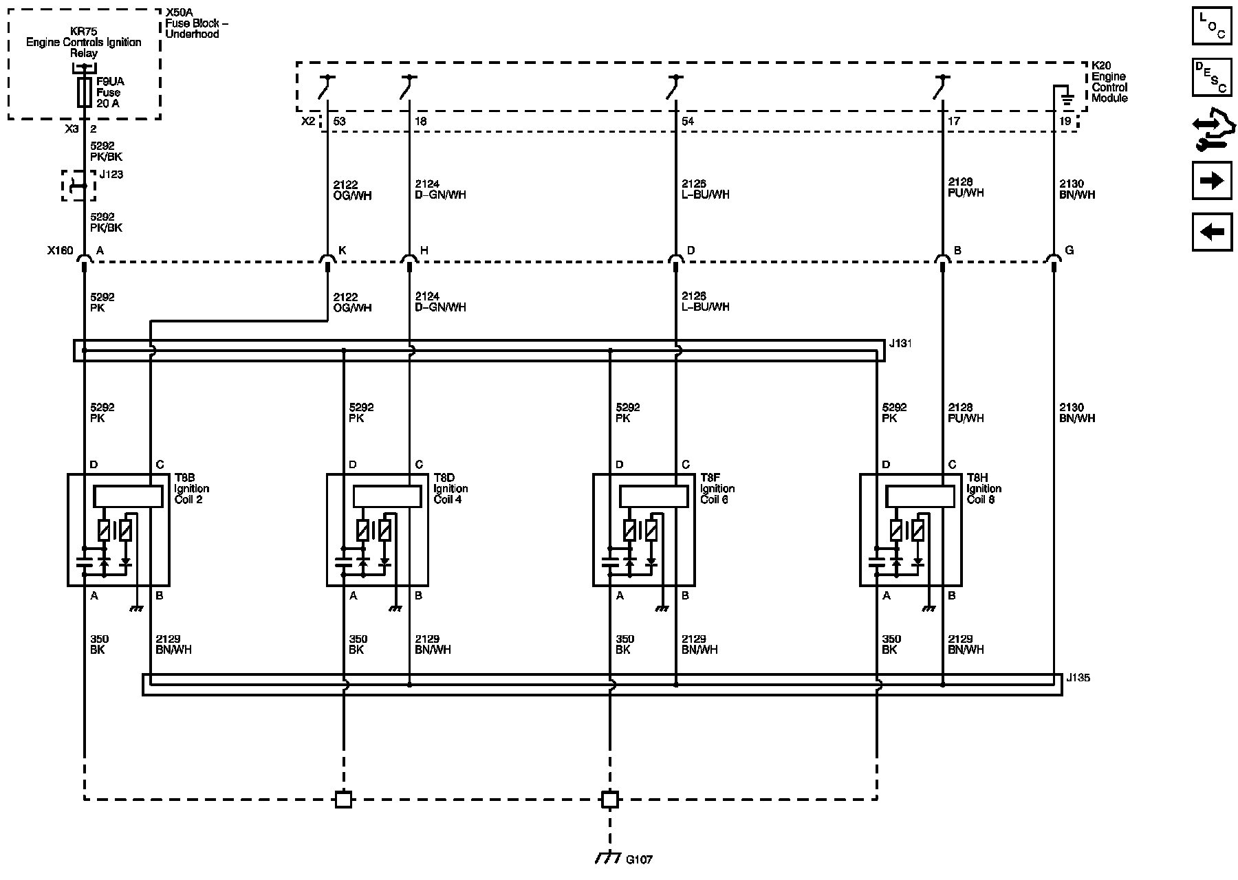
Ignition Controls - Ignition Coils Bank 2





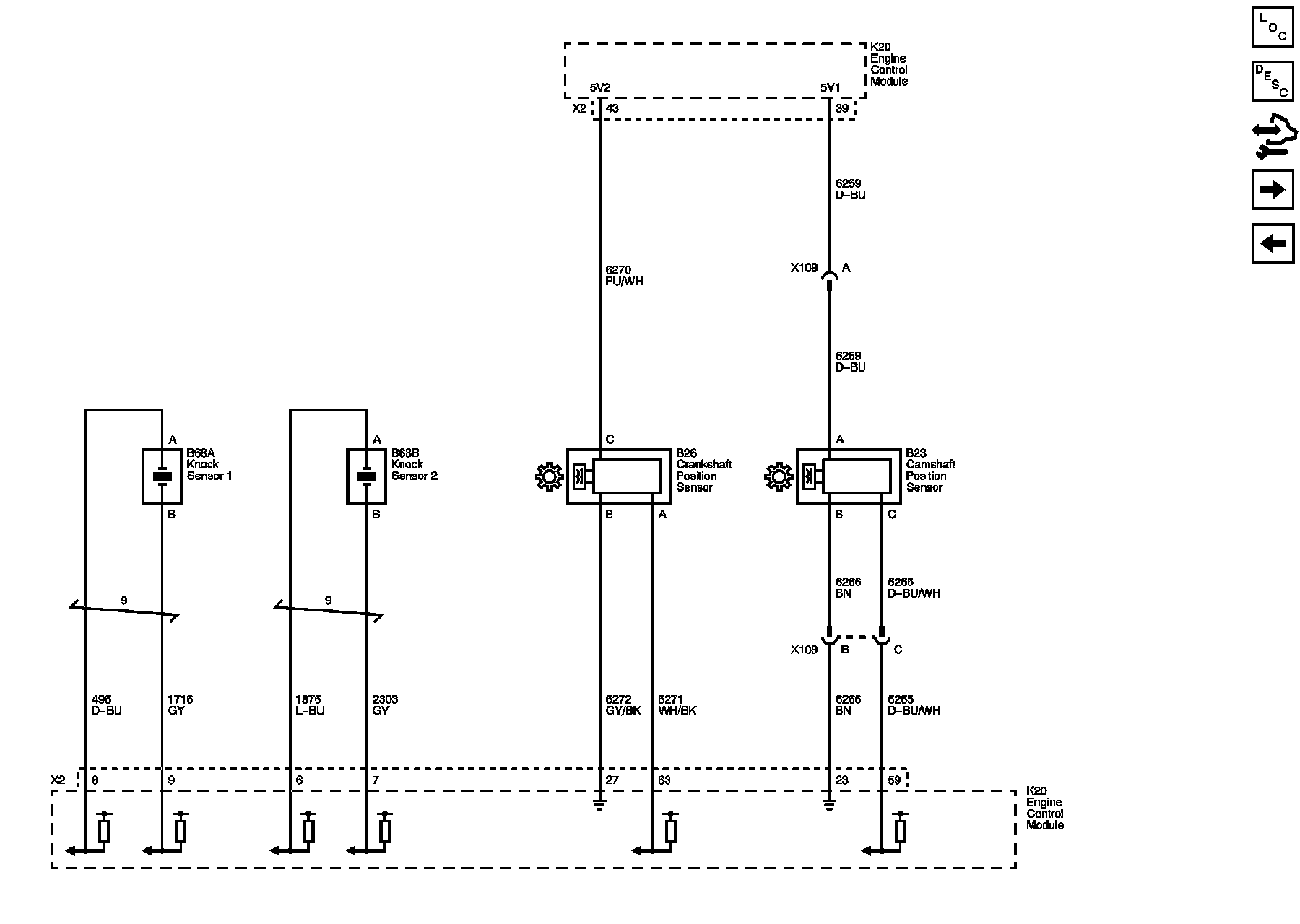
Ignition Controls - Crankshaft, Camshaft Position Sensors, and Knock Sensors





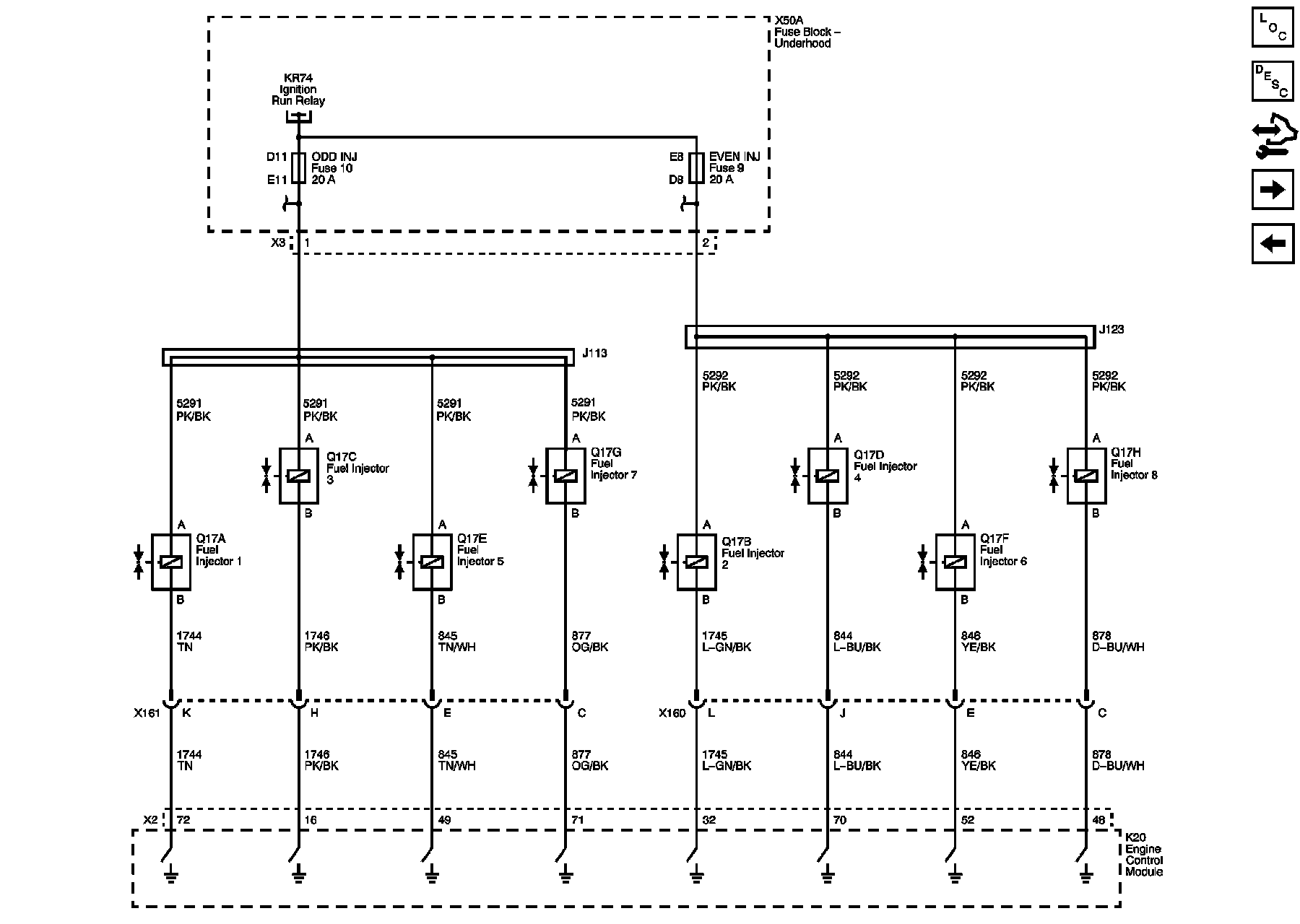
Fuel Controls - Fuel Injectors






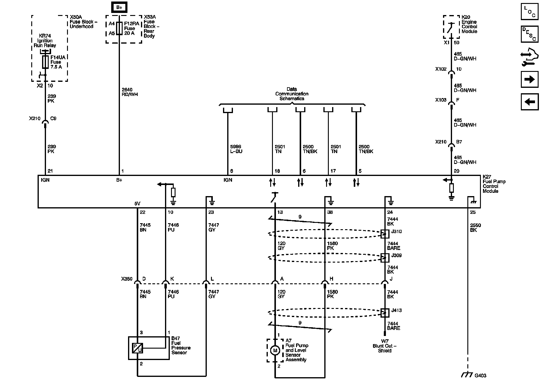
Fuel Controls - Fuel Pump Controls






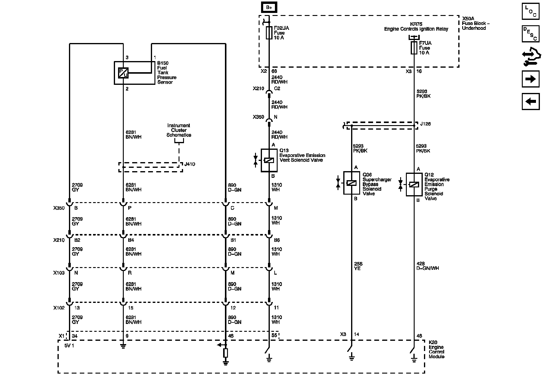
Fuel Controls - Evaporative Emission Controls





Controlled/Monitored Subsystem References