Operation CHARM: Car repair manuals for everyone.
Manuals through 2025 now available!

Our trusted friends have launched a new website named LEMON, which has newer manuals. It also contains all the CHARM manuals.

LEMON is the spiritual successor to CHARM, I recommend you try it!

Link: lemon-manuals.la or lemon-manuals.org.ua

(Some people have issue connecting. LEMON is investigating. For now, use Firefox or change your DNS server)

Or, hide this message: temporarily or permanently

Electrical Diagrams




Engine Controls Schematics (LS9)

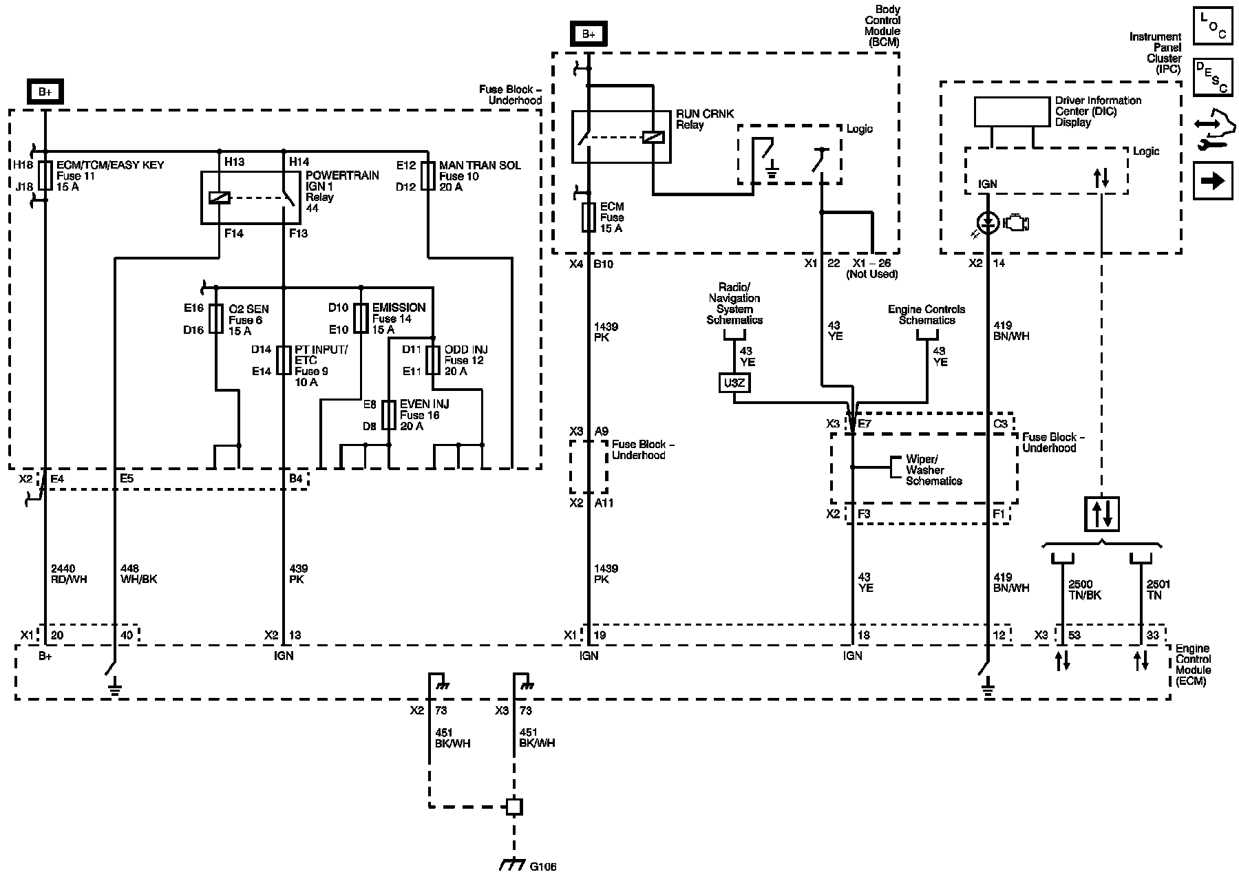
ECM Power, Ground, MIL, and Serial Data






5V Bus






Low Reference Bus






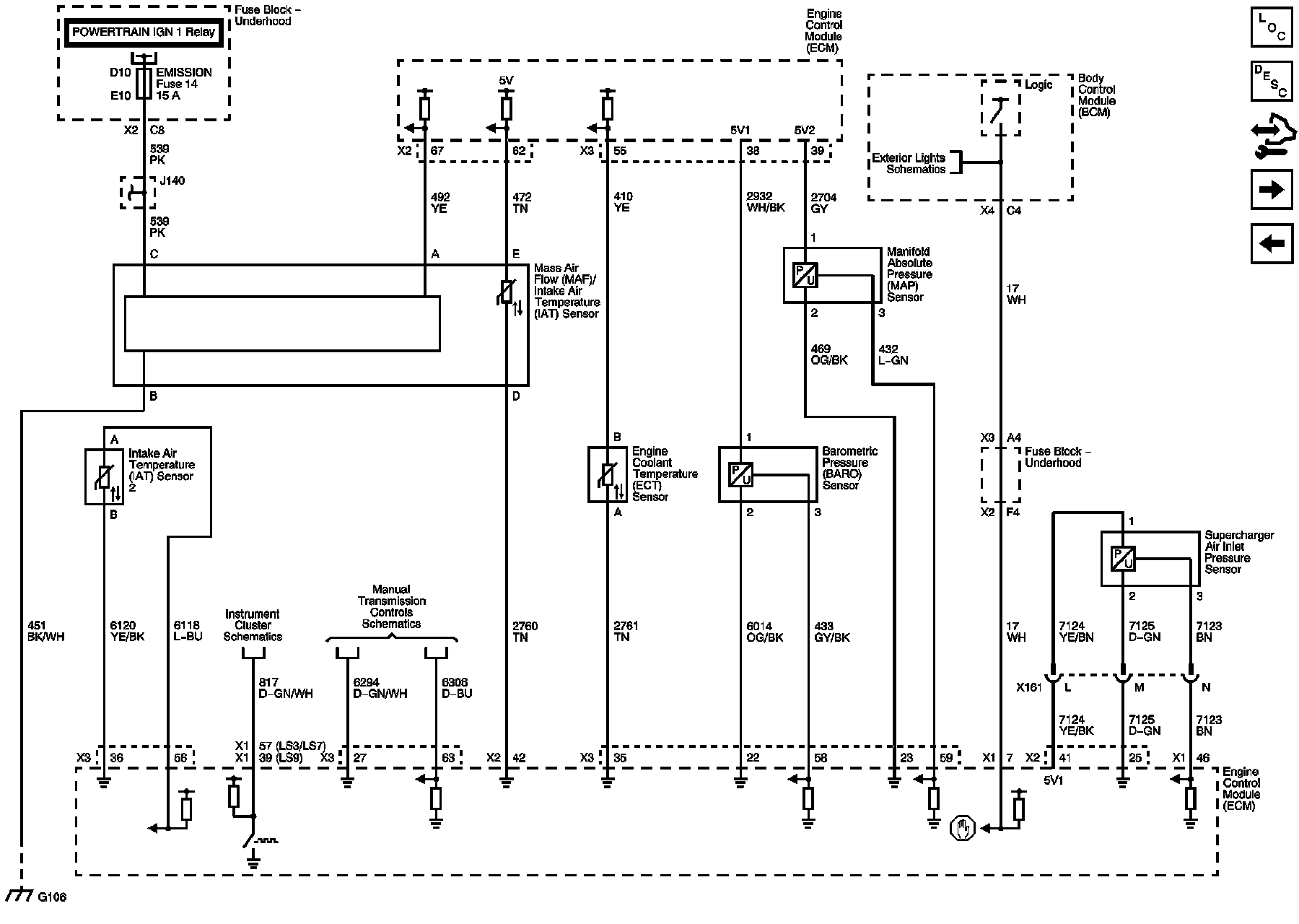
BARO, ECT, IAT 2, MAF/IAT, MAP, and Supercharger Air Inlet Pressure Sensors






Heated Oxygen Sensors






Electronic Throttle Controls






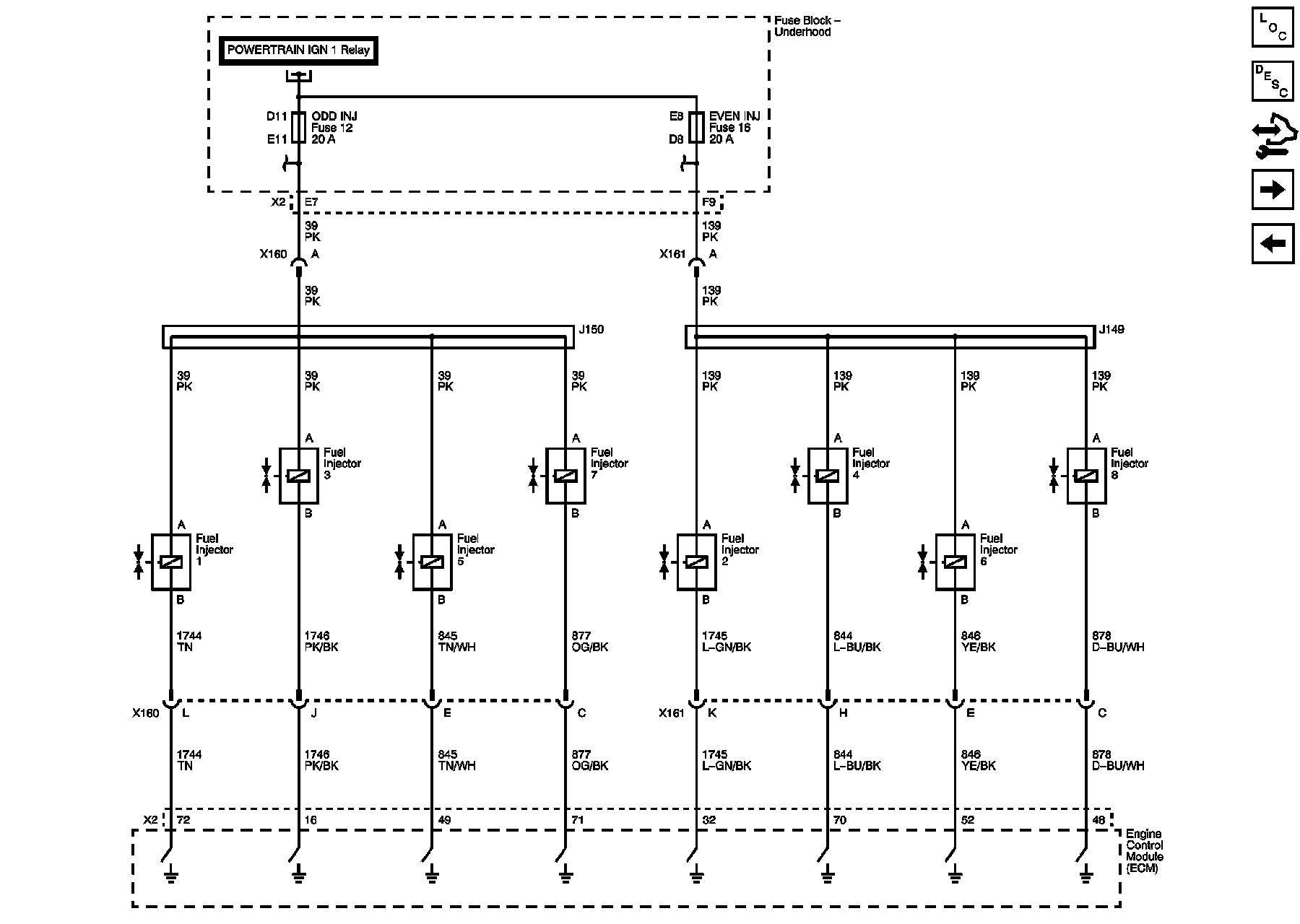
Fuel Injectors






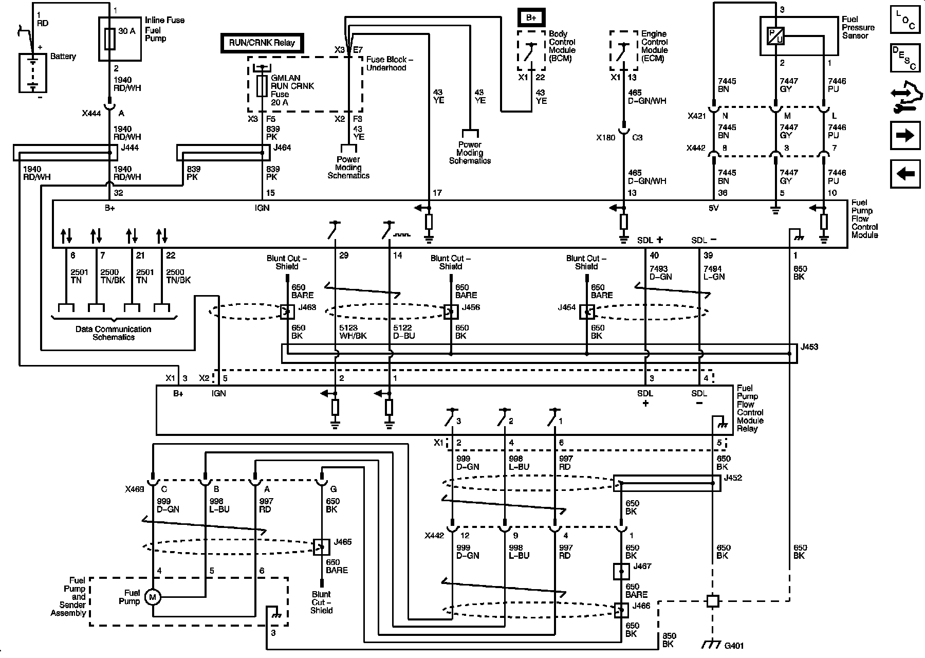
Fuel Pump Controls






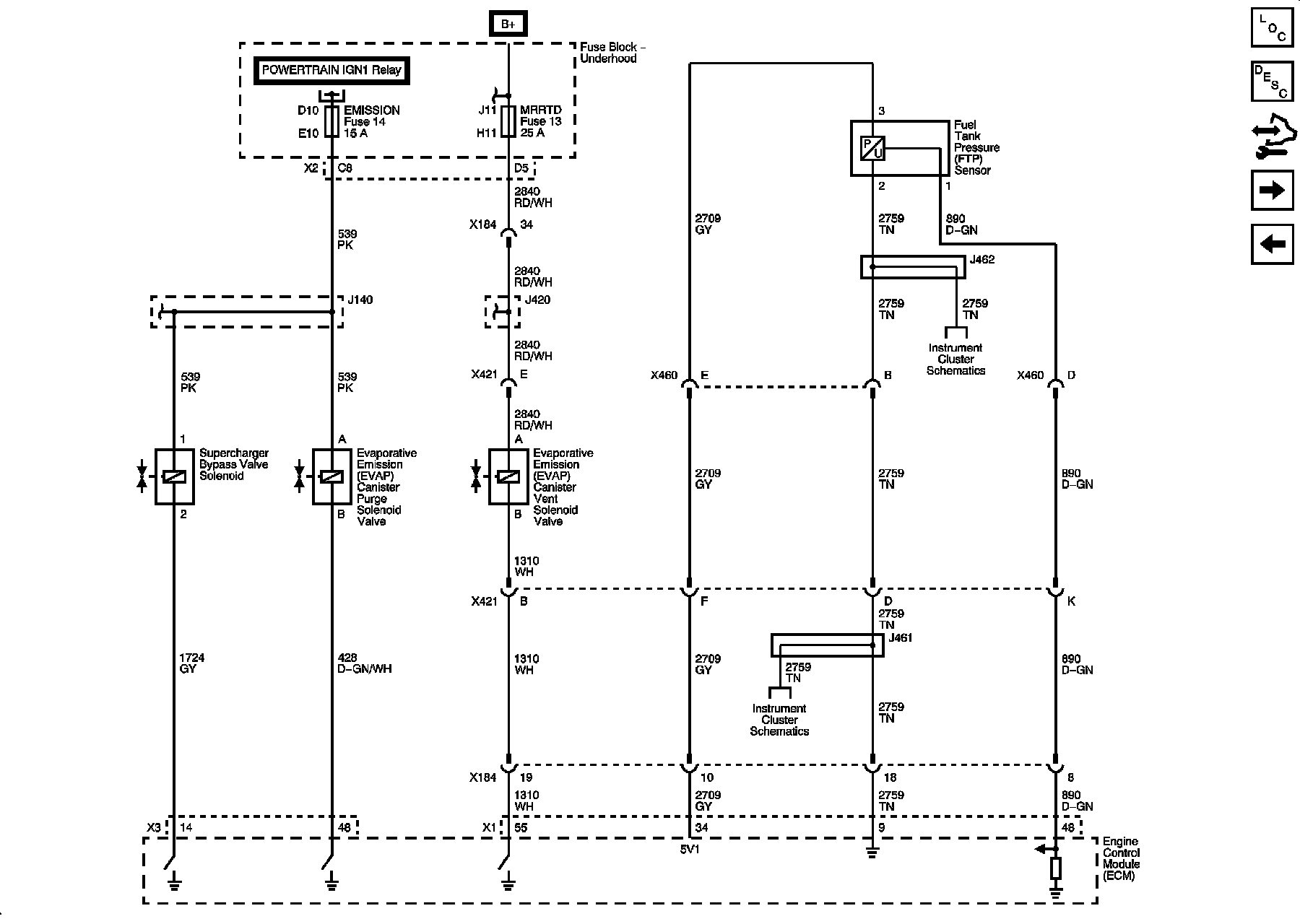
EVAP Solenoids, FTP Sensor, and Supercharger Bypass Valve Solenoid






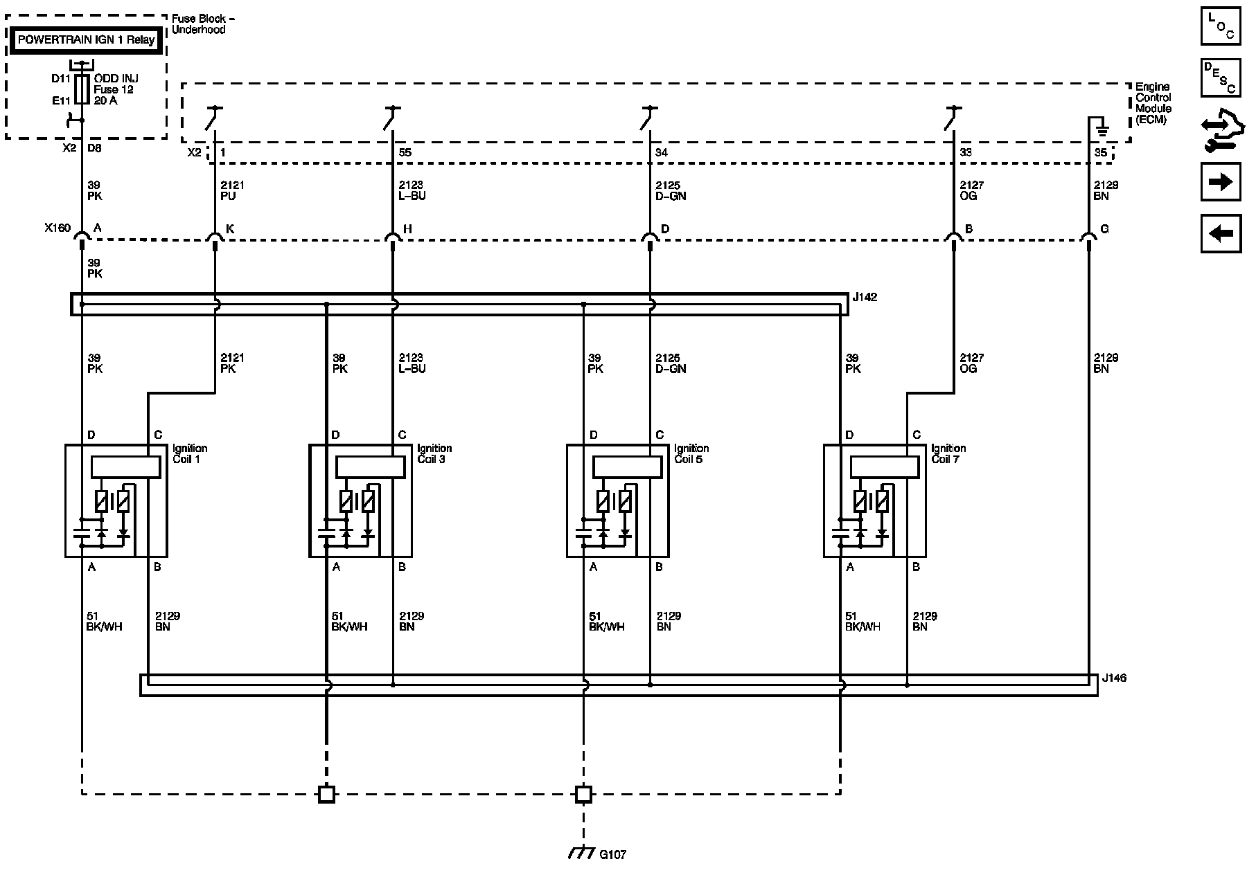
Ignition Controls - Bank 1 (Odd) Ignition Coils






Ignition Controls - Bank 2 (Even) Ignition Coils






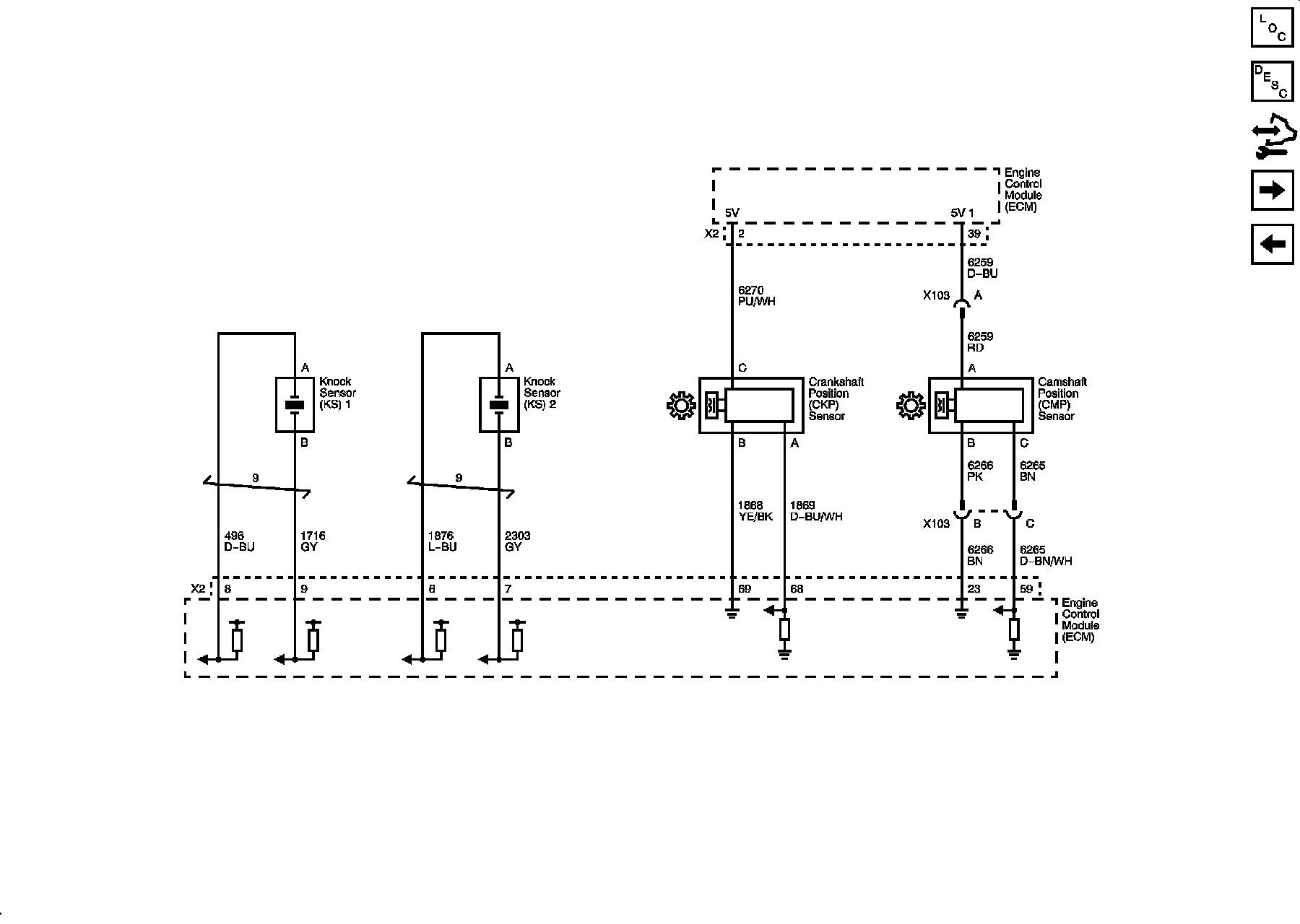
Ignition Controls - CKP, CMP, and Knock Sensors






Controlled/Monitored Subsystem References