Operation CHARM: Car repair manuals for everyone.
Manuals through 2025 now available!

Our trusted friends have launched a new website named LEMON, which has newer manuals. It also contains all the CHARM manuals.

LEMON is the spiritual successor to CHARM, I recommend you try it!

Link: lemon-manuals.la or lemon-manuals.org.ua

(Some people have issue connecting. LEMON is investigating. For now, use Firefox or change your DNS server)

Or, hide this message: temporarily or permanently

System Diagram




Engine Controls Schematics (LS3)

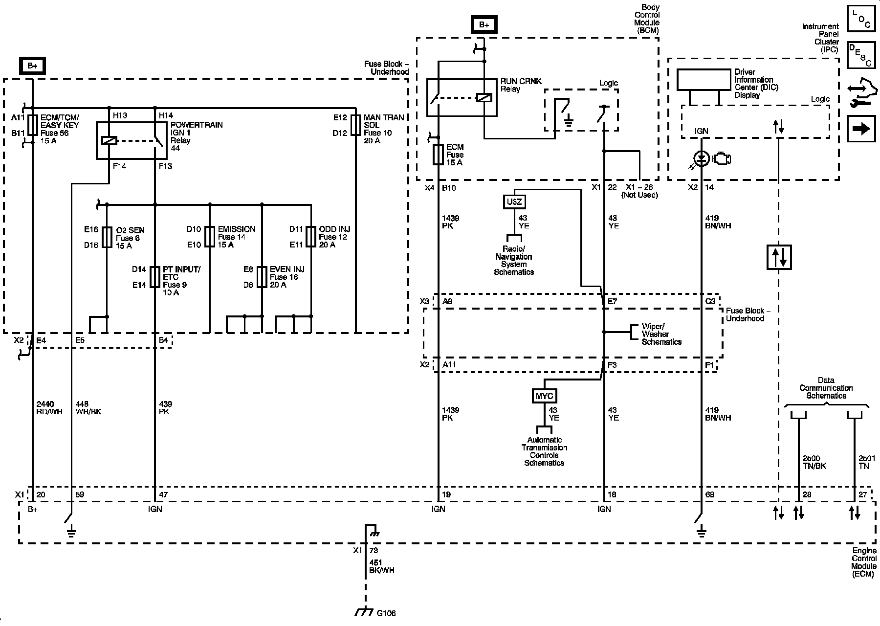
ECM Power, Ground, MIL, and Serial Data





5V1, 5V2, and Low Reference Bus (1 of 2)





Low Reference Bus (2 of 2)






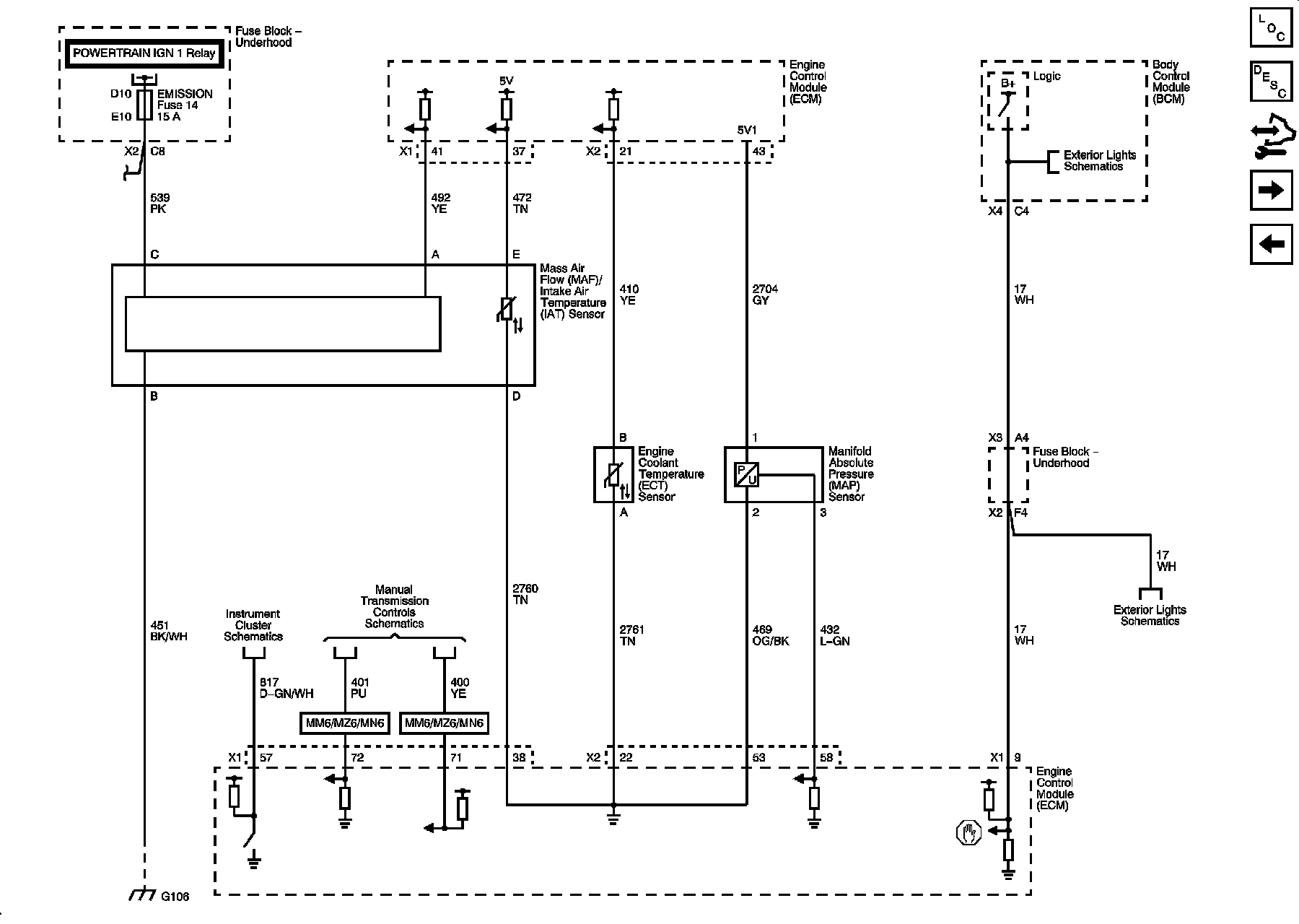
ECT, MAF/IAT, and MAP Sensors





Heated Oxygen Sensors





Electronic Throttle Controls






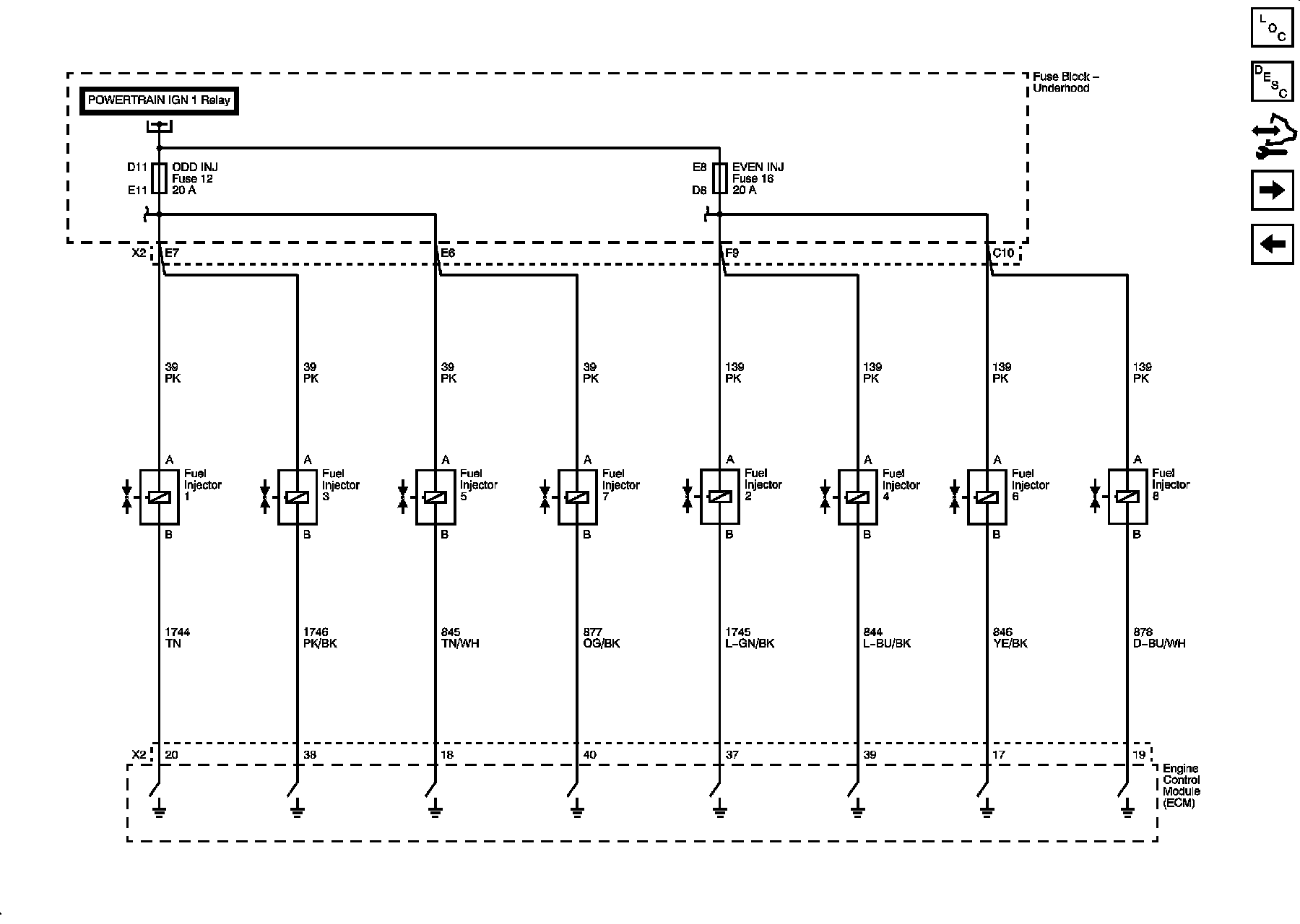
Fuel Injectors





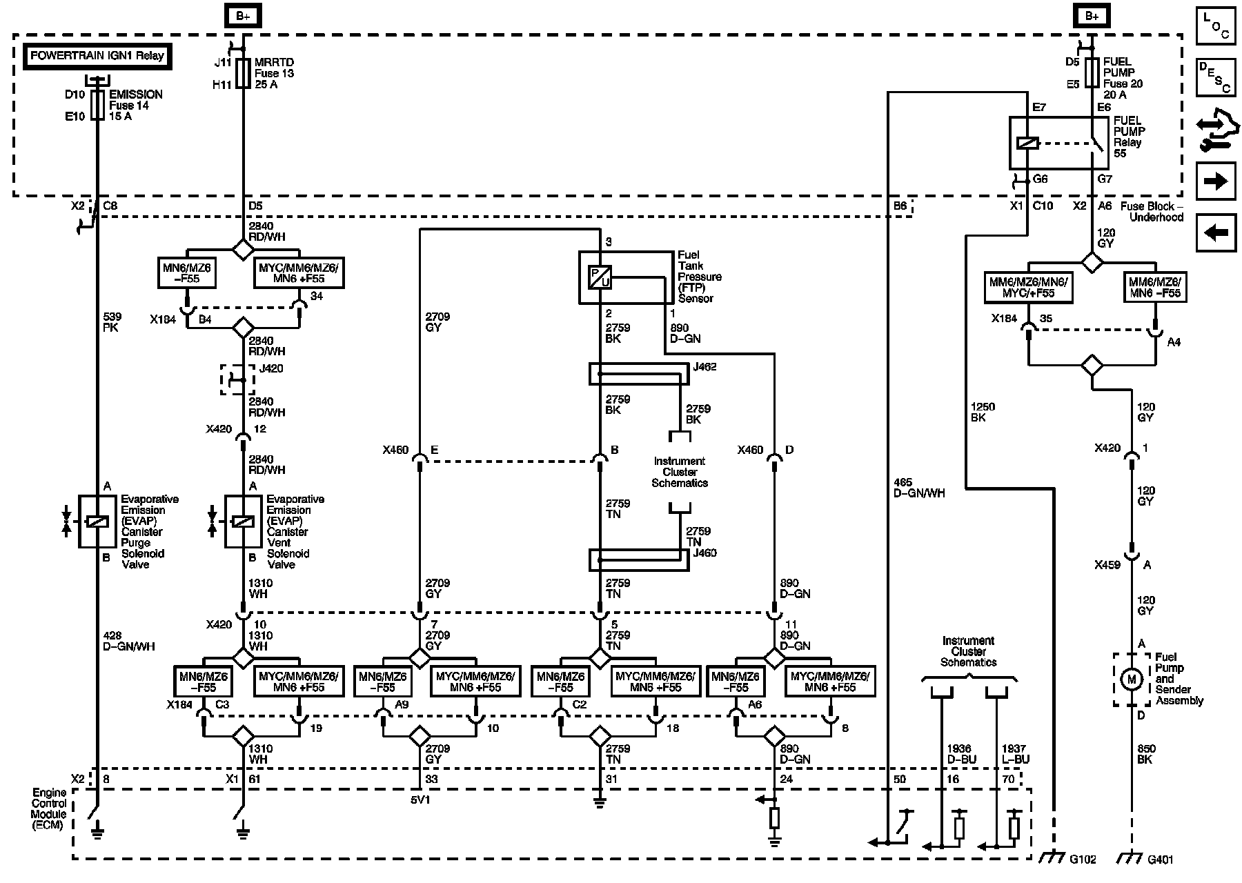
EVAP Solenoids, FTP Sensor, and Fuel Pump Controls






Ignition Controls - Bank 1 (Odd) Ignition Coils






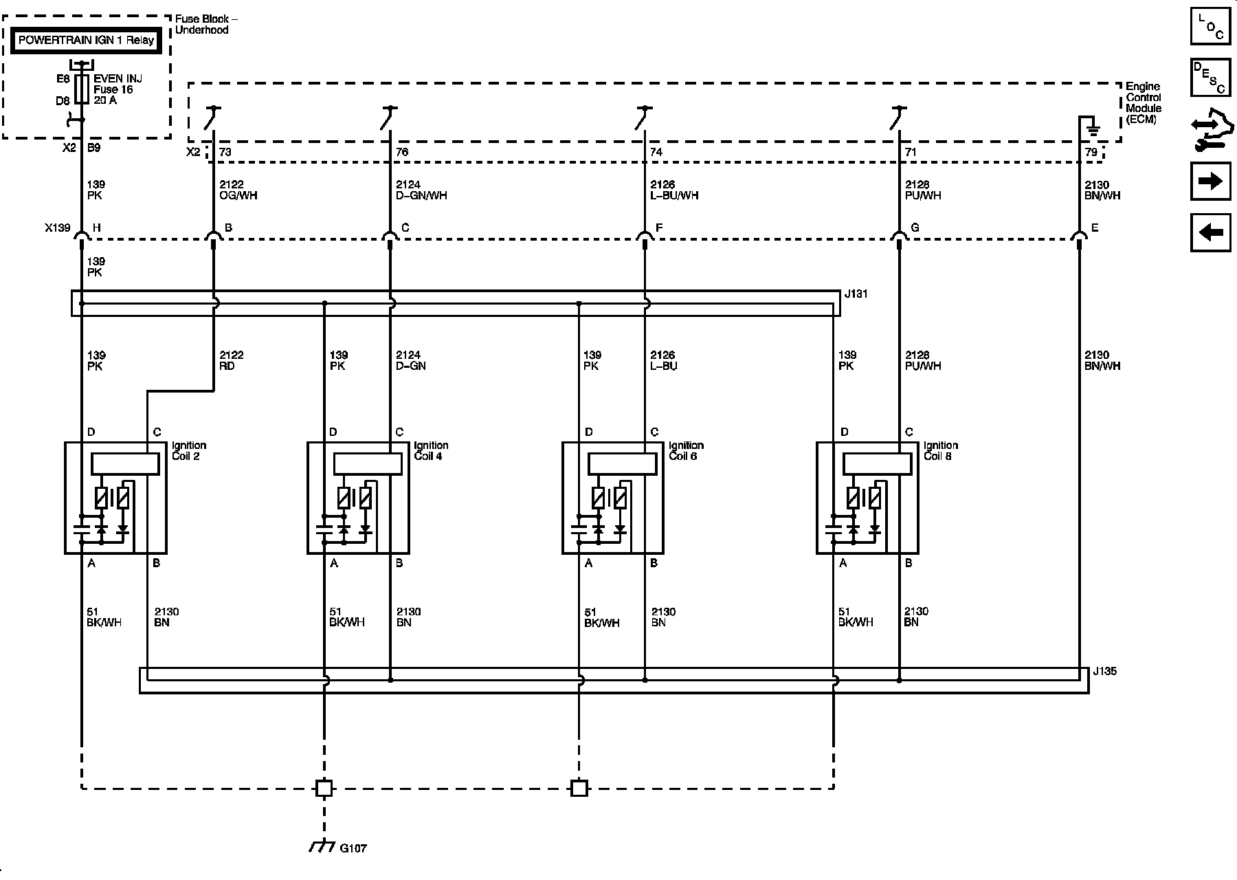
Ignition Controls - Bank 2 (Even) Ignition Coils






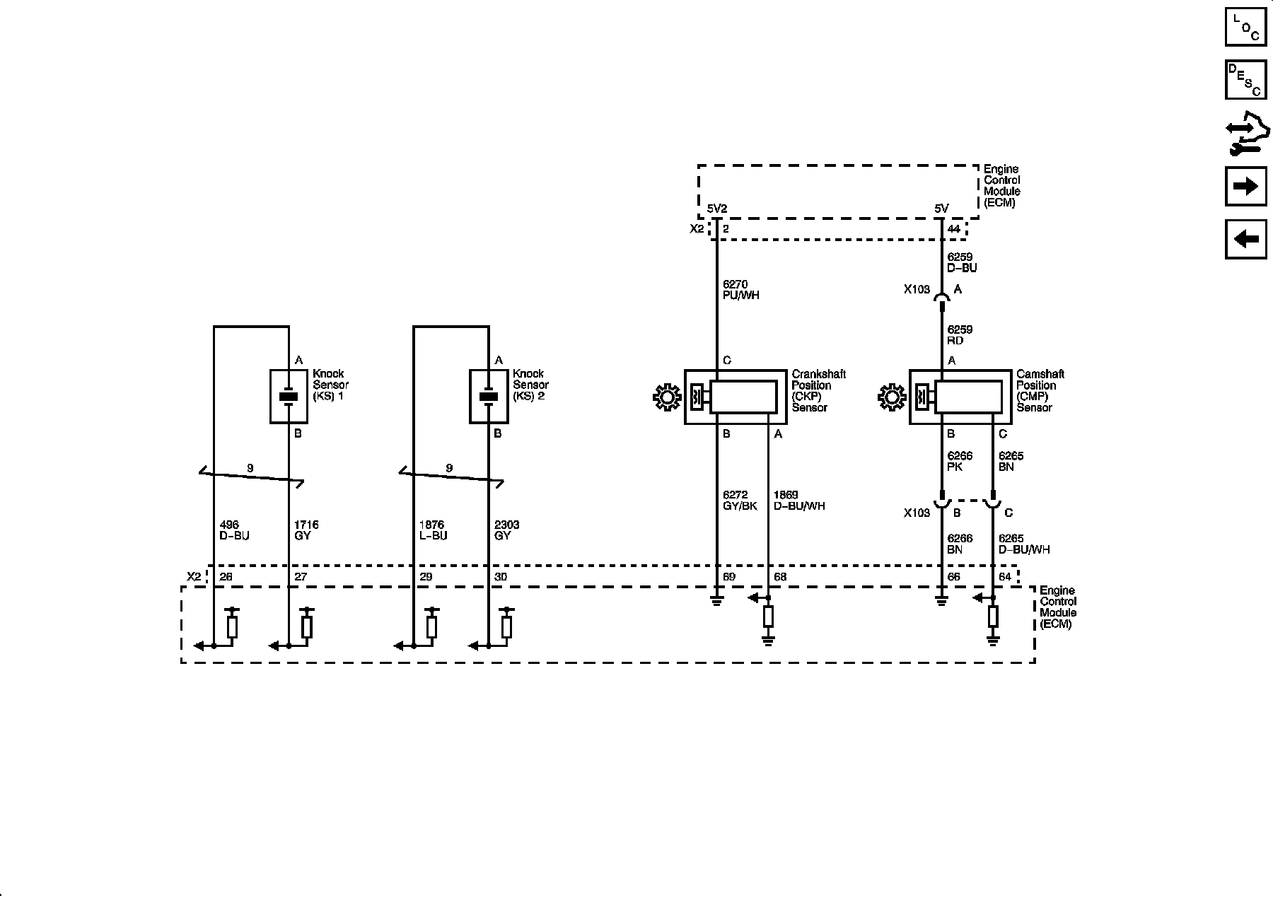
Ignition Controls - CKP, CMP, and Knock Sensors






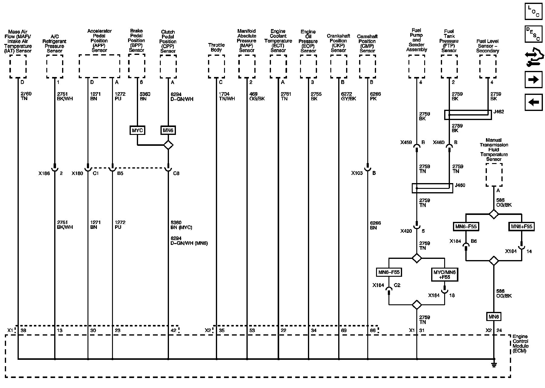
Controlled/Monitored Subsystem References