Power Distribution Schematics
Power Distribution Schematics
Fuse Block - Underhood Bussing
Ignition Mode Switch
AMP, ABS, BATT2, COOLFAN, ECM/TCM/EASY KEY, HORN/ALT SENSE, HVAC, and MRRTD Fuses
BATT1, DRVR HTD SEAT, PASS HTD SEAT Fuses, and PWR/WNDWS TRUNK/FUEL RELSE, PWR SEATS MSM Circuit Breakers
AUX PWR, LTR, and TRUNK RELSE Fuses
BATT5, DRIV DR SWTCH, IGN SWTCH/INTR SNSR, ONSTAR, TELE SWTCH/MSM and TPA Fuses
BATT3, BTSI SOL/STR WHL LCK, RDO/S-BAND/VICS, REAR FOG/ALDT/TOP SWTCH, REVERSE LAMPS, STOP/B/U/LAMPS, and TONNEAU RELSE Fuses
CLSTR/HUD, CRUISE SWTCH, CTSY/LAMP, DR LCK, EXH MDL, HVAC/PWR SND, and ISRVM/HVAC Fuses
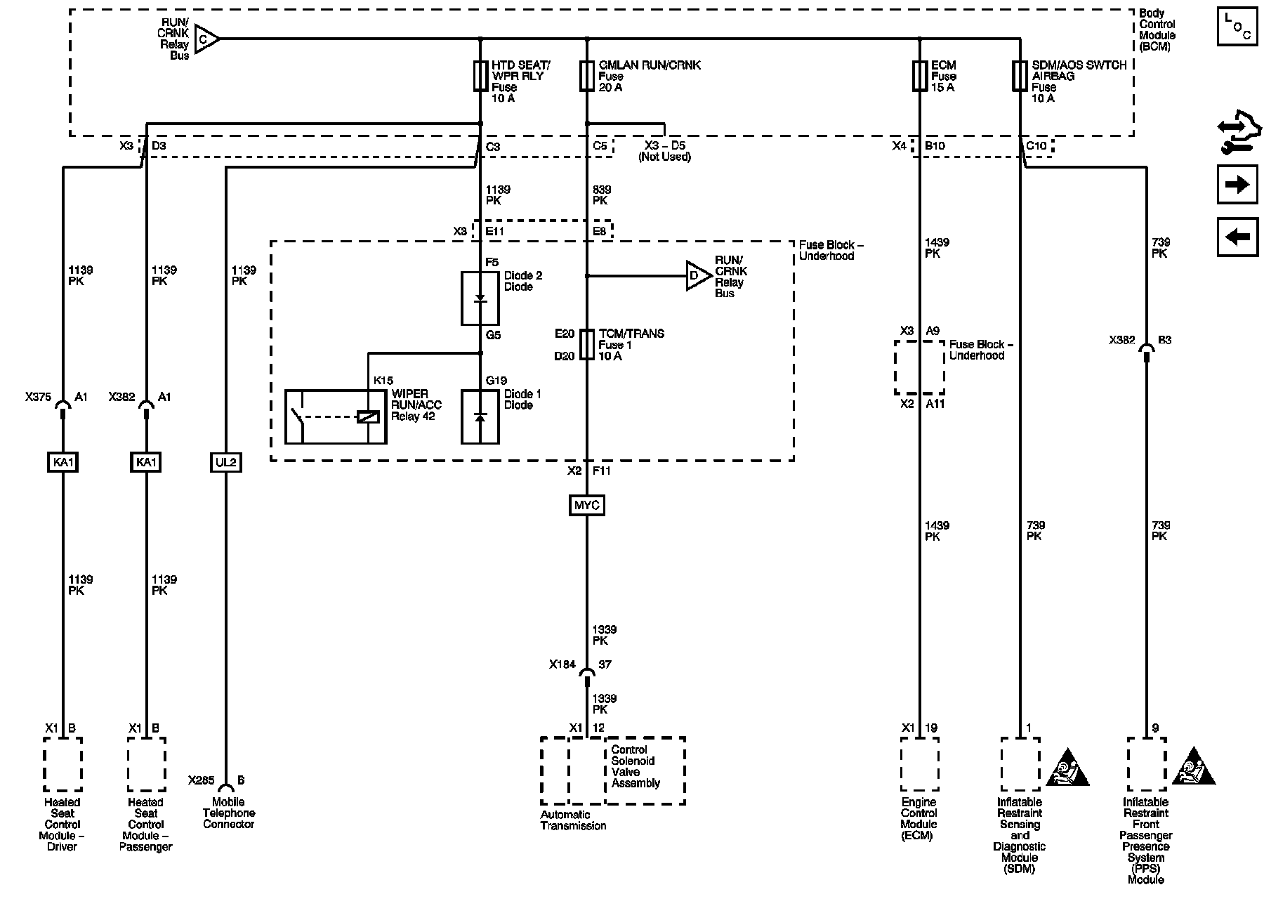
ECM, GMLAN RUN/CRNK, HTD SEAT/WPR RLY, SDM/AOS SWTCH AIRBAG, and TCM/TRANS Fuses
ABS/MRRTD Fuse
EMISSION, MAN TRAN SOL, O2 SEN, and PT INPUT/ECT Fuses
A/C COMP, ODD INJ, EVEN INJ Fuses, and POWERTRAIN IGN 1 Relay
LT HI BM, LT LO BM, RT HI BM, RT LO BM, WIPER, WPR DWELL, WPR/WSW, and W/A WASH Fuses