Operation CHARM: Car repair manuals for everyone.
Manuals through 2025 now available!

Our trusted friends have launched a new website named LEMON, which has newer manuals. It also contains all the CHARM manuals.

LEMON is the spiritual successor to CHARM, I recommend you try it!

Link: lemon-manuals.la or lemon-manuals.org.ua

(Some people have issue connecting. LEMON is investigating. For now, use Firefox or change your DNS server)

Or, hide this message: temporarily or permanently

Battery Positive and Negative Cable Replacement




Battery Positive and Negative Cable Replacement (LS3)

Removal Procedure

1. Disconnect the negative cable lead from the battery. Refer to Battery Negative Cable Disconnection and Connection (LS7 or LS9) Battery Negative Cable Disconnection and ConnectionBattery Negative Cable Disconnection and Connection (LS3) Battery Negative Cable Disconnection and Connection.




2. Disconnect the positive cable lead (2) from the battery.

3. Remove the battery tray. Refer to Battery Tray Replacement Service and Repair.

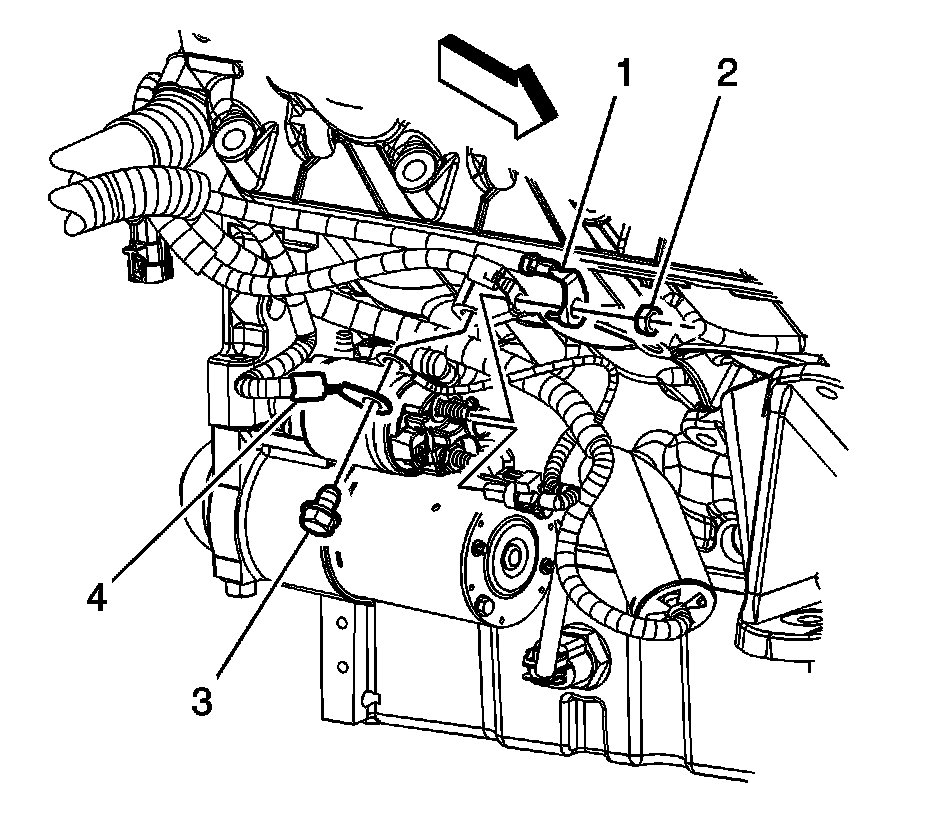
4. Remove the battery positive cable to fuse/relay center nut (6) and disconnect the cable (5) from the stud.

5. Remove the battery ground cable nut (4) and disconnect the cable (3) from the stud.

6. Raise and support the vehicle. Refer to Lifting and Jacking the Vehicle Service and Repair.

7. Remove the starter. Refer to Starter Replacement Service and Repair.




8. Remove the battery positive/negative cable to engine bolt (3).

9. Remove the battery positive/negative cable from the vehicle.

Installation Procedure

1. Position the battery positive/negative cable to the vehicle.





Caution: Refer to Fastener Caution Fastener Caution.

2. Position the negative battery cable (4) and install the battery positive/negative cable to engine bolt and tighten to 40 Nm (30 lb ft).

3. Install the starter. Refer to Starter Replacement Service and Repair.

4. Lower the vehicle.




5. Position the battery ground cable (3) and install the battery ground cable nut (4) and tighten to 8 Nm (71 lb in).

6. Position the battery positive cable (5) to the stud and install the battery positive cable to fuse/relay center nut (6) and tighten to 10 Nm (89 lb in).

7. Install the battery tray. Refer to Battery Tray Replacement Service and Repair.

8. Connect the positive cable lead (2) to the battery and tighten to 8 Nm (71 lb in).

9. Connect the negative cable lead to the battery. Refer to Battery Negative Cable Disconnection and Connection (LS7 or LS9) Battery Negative Cable Disconnection and ConnectionBattery Negative Cable Disconnection and Connection (LS3) Battery Negative Cable Disconnection and Connection.