Operation CHARM: Car repair manuals for everyone.
Manuals through 2025 now available!

Our trusted friends have launched a new website named LEMON, which has newer manuals. It also contains all the CHARM manuals.

LEMON is the spiritual successor to CHARM, I recommend you try it!

Link: lemon-manuals.la or lemon-manuals.org.ua

(Some people have issue connecting. LEMON is investigating. For now, use Firefox or change your DNS server)

Or, hide this message: temporarily or permanently

Power Distribution Schematics




Power Distribution Schematics

Fuse Block - Underhood Bussing






Ignition Mode Switch






AMP, ABS, BATT2, COOLFAN, ECM/TCM/EASY KEY, HORN/ALT SENSE, HVAC, and MRRTD Fuses






BATT1, DRVR HTD SEAT, PASS HTD SEAT Fuses, and PWR/WNDWS TRUNK/FUEL RELSE, PWR SEATS MSM Circuit Breakers






AUX PWR, LTR, and TRUNK RELSE Fuses






BATT5, DRIV DR SWTCH, IGN SWTCH/INTR SNSR, ONSTAR, TELE SWTCH/MSM and TPA Fuses






BATT3, BTSI SOL/STR WHL LCK, RDO/S-BAND/VICS, REAR FOG/ALDT/TOP SWTCH, REVERSE LAMPS, STOP/B/U/LAMPS, and TONNEAU RELSE Fuses






CLSTR/HUD, CRUISE SWTCH, CTSY/LAMP, DR LCK, EXH MDL, HVAC/PWR SND, and ISRVM/HVAC Fuses






ECM, GMLAN RUN/CRNK, HTD SEAT/WPR RLY, SDM/AOS SWTCH AIRBAG, and TCM/TRANS Fuses






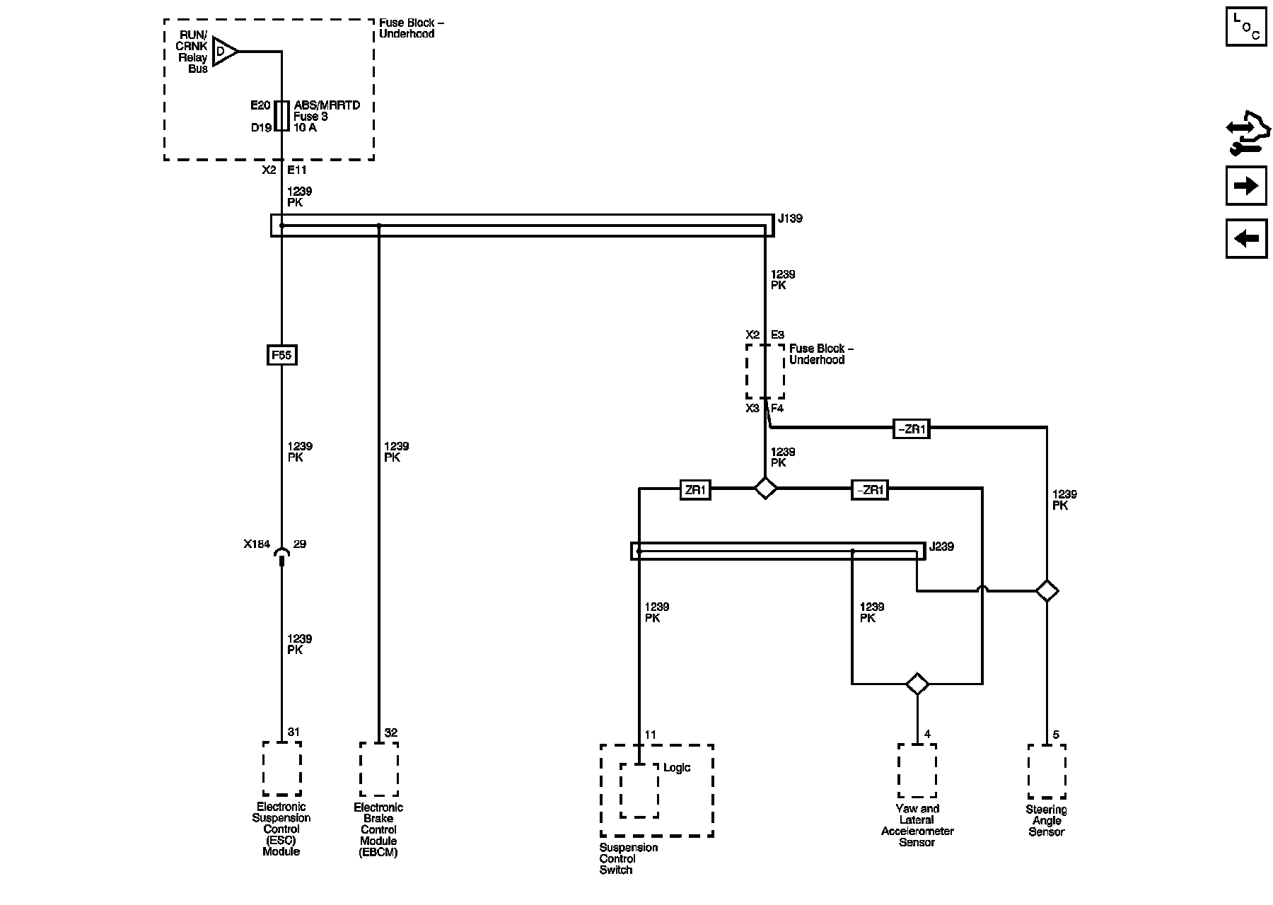
ABS/MRRTD Fuse






EMISSION, MAN TRAN SOL, O2 SEN, and PT INPUT/ECT Fuses






A/C COMP, ODD INJ, EVEN INJ Fuses, and POWERTRAIN IGN 1 Relay






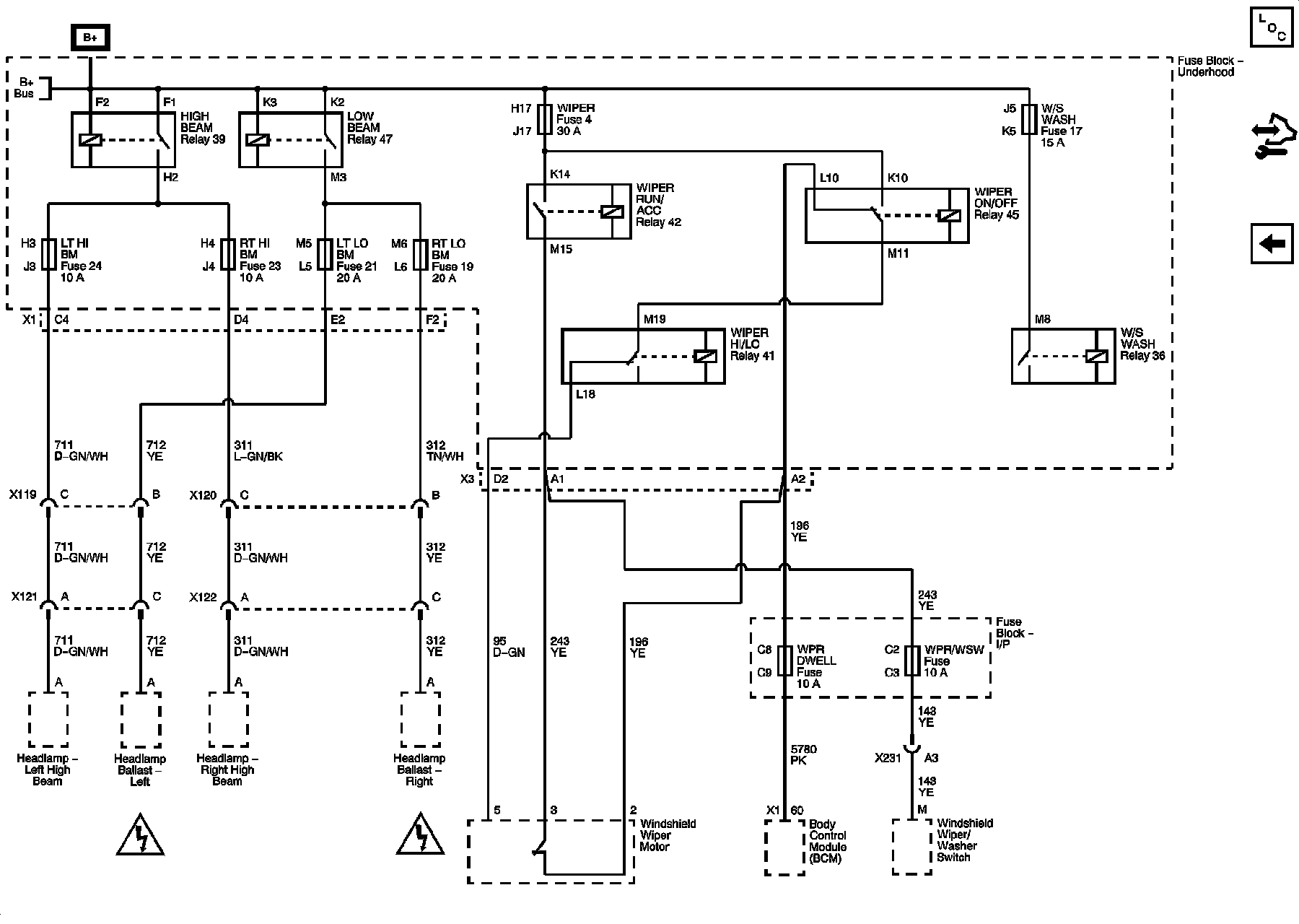
LT HI BM, LT LO BM, RT HI BM, RT LO BM, WIPER, WPR DWELL, WPR/WSW, and W/A WASH Fuses