Electrical Diagrams
Engine Controls Schematics
Module Power, Ground, Serial Data, and MIL
5V1, and Low Reference Bus (1 of 2)
5V2, 5V3, 5V4, and Low Reference Bus (2 of 2)
Engine Data Sensors - Pressure, Temperature, and Throttle Controls
Engine Data Sensors - Oxygen Sensors
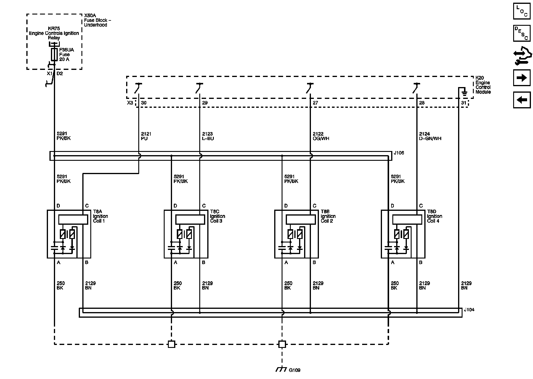
Ignition Controls - Ignition System
Ignition Controls - Camshaft, Crankshaft, and Knock Sensors, and Camshaft Actuators
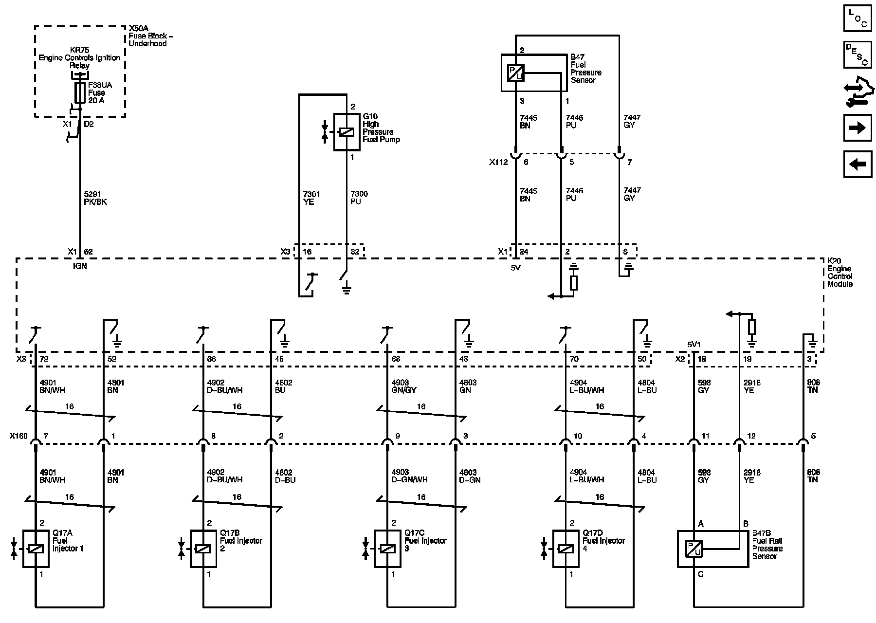
Fuel Controls - Fuel Injectors
Fuel Controls - Fuel Pump
Fuel Controls - Evaporative Emission and Fuel Economy Mode Controls
Controlled/Monitored Subsystem References