Operation CHARM: Car repair manuals for everyone.
Manuals through 2025 now available!

Our trusted friends have launched a new website named LEMON, which has newer manuals. It also contains all the CHARM manuals.

LEMON is the spiritual successor to CHARM, I recommend you try it!

Link: lemon-manuals.la or lemon-manuals.org.ua

(Some people have issue connecting. LEMON is investigating. For now, use Firefox or change your DNS server)

Or, hide this message: temporarily or permanently

Engine: Locations





Disassembled Views (LCV)

Camshaft Cover and Components





1 - PCV Tube Assembly

2 - PCV Valve Bolt

3 - PCV Valve

4 - Camshaft Cover Plug

5 - PCV Valve

6 - Engine Coolant Air Bleed Pipe Bolt

7 - PCV Valve Bolt

8 - Engine Coolant Air Bleed Pipe

9 - Ignition Coil Bolt

10 - Ignition Coil

11 - Spark Plug

12 - Camshaft Cover Bolt

13 - Camshaft Cover Bolt

14 - Oil Level Indicator

15 - Camshaft Housing Cover Heat Shield Bolt

16 - Camshaft Housing Cover Heat Shield

17 - Camshaft Position Actuator Control Solenoid Valve Bolt - Exhaust

18 - Camshaft Position Actuator Control Solenoid Valve - Exhaust

19 - Spark Plug Shield Seal

20 - Camshaft Cover Gasket

21 - Camshaft Cover

22 - Camshaft Position Actuator Control Solenoid Valve - Intake

23 - Camshaft Position Actuator Control Solenoid Valve Bolt - Intake

Cylinder Head and Components





1 - Fuel Injector Wiring Harness

2 - Fuel Injection Fuel Rail Bolt

3 - Fuel Rail Insulator Bushing

4 - Fuel Rail Insulator Washer

5 - Fuel Rail Insulator Washer

6 - Fuel Rail Insulator Sleeve

7 - Fuel Injection Fuel Rail

8 - Fuel Injector Holding Clamp

9 - Fuel Injector Retainer

10 - Fuel Injection Fuel Rail O-Ring Seal

11 - Fuel Injector Seal Spacer

12 - Direct Fuel Injector Assembly

13 - Fuel Injector Nozzle Housing Seal

14 - Fuel Injector Nozzle Housing Seal

15 - Vacuum Pump Seal

16 - Vacuum Pump Assembly

17 - Engine Rear Lift Bracket

18 - Engine Rear Lift Bracket Bolt

19 - Vacuum Pump Bolt

20 - Vacuum Pump Gasket

21 - Camshaft Bearing Cap Bolt

22 - Camshaft Bearing Cap

23 - Camshaft Bearing Cap

24 - Intake Camshaft

25 - Exhaust Camshaft

26 - Cylinder Head Locating Pin

27 - Cylinder Head Oil Gallery Plug

28 - Cylinder Head

29 - Camshaft Position Sensor

30 - Camshaft Position Sensor Bolt

31 - Cylinder Head Oil Gallery Restrictor

32 - Camshaft Position Sensor

33 - Camshaft Position Sensor Bolt

34 - Intake Valve

35 - Exhaust Valve

36 - Cylinder Head Oil Gallery Plug

37 - Cylinder Head Oil Gallery Plug

38 - Engine Front Lift Bracket Bolt

39 - Engine Front Lift Bracket

40 - Valve Lifter Follower

41 - Cylinder Head Core Hole Plug

42 - Valve Stem Oil Seal

43 - Valve Spring

44 - Valve Spring Retainer

45 - Valve Stem Key

46 - Hydraulic Valve Lash Adjuster

47 - Valve Rocker Arm

48 - Camshaft Bearing Front Lower Cap

49 - Camshaft Bearing Front Cap

50 - Timing Chain Cam to Cam Guide

51 - Camshaft Bearing Cap Bolt

52 - Timing Chain Guide Bolt

Intake Manifold and Components





1 - Intake Manifold Sight Shield Bolt

2 - Intake Manifold Sight Shield

3 - Oil Fill Cap

4 - Evaporative Emission Canister Purge Valve Assembly

5 - Intake Manifold Bolt

6 - Intake Manifold

7 - Intake Manifold Bolt

8 - Manifold Absolute Pressure (MAP) Sensor Bolt

9 - Manifold Absolute Pressure (MAP) Sensor

10 - Fuel Rail Noise Shield

11 - Fuel Pump Cover

12 - Fuel Pump Cover Bolt

13 - Fuel Feed Intermediate Pipe Assembly

14 - Fuel Pump Insulator

15 - Fuel Pump Bolt

16 - Fuel Pump

17 - Fuel Pump Housing Gasket

18 - Fuel Pump Housing O-Ring Seal

19 - Throttle Body Assembly Gasket

20 - Throttle Body Assembly

21 - Throttle Body Assembly Bolt

22 - Intake Manifold Gasket

Exhaust Manifold and Components





1 - Secondary Air Injection Check Valve Gasket

2 - Secondary Air Injection Check Valve

3 - Secondary Air Injection Check Valve Bolt

4 - Exhaust Manifold Heat Shield

5 - Exhaust Manifold Heat Shield Bolt

6 - Heated Oxygen Sensor Assembly

7 - Exhaust Manifold Heat Shield Bolt

8 - Exhaust Manifold

9 - Exhaust Manifold Bolt

10 - Exhaust Manifold Gasket

11 - Water Pump Rear Housing

12 - Water Pump Bolt

13 - Engine Coolant Thermostat Housing Gasket

14 - Engine Coolant Thermostat Housing

15 - Engine Coolant Thermostat Housing Bolt

16 - Water Pump Housing Bolt

17 - Water Pump Front Housing

18 - Water Pump Inlet Gasket

19 - Water Pump Gasket

20 - Thermal Bypass Pipe Gasket

21 - Thermal Bypass Pipe Bolt

22 - Thermal Bypass Pipe

23 - Thermal Bypass Hose Clamp

24 - Thermal Bypass Hose

25 - Thermal Bypass Hose Clamp

26 - Water Outlet Bolt

27 - Engine Coolant Temperature Sensor Retainer

28 - Engine Coolant Temperature Sensor

29 - Water Outlet

30 - Water Outlet Gasket

Engine Block and Components





1 - Cylinder Head Gasket

2 - Cylinder Head Locating Pin

3 - Piston Upper Compression Ring

4 - Piston Lower Compression Ring

5 - Piston Oil Ring Rail

6 - Piston Oil Ring Rail Spacer

7 - Piston Oil Ring Rail

8 - Piston Pin Retainer

9 - Piston Pin

10 - Piston Pin Retainer

11 - Piston

12 - Connecting Rod

13 - Connecting Rod Bearing

14 - Connecting Rod Bearing

15 - Connecting Rod Cap

16 - Connecting Rod Bolt

17 - Engine Block Oil Gallery Plug

18 - Engine Block Oil Gallery Plug

19 - Engine Block Oil Gallery Plug

20 - Crankshaft Rear Oil Seal

21 - Automatic Transmission Flex Plate

22 - Automatic Transmission Flex Plate Bolt

23 - Oil Pump Flow Control Valve Assembly Bolt

24 - Oil Pump Flow Control Valve Assembly

25 - Oil Pump Flow Control Valve Assembly Bolt

26 - Engine Block Oil Gallery Plug

27 - Engine Block Oil Gallery Plug

28 - Oil Pump and Compressor Heat Shield

29 - Oil Pump and Compressor Heat Shield Bolt

30 - Oil Filter

31 - Oil Filter Fitting

32 - Lower Crankcase Bolt

33 - Lower Crankcase

34 - Lower Crankcase Locating Pin

35 - Crankshaft Lower Bearing

36 - Crankshaft

37 - Crankshaft Upper Bearing

38 - Crankshaft Upper Thrust Bearing

39 - Piston Oil Nozzle Bolt

40 - Piston Oil Nozzle

41 - Engine Block

42 - Engine Front Cover Locating Pin

43 - Engine Oil Pressure Sensor

44 - Engine Coolant Heater

45 - Knock Sensor

46 - Engine Block Coolant Baffle

47 - Crankshaft Position Sensor Bolt

48 - Crankshaft Position Sensor

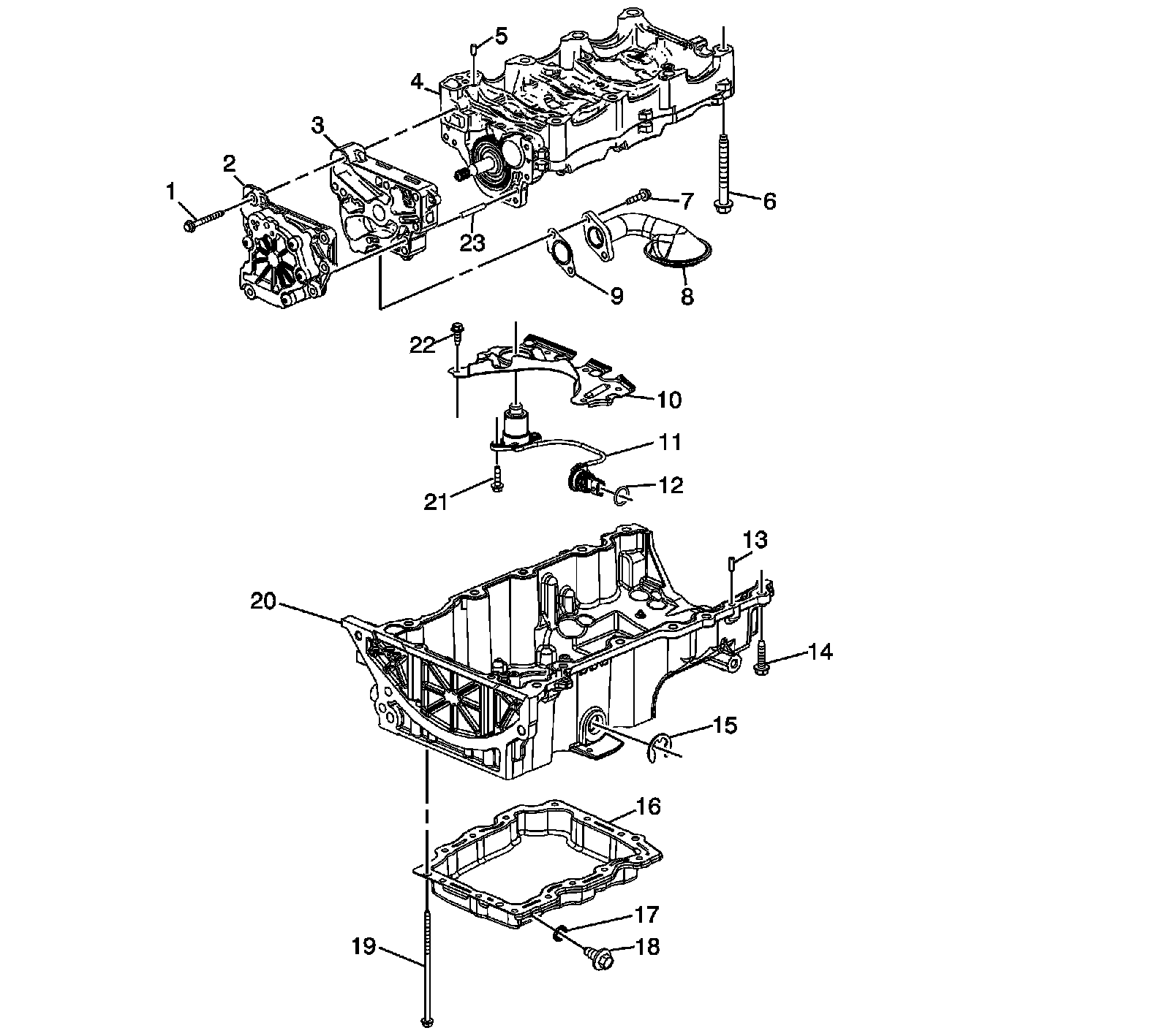
Upper and Lower Oil Pan and Components





1 - Oil Pump Assembly Bolt

2 - Oil Pump Assembly

3 - Oil Pump Cover

4 - Balancer Shaft Module

5 - Balancer Shaft Housing Locating Pin

6 - Balancer Shaft Housing Bolt

7 - Oil Pump Suction Pipe Bolt

8 - Oil Pump Screen Assembly with Suction Pipe

9 - Oil Pump Screen Gasket

10 - Oil Pan Baffle

11 - Engine Oil Level Indicator Switch

12 - Engine Oil Level Indicator Seal

13 - Oil Pan Locating Pin

14 - Oil Pan Bolt

15 - Engine Oil Level Sensor Lead Clip

16 - Lower Oil Pan

17 - Oil Pan Drain Plug Seal

18 - Oil Pan Drain Plug

19 - Oil Pan Bolt

20 - Upper Oil Pan

21 - Engine Oil Level Indicator Switch Bolt

22 - Oil Pan Baffle Bolt

23 - Oil Pump Locating Pin

Timing Chain and Components





1 - Engine Front Cover

2 - Timing Chain Tensioner Bolt

3 - Timing Chain Tensioner

4 - Timing Chain Tensioner Pivot Arm Bolt

5 - Timing Chain Tensioner Pivot Arm

6 - Timing Chain

7 - Camshaft Position Actuator Bolt

8 - Intake Camshaft Position Actuator

9 - Exhaust Camshaft Position Actuator

10 - Camshaft Position Actuator Bolt

11 - Timing Chain Oil Nozzle

12 - Timing Chain Guide

13 - Crankshaft Sprocket

14 - Balancer Chain

15 - Balancer Chain Tensioner Bolt

16 - Balancer Chain Tensioner

17 - Balancer Shaft Driven Sprocket

18 - Balancer Shaft Sprocket Bolt

19 - Balancer Chain Guide Bolt

20 - Balancer Chain Guide

21 - Timing Chain Guide Bolt

22 - Drive Belt Tensioner

23 - Drive Belt Tensioner Bolt

24 - Engine Front Cover Bolt

25 - Crankshaft Front Oil Seal

26 - Crankshaft Balancer

27 - Crankshaft Balancer Bolt

28 - Engine Front Cover Bolt

29 - Engine Front Cover Bolt

30 - Timing Chain Tensioner Cover

31 - Timing Chain Tensioner Cover Bolt

32 - Engine Front Cover Bolt

33 - Engine Front Cover Bolt

34 - Engine Front Cover Bolt