Operation CHARM: Car repair manuals for everyone.
Manuals through 2025 now available!

Our trusted friends have launched a new website named LEMON, which has newer manuals. It also contains all the CHARM manuals.

LEMON is the spiritual successor to CHARM, I recommend you try it!

Link: lemon-manuals.la or lemon-manuals.org.ua

(Some people have issue connecting. LEMON is investigating. For now, use Firefox or change your DNS server)

Or, hide this message: temporarily or permanently

Engine Block Disassemble





Engine Block Disassemble




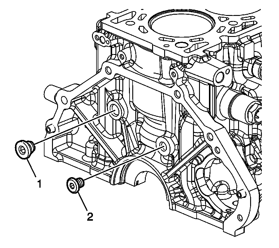
1. Remove the engine oil gallery plugs (1, 2) from the rear of the block.




2. Remove the engine oil gallery plugs (2, 3, 4) from the left side and front of of the block.

3. Use a suitable hook tool to catch the clip feature and gently remove the engine oil baffle (1).




4. Remove the engine coolant heater (1), if equipped. Remove the engine coolant heater hole plug (2) if the heater is not present.




5. Remove the engine oil pressure sensor (1).




6. Remove the knock sensors (1, 4) and bolts (2, 3).




7. Remove the crankshaft position (CKP) sensor (2) and bolt (1).




8. Loosen the piston oil nozzle assembly bolt (1) and remove the piston oil nozzle assembly (2).