Operation CHARM: Car repair manuals for everyone.
Manuals through 2025 now available!

Our trusted friends have launched a new website named LEMON, which has newer manuals. It also contains all the CHARM manuals.

LEMON is the spiritual successor to CHARM, I recommend you try it!

Link: lemon-manuals.la or lemon-manuals.org.ua

(Some people have issue connecting. LEMON is investigating. For now, use Firefox or change your DNS server)

Or, hide this message: temporarily or permanently

System Diagram




Engine Controls Schematics

Module Power, Ground, Serial Data, and MIL





5V and Low Reference Bus (1 of 2)






Low Reference Bus (2 of 2)






Engine Data Sensors - Humidity, Pressure, and Temperature






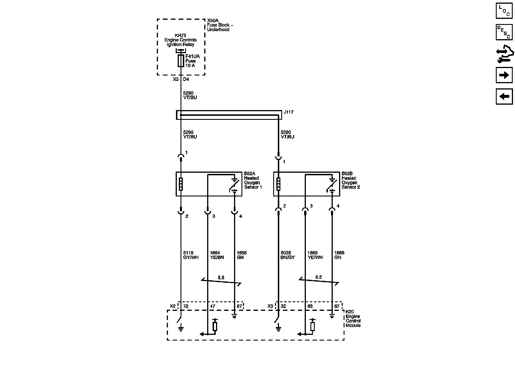
Engine Data Sensors - Oxygen Sensors






Engine Data Sensors - Throttle Controls






Ignition Controls - Ignition System






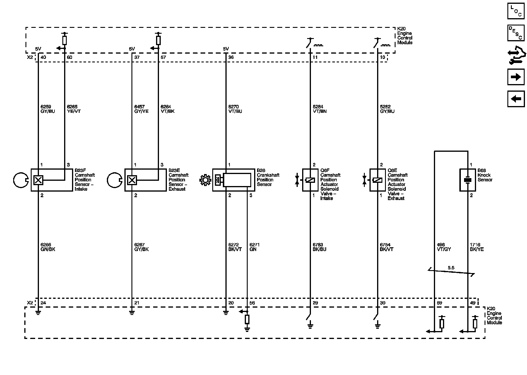
Ignition Controls - Camshaft, Crankshaft, and Knock Sensors, Camshaft Actuators






Fuel Controls - Fuel Injectors






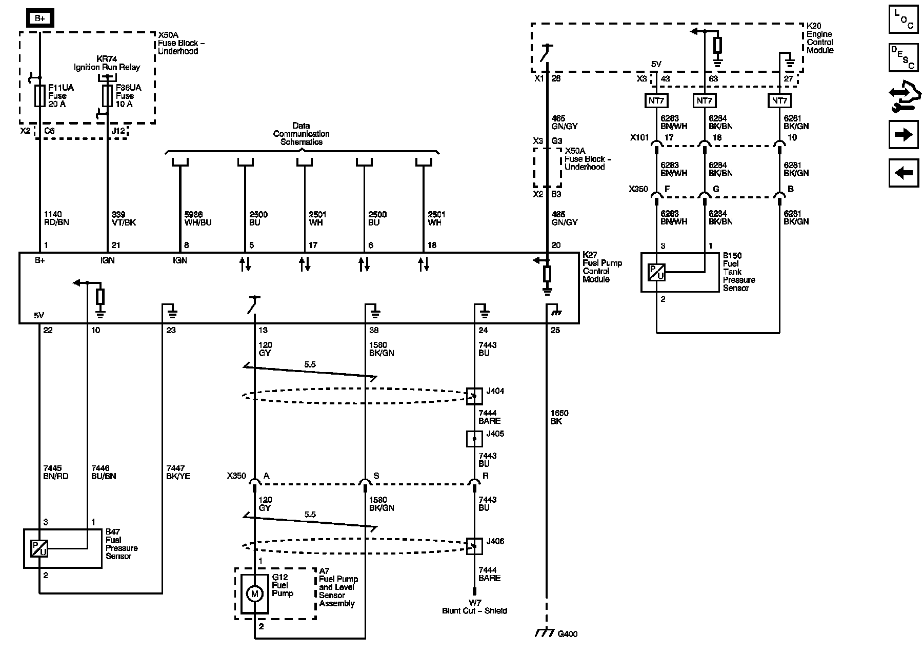
Fuel Controls - Fuel Pump and Fuel Pump Controls





Fuel Controls - Evaporative Emission and Device Controls






Controlled/Monitored Subsystem References