Operation CHARM: Car repair manuals for everyone.
Manuals through 2025 now available!

Our trusted friends have launched a new website named LEMON, which has newer manuals. It also contains all the CHARM manuals.

LEMON is the spiritual successor to CHARM, I recommend you try it!

Link: lemon-manuals.la or lemon-manuals.org.ua

(Some people have issue connecting. LEMON is investigating. For now, use Firefox or change your DNS server)

Or, hide this message: temporarily or permanently

Power Distribution Schematics




Power Distribution Schematics

B+ Bus (1 of 3)





B+ Bus (2 of 3)





B+ Bus (3 of 3)





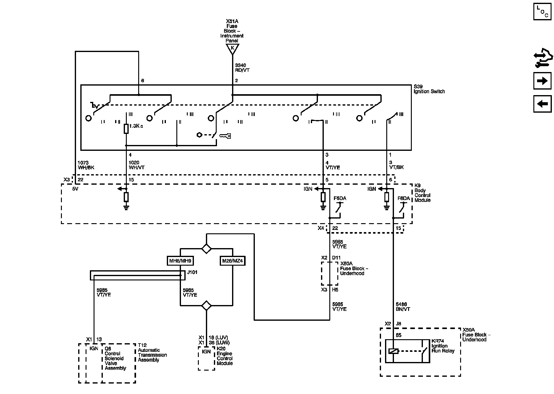
Ignition Switch





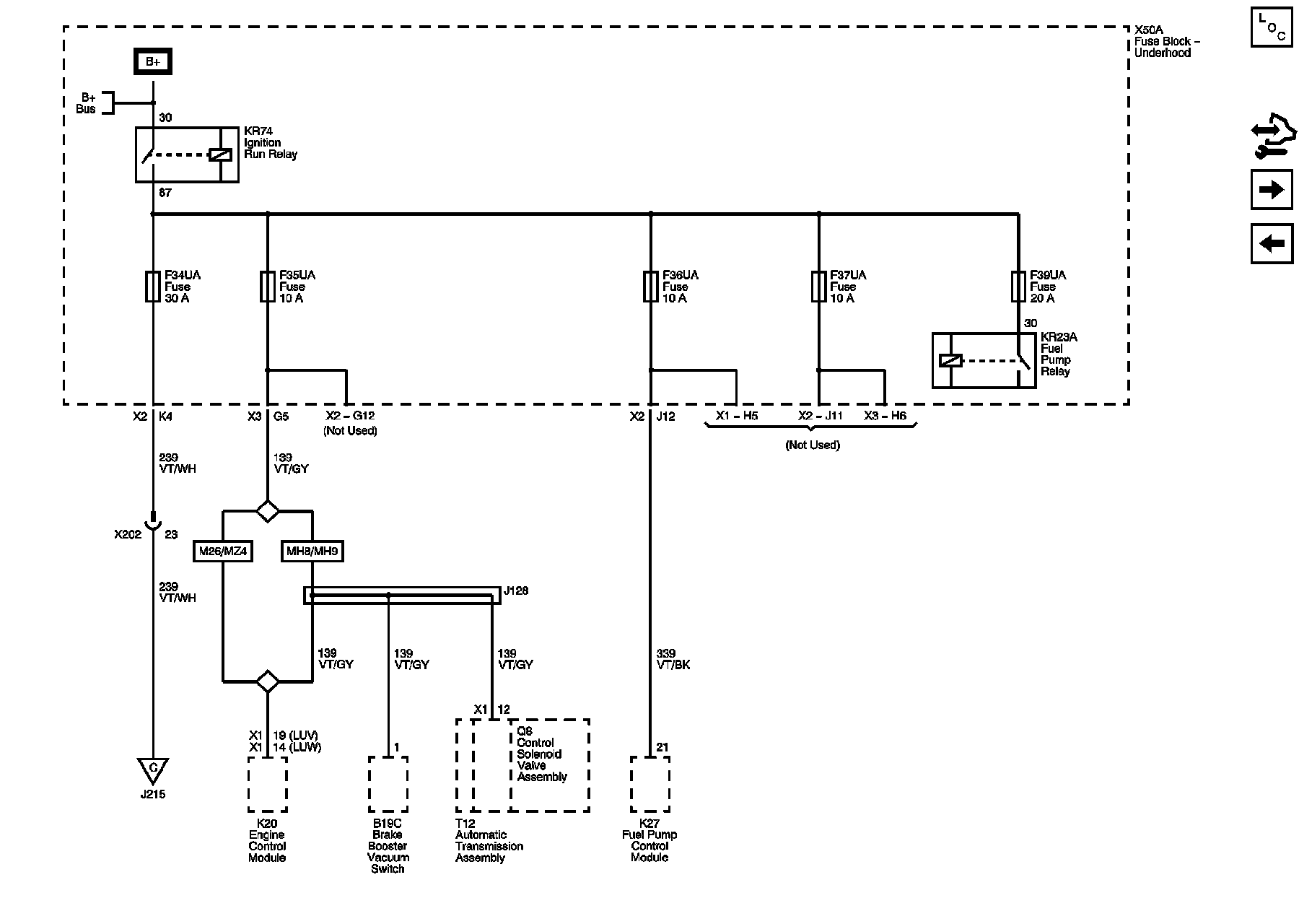
F34UA, F35UA, F36UA, F37UA, and F39UA Fuses





F40UA, F41UA, F42UA, and F43UA Fuses





F44UA, F45UA, F46UA, and F47UA Fuses





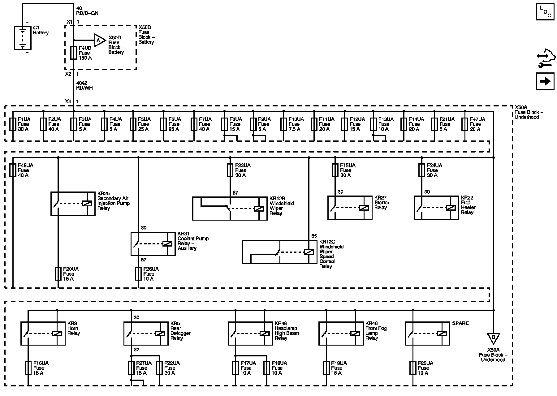
F1UB, F2UB, F3UB, F4UB, and F5UB Fuses






F1UA, F2UA, F3UA, F4UA, F5UA, F6UA, F7UA, F8UA, and F32DA Fuses





F9UA, F10UA, F11UA, F12UA, F13UA, F14UA, and F15UA Fuses





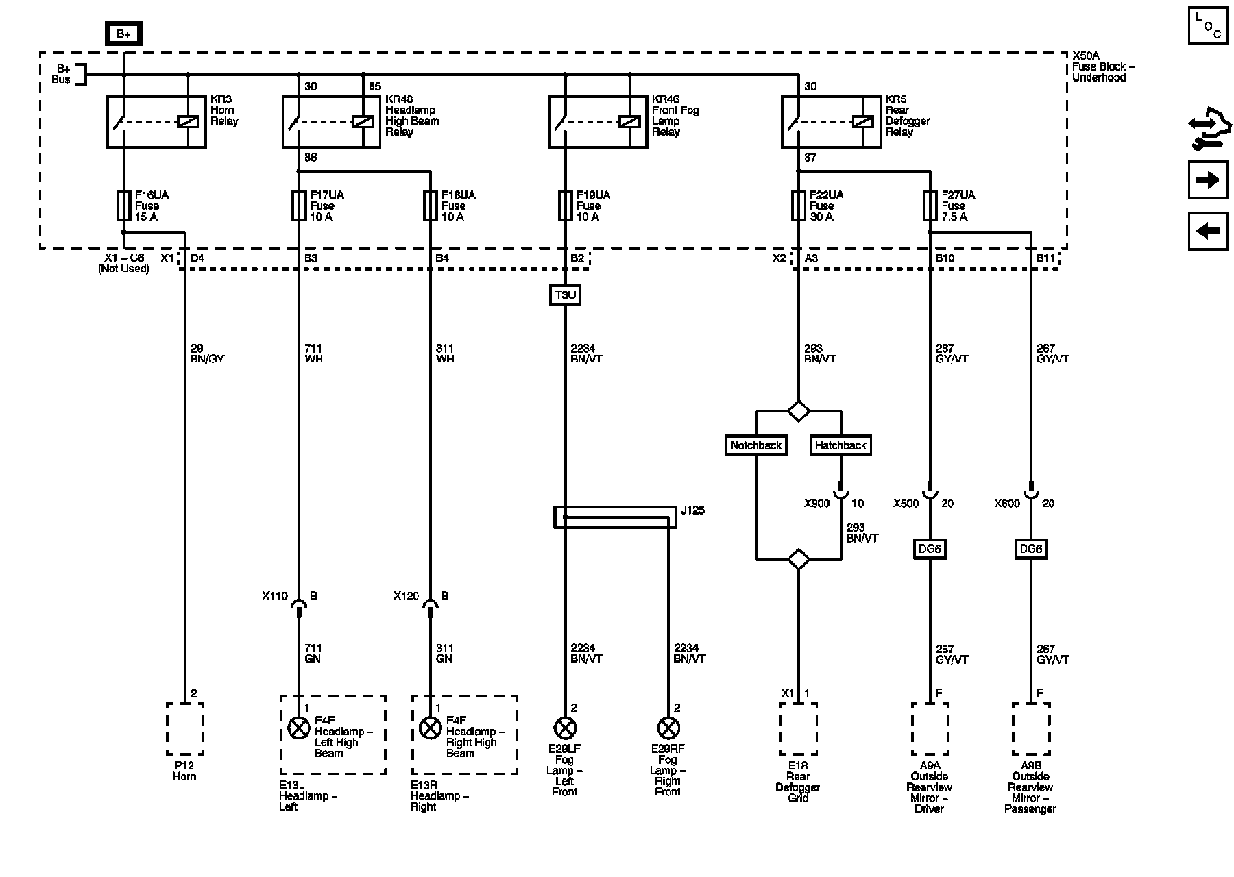
F16UA, F17UA, F18UA, F19UA, F22UA, and F27UA Fuses





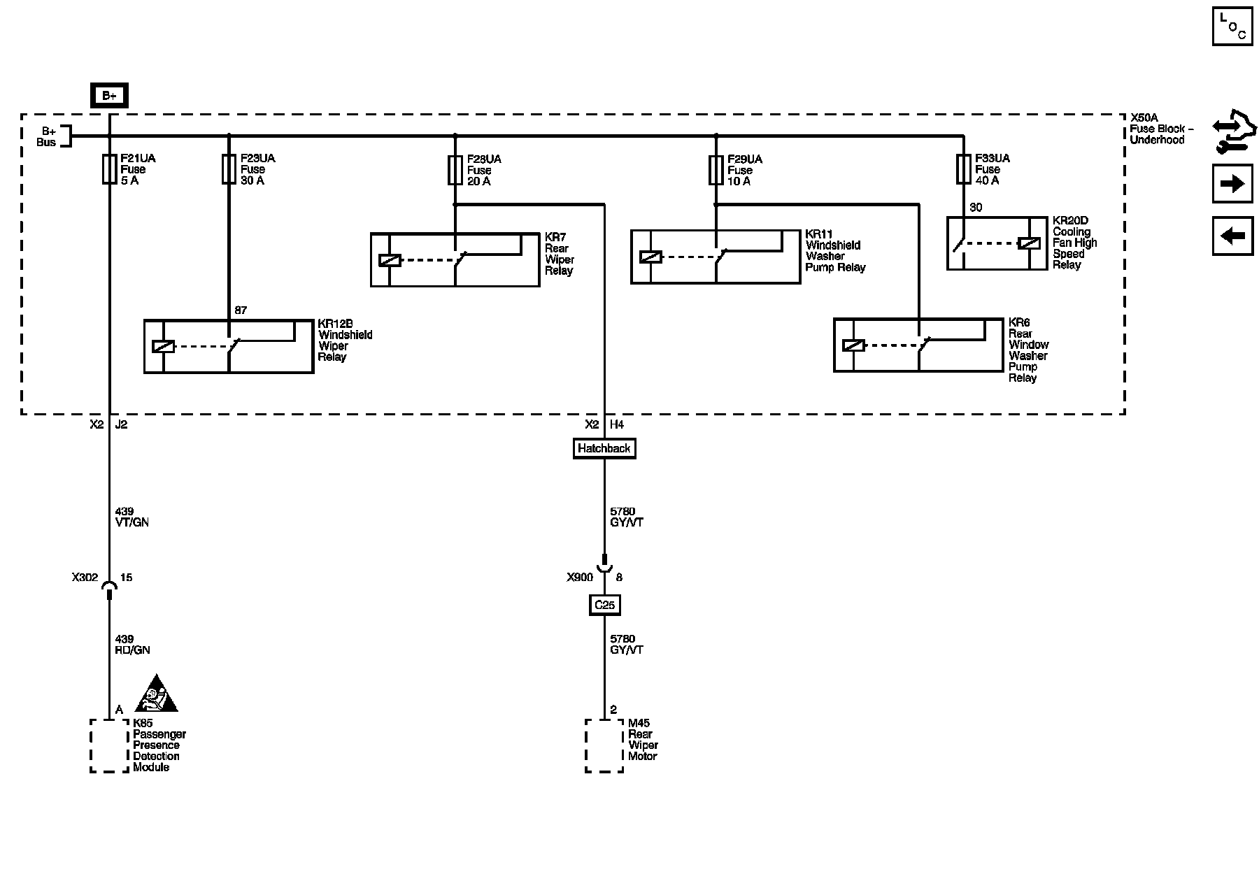
F21UA, F23UA, F28UA, F29UA, and F33UA Fuses





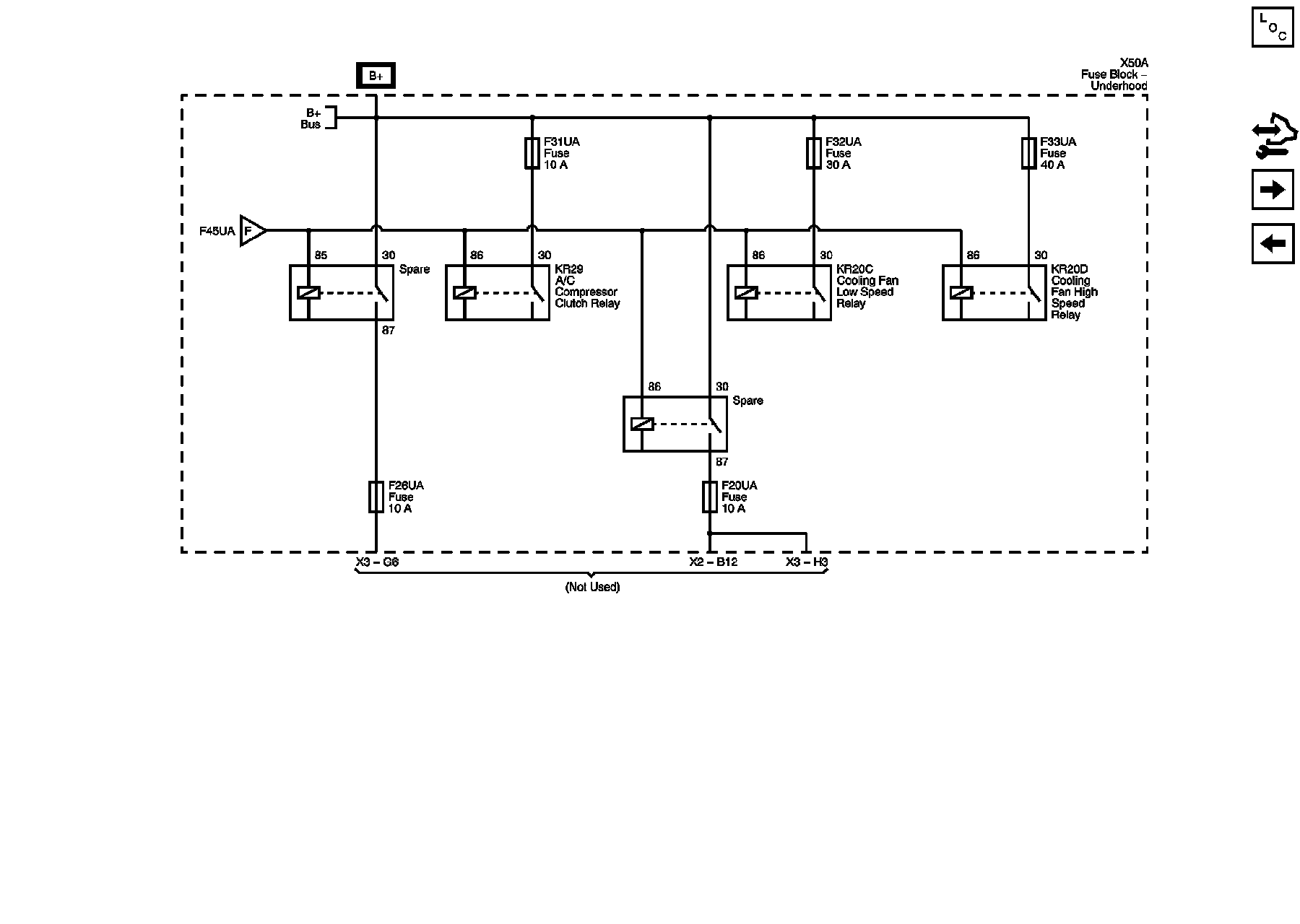
F20UA, F26UA, F31UA, F32UA, and F33UA Fuses





F1DA, F2DA, F3DA, F4DA, F5DA, F6DA, F7DA, F8DA, F9DA, F10DA, F11DA, and F12DA Fuses





F13DA, F14DA, F15DA, F16DA, F17DA, F18DA, F19DA, F20DA, and F21DA Fuses





F22DA, F23DA, F24DA, F25DA, and F26DA Fuses





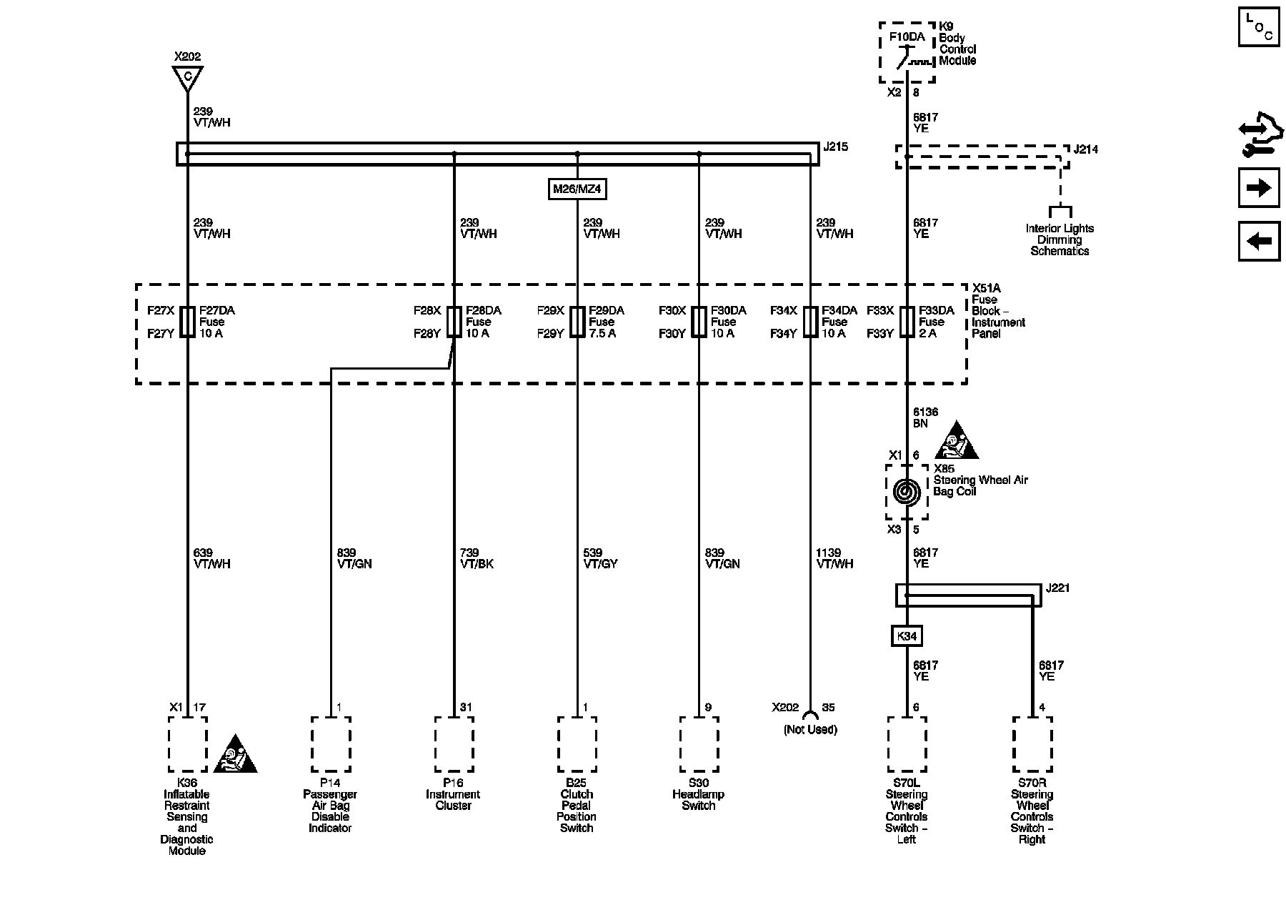
F27DA, F28DA, F30DA, F33DA and F34DA Fuses





F35DA, F36DA, F37DA, F38DA, F39DA, and F40DA Fuses