Operation CHARM: Car repair manuals for everyone.
Manuals through 2025 now available!

Our trusted friends have launched a new website named LEMON, which has newer manuals. It also contains all the CHARM manuals.

LEMON is the spiritual successor to CHARM, I recommend you try it!

Link: lemon-manuals.la or lemon-manuals.org.ua

(Some people have issue connecting. LEMON is investigating. For now, use Firefox or change your DNS server)

Or, hide this message: temporarily or permanently

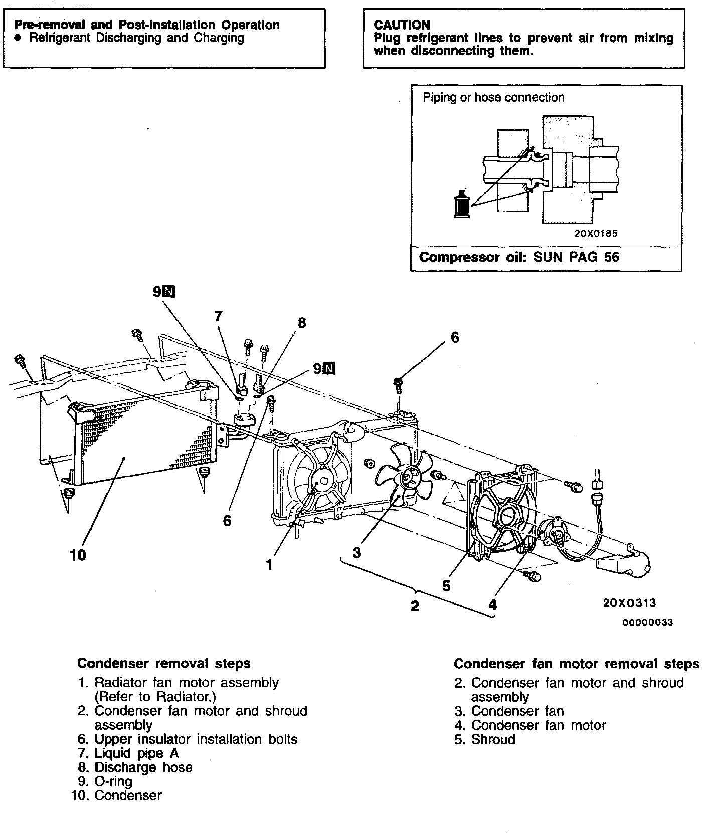
Condenser Fan: Service and Repair

Condenser And Condenser Fan Motor Replacement:







REMOVAL
To remove follow steps in image and note the following:

Removal Service Point:






Step 10 -- Condenser Removal
Move the radiator to the engine side and then lift up the condenser to remove it.

INSTALLATION
To install reverse steps in image and note the following:

Step 10 -- Condenser Installation
When replacing the condenser with a new one, refill the condenser with a specified amount of compressor oil.
- Compressor oil: SUN PAG 56
- Quantity: 15 Cubic Cm (0.51 fl oz).


Installation Service Point:






CONDENSER FAN MOTOR INSPECTION
1. Check that the condenser fan motor operates when battery voltage (+) is applied to terminal 1 and terminal 4 is grounded (-).
2. In this same condition, apply battery (+) voltage to terminal 3 and grounded terminal 2. Check that the condenser fan motor operates faster at this time.