Operation CHARM: Car repair manuals for everyone.
Manuals through 2025 now available!

Our trusted friends have launched a new website named LEMON, which has newer manuals. It also contains all the CHARM manuals.

LEMON is the spiritual successor to CHARM, I recommend you try it!

Link: lemon-manuals.la or lemon-manuals.org.ua

(Some people have issue connecting. LEMON is investigating. For now, use Firefox or change your DNS server)

Or, hide this message: temporarily or permanently

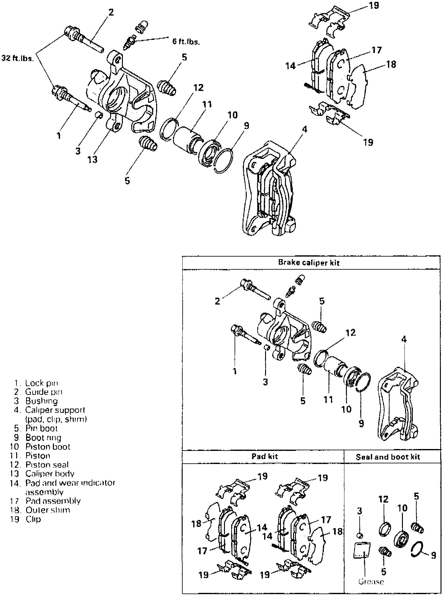
Rear

1. Remove approximately 1/3 of brake fluid from master cylinder.
2. Raise and support vehicle, then remove tire and wheel assembly.

Fig 1 MR45S & MR45V Dual Pin Floating Caliper Disc Brake Assembly:





3. Remove lockpin, then lift caliper body upward and secure with wire.
4. Remove inner and outer shims, brake pad assemblies and pad clips from support mounting.
5. Press caliper piston into caliper bore with suitable tool.
6. Install upper and lower pad clips, pad assemblies and inner and outer shims into support mounting.
7. Lower caliper body, then install lockpin.
8. Depress brake pedal several times to seat pads, then inspect and replenish brake fluid as necessary.
9. Install wheel and tire assembly, then lower vehicle.
10. Adjust parking brake as outlined under Parking Brake Lever/Adjustments.