Operation CHARM: Car repair manuals for everyone.
Manuals through 2025 now available!

Our trusted friends have launched a new website named LEMON, which has newer manuals. It also contains all the CHARM manuals.

LEMON is the spiritual successor to CHARM, I recommend you try it!

Link: lemon-manuals.la or lemon-manuals.org.ua

(Some people have issue connecting. LEMON is investigating. For now, use Firefox or change your DNS server)

Or, hide this message: temporarily or permanently

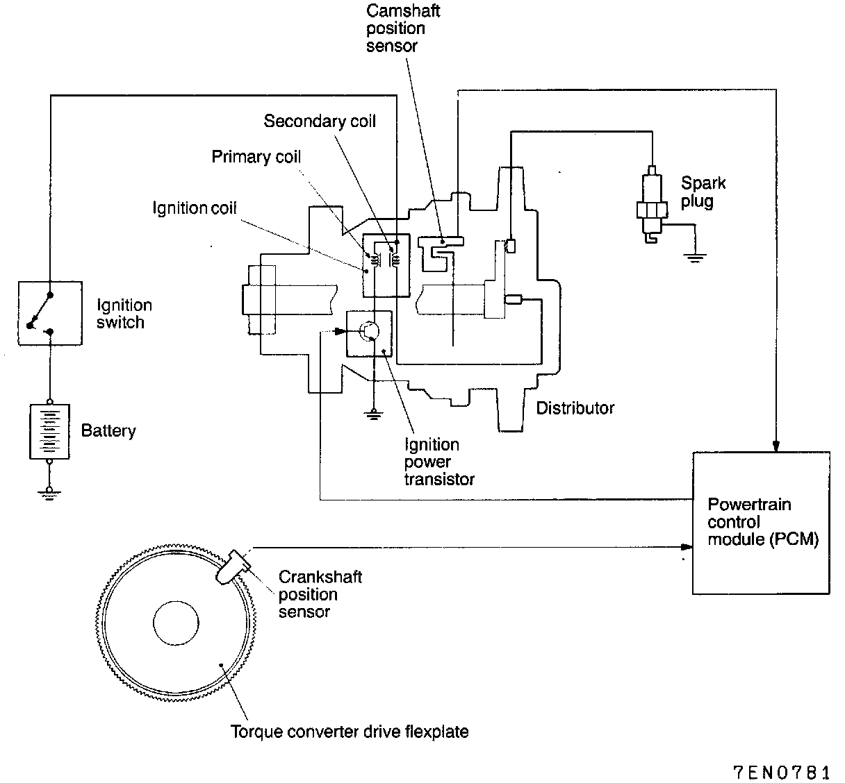
Ignition System: Description and Operation






Interruption of the primary current flowing in the primary side of the ignition coil generates high voltage in the secondary side of the ignition coil. The high voltage thus generated is directed by the distributor to the applicable spark plug. The engine firing order is 1-2-3-4-5-6 cylinders.

On application of high voltage, the spark plug generates a spark to ignite the compressed air fuel mixture in the combustion chamber.

The ignition coil, ignition power transistor and camshaft position sensor are built in the distributor.

The powertrain control module (PCM) controls the ignition timing by turning on and off the ignition power transistor to regulate the primary current of the ignition coil.

The camshaft position sensor and crankshaft position sensor generate pulses that are input to the PCM.

The PCM determines crankshaft position from these sensors.

The PCM calculates injector sequence and ignition timing from crankshaft position.

Basic ignition timing is not adjustable.