Operation CHARM: Car repair manuals for everyone.
Manuals through 2025 now available!

Our trusted friends have launched a new website named LEMON, which has newer manuals. It also contains all the CHARM manuals.

LEMON is the spiritual successor to CHARM, I recommend you try it!

Link: lemon-manuals.la or lemon-manuals.org.ua

(Some people have issue connecting. LEMON is investigating. For now, use Firefox or change your DNS server)

Or, hide this message: temporarily or permanently

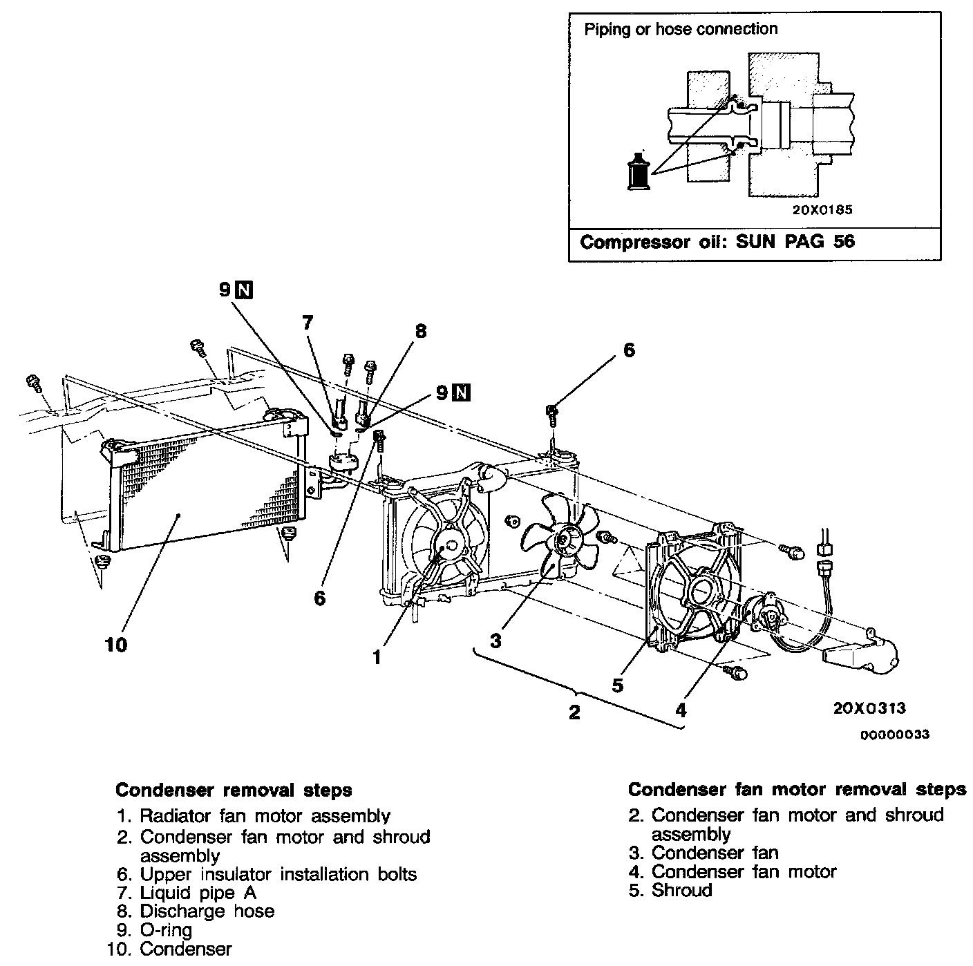
Condenser Fan: Service and Repair




CAUTION: Plug refrigerant lines to prevent air from mixing when disconnecting them.

REMOVAL SERVICE POINT




Condenser Removal
Move the radiator to the engine side and then lift up the condenser to remove it.

INSTALLATION SERVICE POINT
Condenser Installation
When replacing the condenser with a new one, refill the condenser with a specified amount of compressor oil.

Compressor oil: SUN PAG 56
Quantity: 15 cm3 (0.51 fl.oz.)