Operation CHARM: Car repair manuals for everyone.
Manuals through 2025 now available!

Our trusted friends have launched a new website named LEMON, which has newer manuals. It also contains all the CHARM manuals.

LEMON is the spiritual successor to CHARM, I recommend you try it!

Link: lemon-manuals.la or lemon-manuals.org.ua

(Some people have issue connecting. LEMON is investigating. For now, use Firefox or change your DNS server)

Or, hide this message: temporarily or permanently

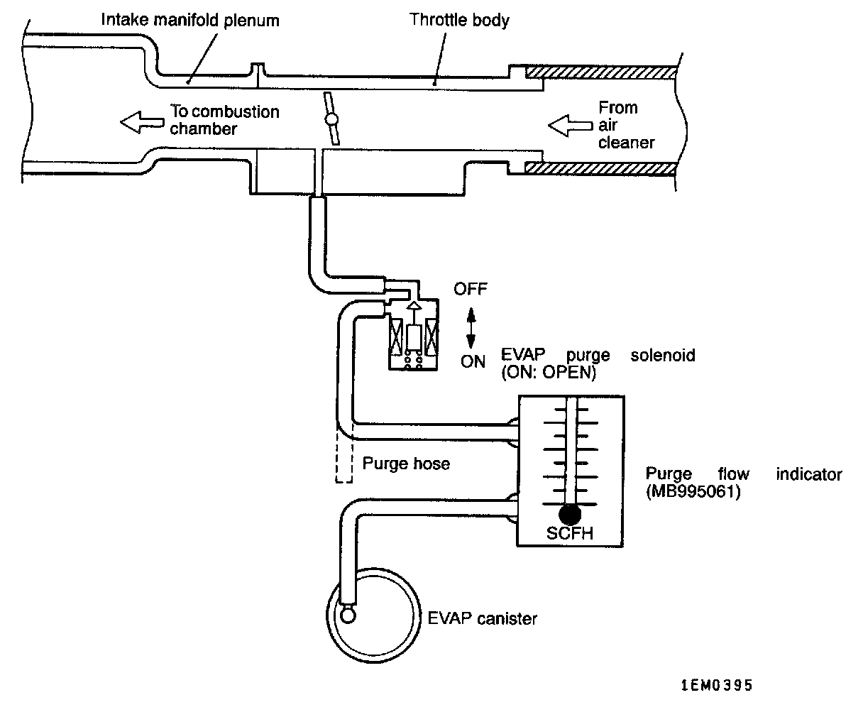
Purge Control System Check (Purge Flow Check)




1. Disconnect the purge hose from the evaporative emission (EVAP) canister, and connect the special tool (purge flow indicator) between the EVAP canister and the purge hose.
2. The vehicle should be prepared as follows before the inspection and adjustment.
- Engine coolant temperature: 80 - 95 °C (176 - 203 °F)
- Lights*, cooling fan and accessories: OFF
- Transaxle: P range

*: In vehicles for Canada, the headlight, tail light, etc. will stay on even when the lighting switch is turned OFF but this is no problem.

3. Run the engine at idle for 3 minutes or more.
4. Check the purge flow volume when sudden racing is carried out several times.

Standard value: Momentarily 20 cu.cm/sec. (2.5 SCFH) or more

5. If the purge flow volume is less than standard value, check it again with the vacuum hose disconnected from the EVAP canister.
If the purge flow volume is less than the standard value, check the vacuum port and the vacuum hose for clogging. Also check the evaporative emission purge solenoid. If the purge flow volume is at the standard value, replace the EVAP canister.