Operation CHARM: Car repair manuals for everyone.
Manuals through 2025 now available!

Our trusted friends have launched a new website named LEMON, which has newer manuals. It also contains all the CHARM manuals.

LEMON is the spiritual successor to CHARM, I recommend you try it!

Link: lemon-manuals.la or lemon-manuals.org.ua

(Some people have issue connecting. LEMON is investigating. For now, use Firefox or change your DNS server)

Or, hide this message: temporarily or permanently

Ignition System: Service and Repair





REMOVAL
To remove follow the steps listed in the image.

INSTALLATION




Distributor Installation
1. Turn the crankshaft clockwise to set the No.1 cylinder at the compression top dead center.
2. Align the housing's mating mark with the gear's mating mark.
3. Install the distributor to the cylinder head.




Spark Plug Cable Installation
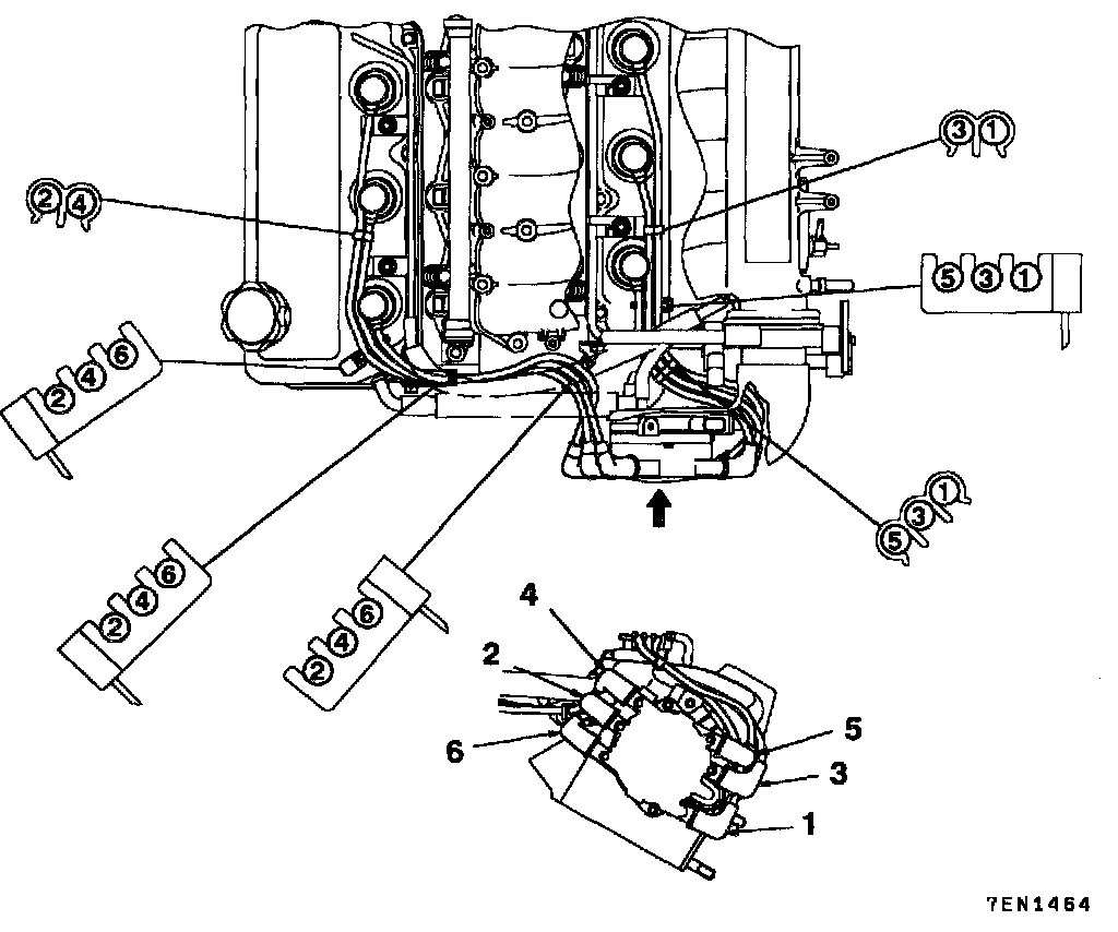
Improper arrangement of spark plug cables will induce voltage between the cables, causing misfiring and developing a surge at acceleration in high-speed operation.

Therefore, be careful to arrange the spark plug cables properly by the following procedure.
1. Install the spark plug cable clamps as shown in the illustration.
2. The numerals on the support and clamp indicate the spark plug cable No.
3. Pay attention to the following items when the spark plug cables are installed.
1. Install the cables securely to avoid possible contact with metal parts.
2. Install the cables neatly, ensuring they are not too tight, loose, twisted or kinked.