Operation CHARM: Car repair manuals for everyone.
Manuals through 2025 now available!

Our trusted friends have launched a new website named LEMON, which has newer manuals. It also contains all the CHARM manuals.

LEMON is the spiritual successor to CHARM, I recommend you try it!

Link: lemon-manuals.la or lemon-manuals.org.ua

(Some people have issue connecting. LEMON is investigating. For now, use Firefox or change your DNS server)

Or, hide this message: temporarily or permanently

Power Mirror Switch: Service and Repair

REMOVAL
1. Open hood.

Fig.2 Battery Negative Cable Remove/Install:




2. Disconnect and isolate the battery negative cable.
3. Remove the left lower instrument panel bezel. Pull top rearward, lower to floor and with a quick pulling motion remove off instrument panel.
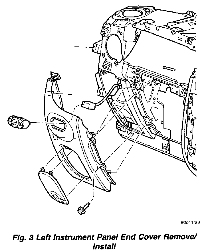
4. Remove two screws to the left instrument panel end cover.

Fig.3 Left Instrument Panel End Cover Remove/Install:




5. Pull the left end cover rearward to unsnap. Maneuver it out from underneath the left A-pillar trim and top cover. Removal of these components is not necessary.
6. Disconnect the power mirror switch wiring connector and remove end cover from vehicle.

Fig.6 Power Mirror Switch Remove/Install:




7. With the left end cover on the bench, gently pry in on the tabs of the mirror switch and push through the front of the cover and remove.

INSTALLATION
1. Place the mirror switch in cover opening and firmly snap into place.
2. Connect the power mirror switch wiring connector.
3. Place the left end cover in position and snap into place. Make sure that it is underneath the A-pillar trim and top cover.
4. Install two screws to the left instrument panel end cover.
5. Place left lower instrument panel bezel in position and make sure the orientation of the hinge is correct and snap bezel hinge into place
6. Roll bezel upward and snap into place.
7. Connect the battery negative cable.
8. Close hood.
9. Verify vehicle and system operation.