Operation CHARM: Car repair manuals for everyone.
Manuals through 2025 now available!

Our trusted friends have launched a new website named LEMON, which has newer manuals. It also contains all the CHARM manuals.

LEMON is the spiritual successor to CHARM, I recommend you try it!

Link: lemon-manuals.la or lemon-manuals.org.ua

(Some people have issue connecting. LEMON is investigating. For now, use Firefox or change your DNS server)

Or, hide this message: temporarily or permanently

Interior Lighting Module

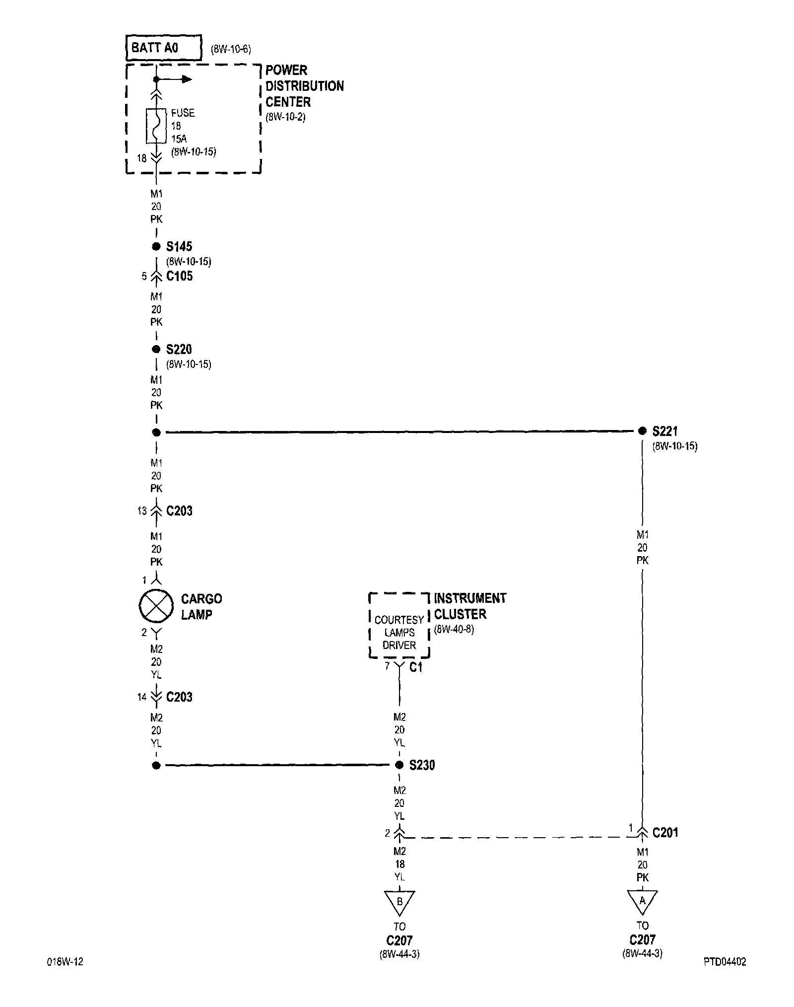
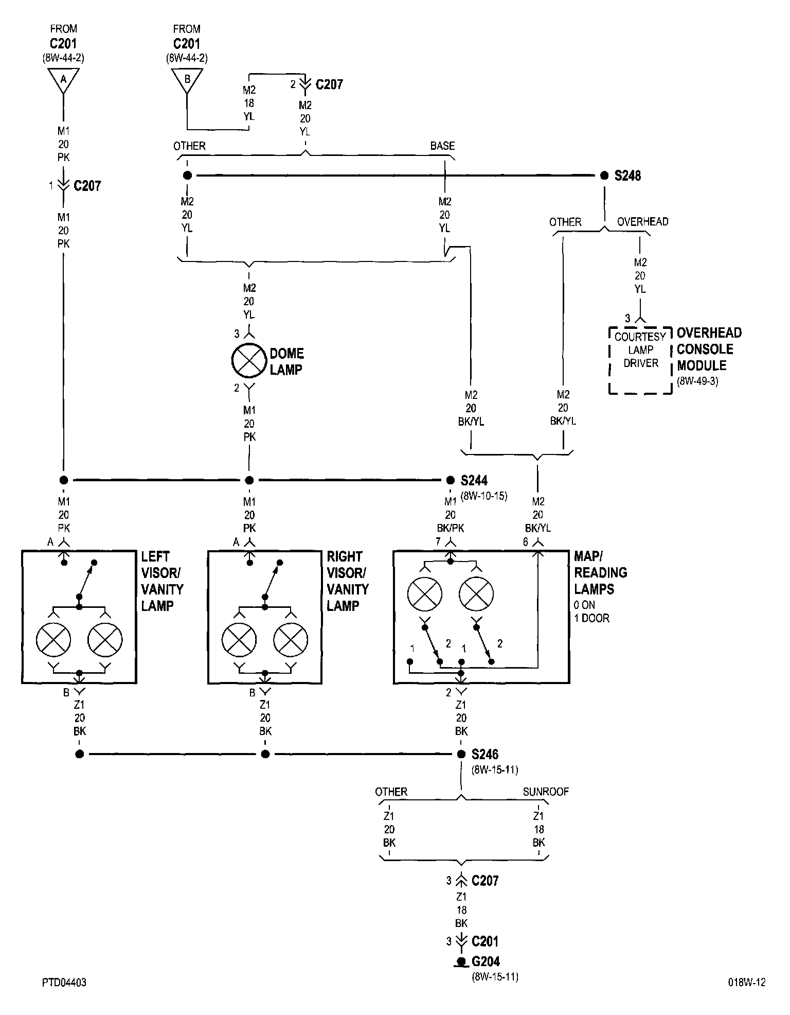
8w-44-2:




8w-44-3:




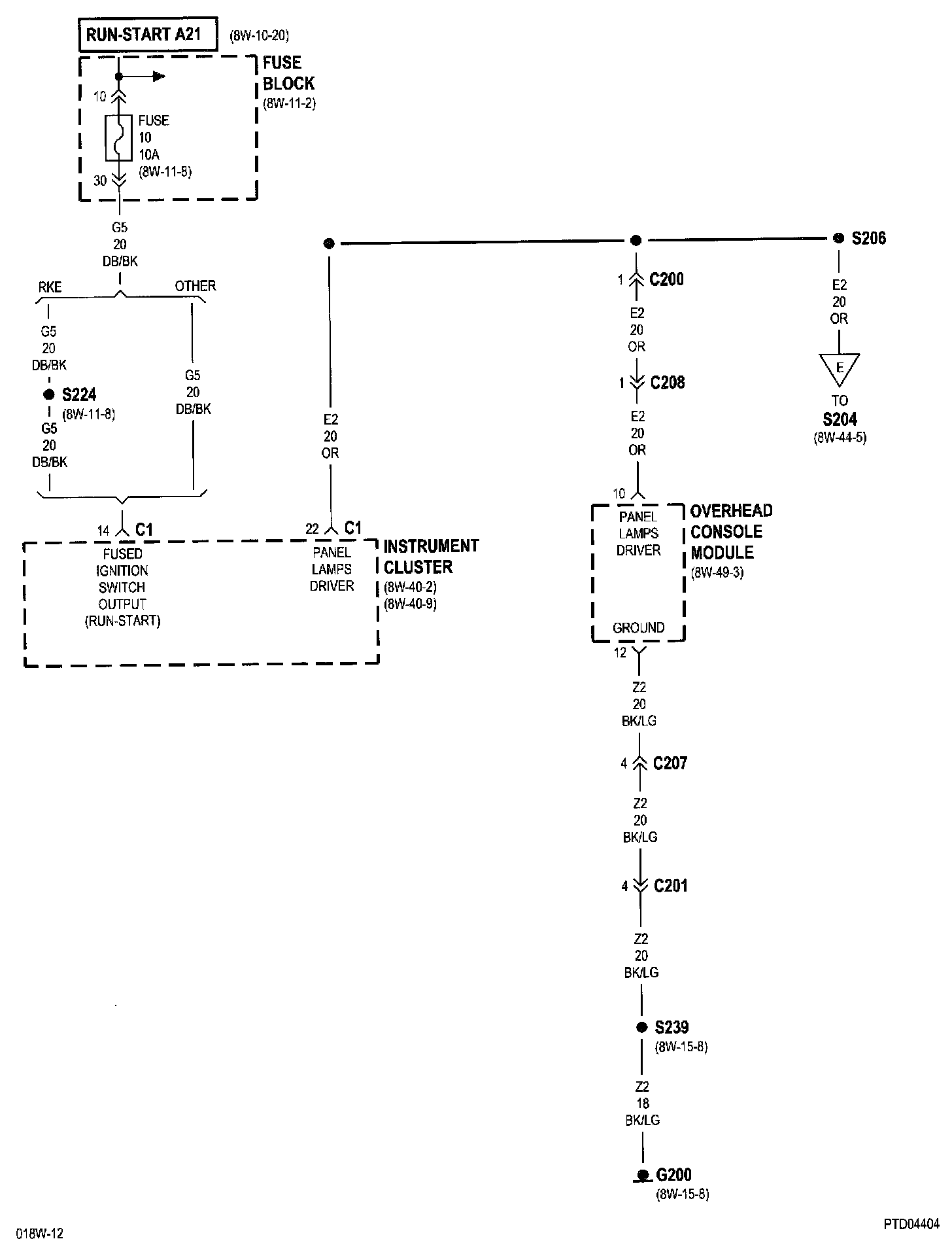
8w-44-4:




8w-44-5:




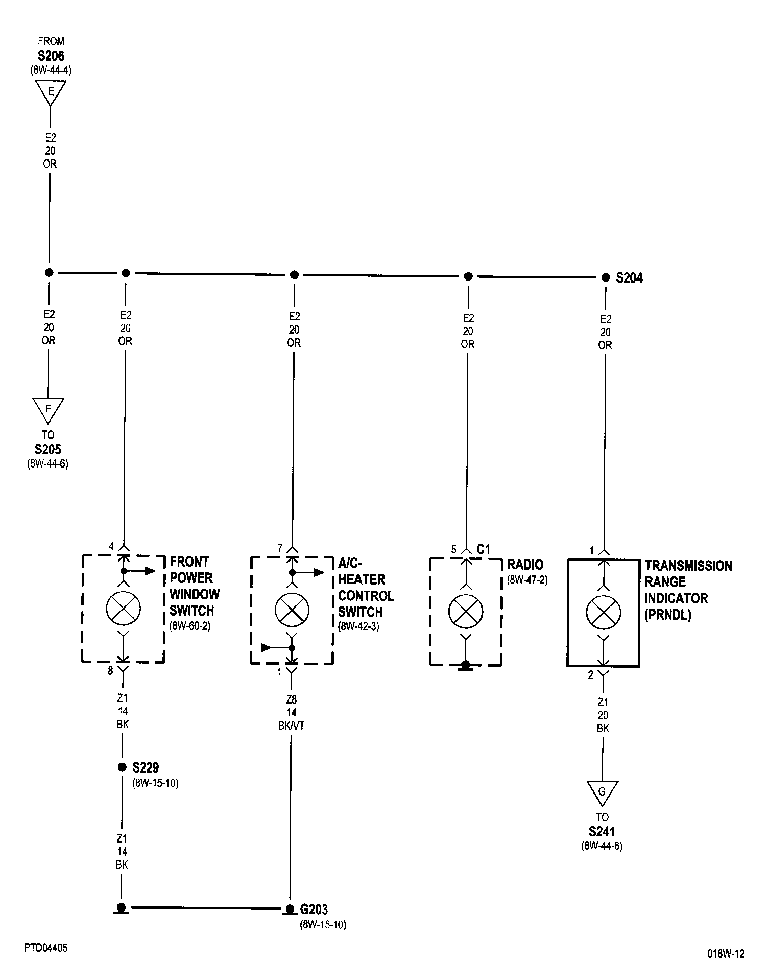
8w-44-6:






NOTE: To view sheets referred to in these diagrams, see Complete Body and Chassis Diagrams Electrical Diagrams