Operation CHARM: Car repair manuals for everyone.
Manuals through 2025 now available!

Our trusted friends have launched a new website named LEMON, which has newer manuals. It also contains all the CHARM manuals.

LEMON is the spiritual successor to CHARM, I recommend you try it!

Link: lemon-manuals.la or lemon-manuals.org.ua

(Some people have issue connecting. LEMON is investigating. For now, use Firefox or change your DNS server)

Or, hide this message: temporarily or permanently

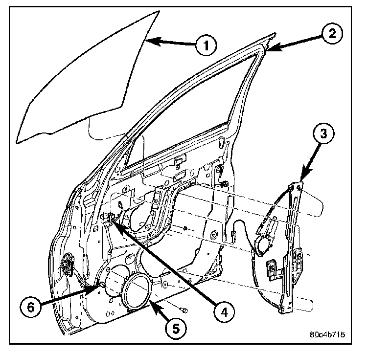
Front Door Window Glass: Service and Repair

FRONT DOOR GLASS

REMOVAL

COUPE




1. Remove door trim panel and water dam.
2. Remove inner door belt weatherstrip.
3. Lower door glass to bottom of door to gain access to attaching bolts.
4. Loosen bolts attaching door glass to window regulator lift plates.
5. Disengage door glass (1) from regulator (3).
6. Lift door glass (1) upward, tilting down at the front and up at the back, out of the opening at the top of door.

CONVERTIBLE




1. Remove door trim panel.
2. Remove door speaker.
3. Remove inside handle link
4. Remove water dam.
5. Remove inner door belt weatherstrip.




6. Loosen inner belt stabilizer.




7. Lower door glass to access glass attachment bolts through inner panel (third way down).
8. Remove bolts attaching regulator lift channel to door glass.
9. Remove bolts attaching rear rail assembly lift plate to door glass.
10. Remove rear rail assembly lift plate from door glass.
11. Lift door glass upward and out of opening at top of door.

INSTALLATION

COUPE




1. Carefully lower door glass (1) through opening in top of door.
2. Position door glass (1) into window regulator lift plates.
3. Install bolts door glass to lift plates and do not tighten.
4. Raise glass to the full up position and then tighten the lift plate bolts.
5. Install inner door belt weatherstrip.
6. Install door trim panel and water dam.

CONVERTIBLE




1. Carefully lower door glass through opening in top of door. Verify that the front edge of the glass is in the mirror flag glass channel.




2. Install nuts attaching regulator lift channel to door glass.
3. Position rear rail assembly onto door glass and install bolts.
4. Tighten all door glass fasteners to 7.3 N.m (65 in. lbs.).
5. Tighten window inner belt stabilizer.
6. Install inner door belt weatherstrip.
7. Install the water dam.
8. Install door speaker.
9. Install inside handle link an clip in door inner panel.
10. Install door trim panel.