Operation CHARM: Car repair manuals for everyone.
Manuals through 2025 now available!

Our trusted friends have launched a new website named LEMON, which has newer manuals. It also contains all the CHARM manuals.

LEMON is the spiritual successor to CHARM, I recommend you try it!

Link: lemon-manuals.la or lemon-manuals.org.ua

(Some people have issue connecting. LEMON is investigating. For now, use Firefox or change your DNS server)

Or, hide this message: temporarily or permanently

Quarter Window Glass: Service and Repair

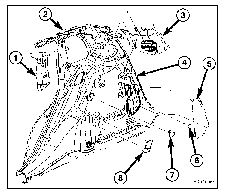
QUARTER WINDOW

REMOVAL

NOTE: Refer to the Windshield Removal procedure for description of tools and adhesive systems that are recommended for use in this procedure.




1. Open liftgate.
2. Remove C & D Pillar upper trim panel.




3. Remove lower quarter trim panel as necessary.




4. Remove nuts attaching quarter window glass.

WARNING: Wear eye and hand protection when handling safety glass. Personal injury can result.

CAUTION: Do not damage body or trim finish when cutting out glass or applying fence primer.

5. Remove the quarter window glass (1) from the vehicle by pushing on glass from inside of vehicle.

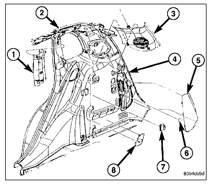
INSTALLATION




1. Prepare window fence by removing existing butyl (3).
2. Remove butyl release paper on quarter glass (4).
3. Place quarter window glass (1) into position.
4. Install quarter window glass attaching nuts.
5. Water test quarter window glass to verify repair.




6. Install lower quarter trim (4), and C & D-Pillar trim.
7. Close liftgate.