Manuals through 2025 now available!
Our trusted friends have launched a new website named LEMON, which has newer manuals. It also contains all the CHARM manuals.
LEMON is the spiritual successor to CHARM, I recommend you try it!
Link:
lemon-manuals.la or
lemon-manuals.org.ua
(Some people have issue connecting. LEMON is investigating. For now, use Firefox or change your DNS server)
Or, hide this message:
temporarily or
permanently
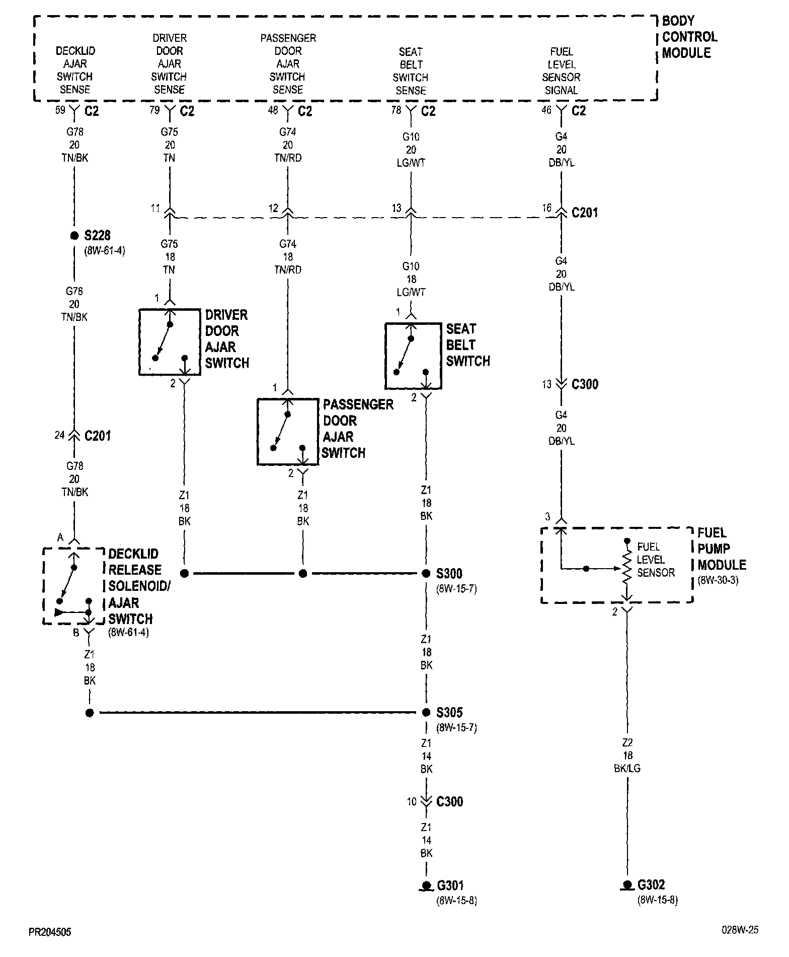
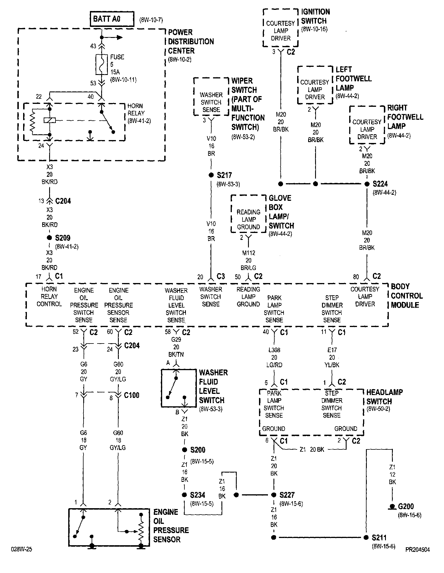
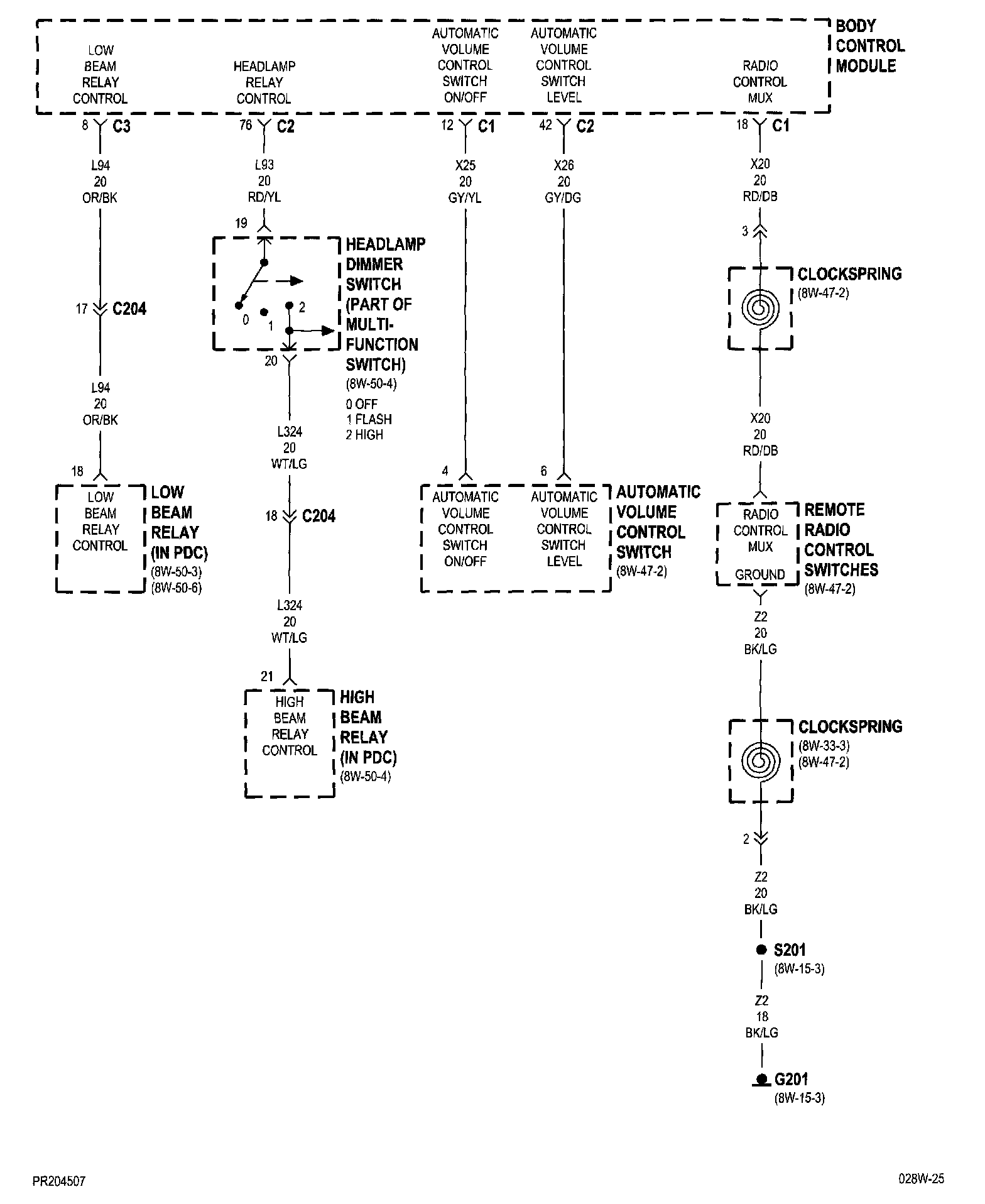
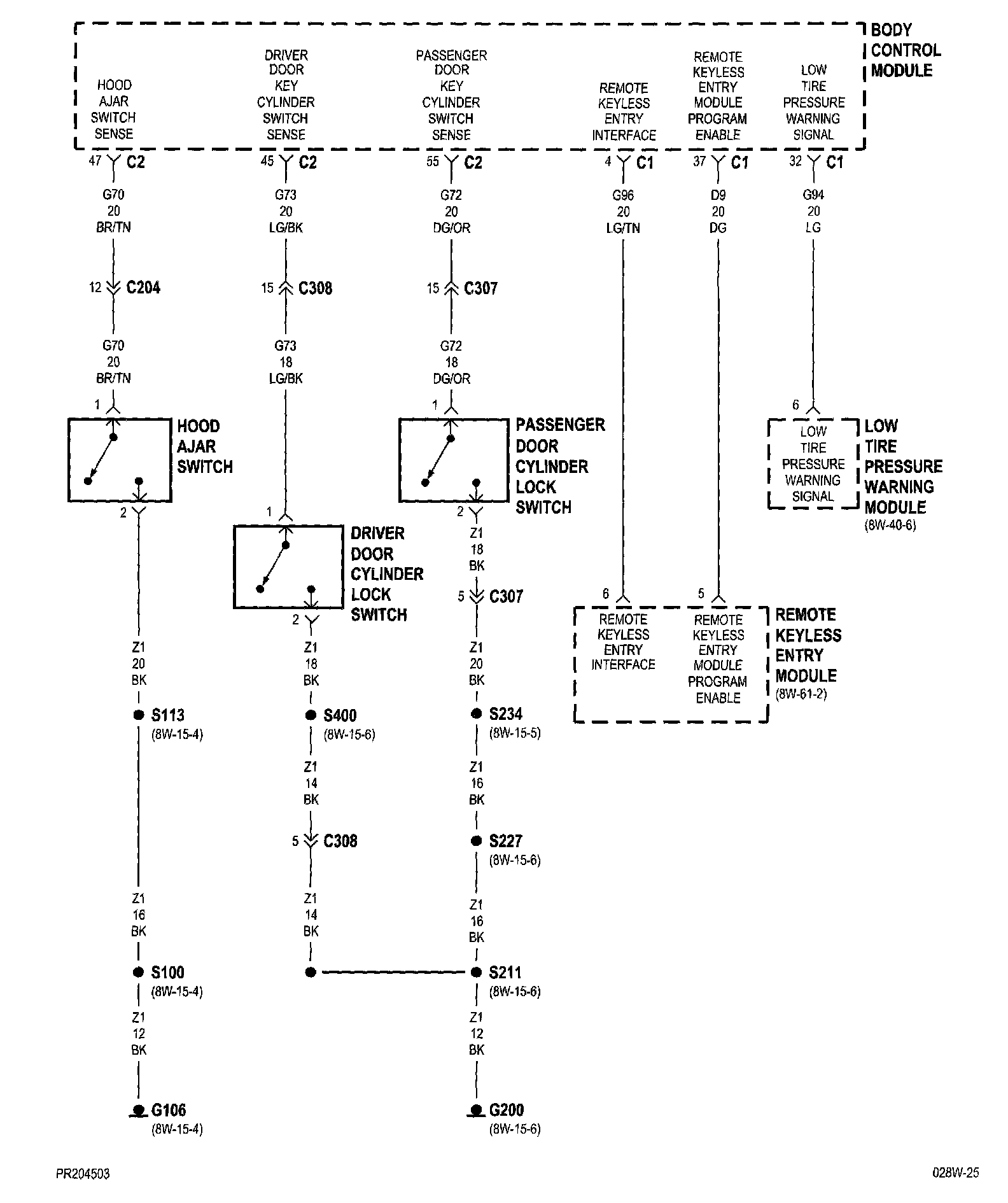
Wiring Diagrams
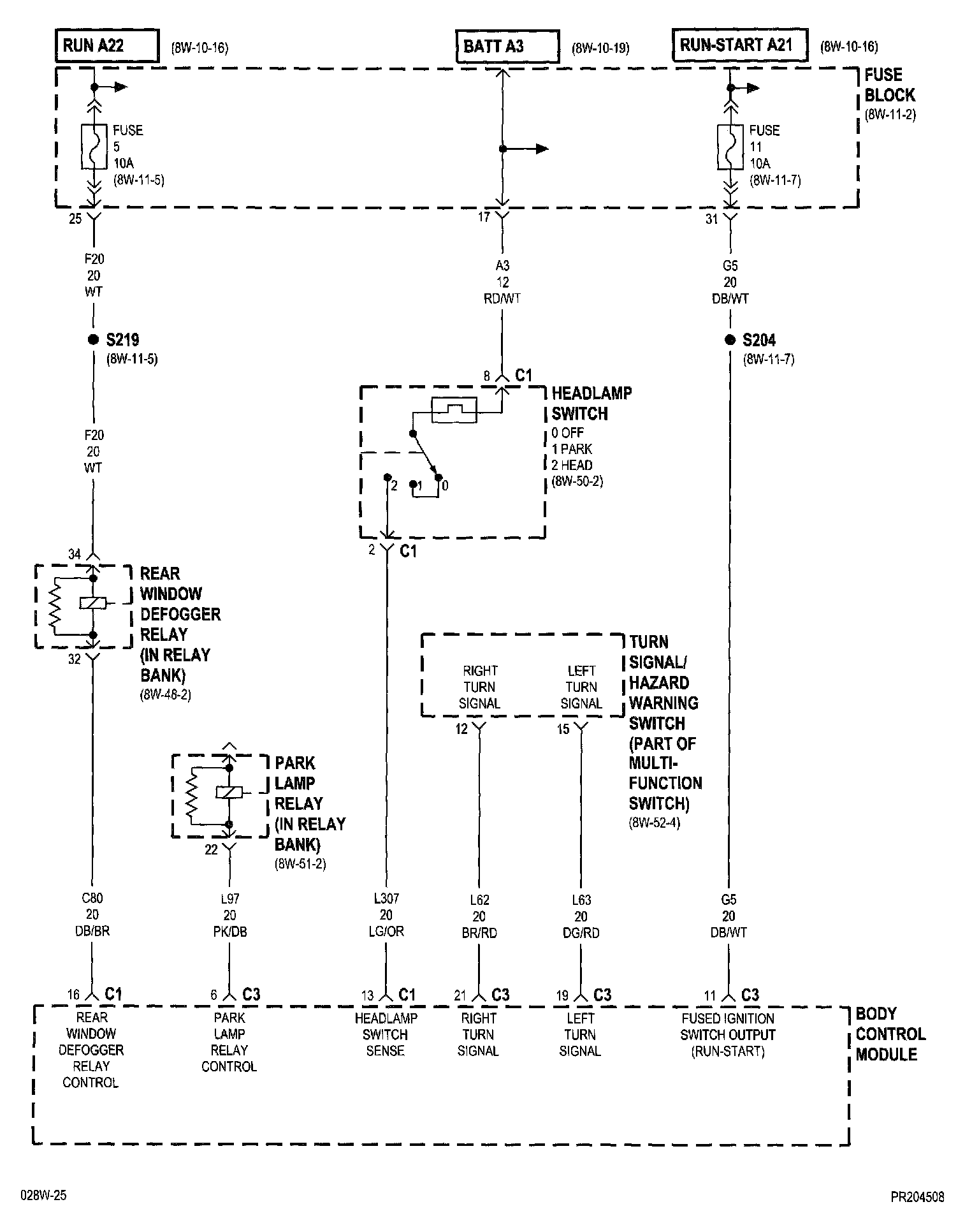
8w-45-2:
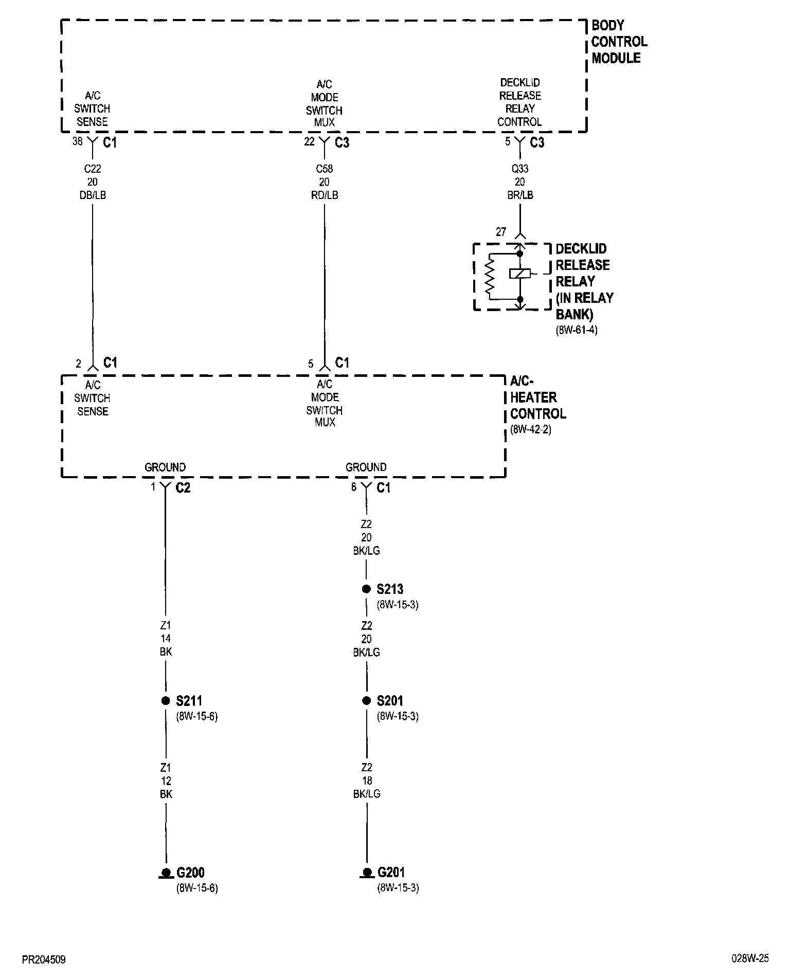
8w-45-3:
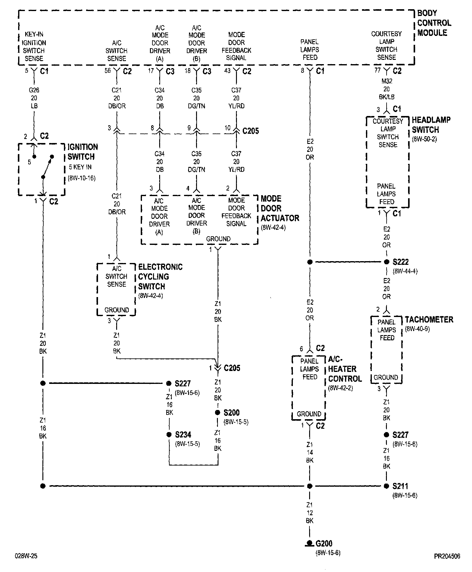
8w-45-4:
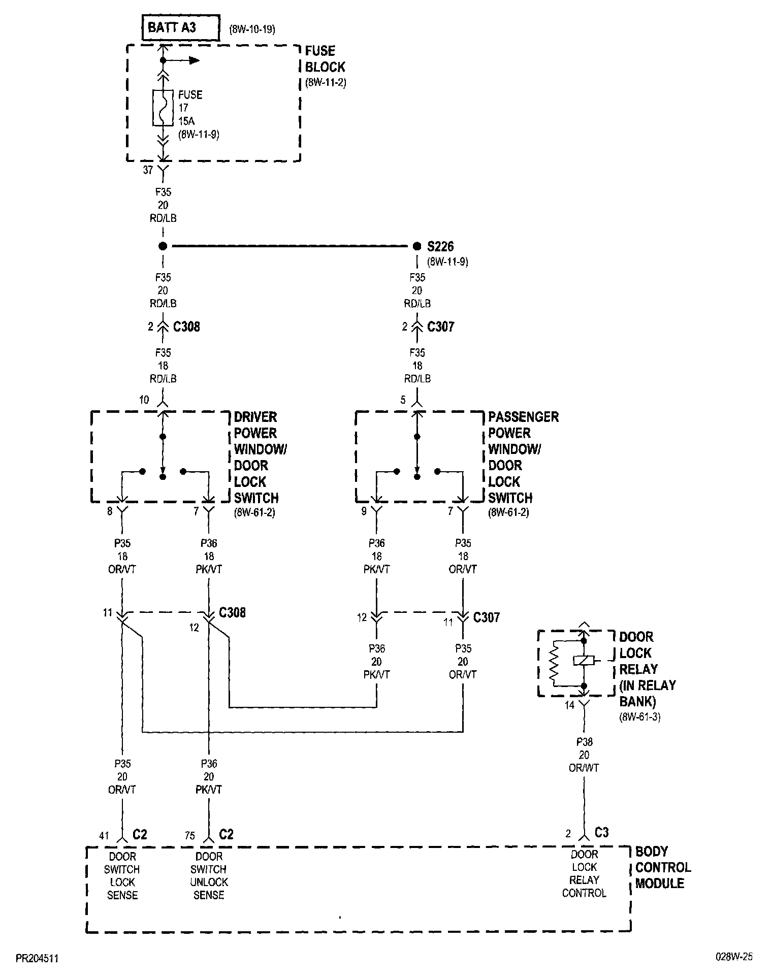
8w-45-5:
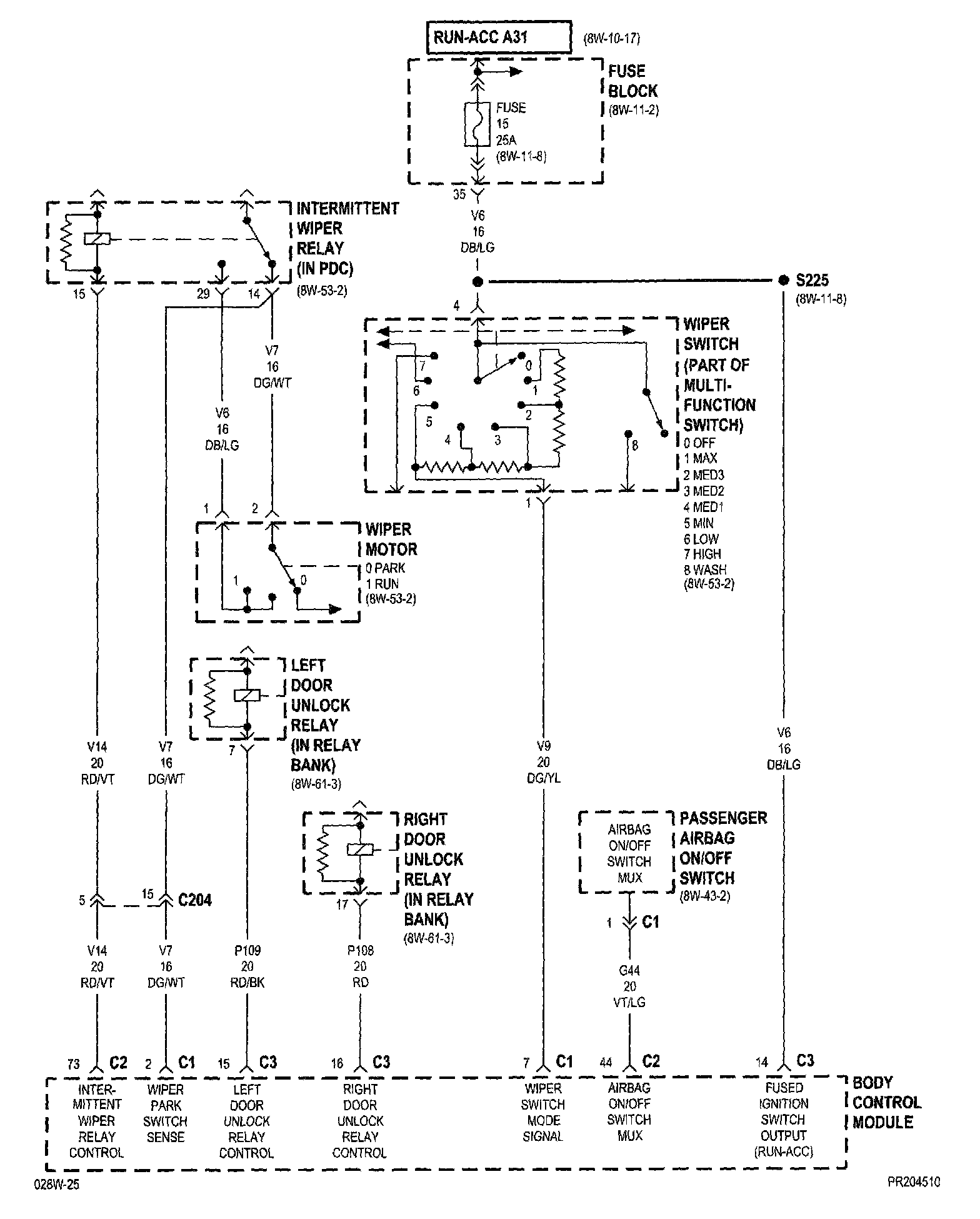
8w-45-6:
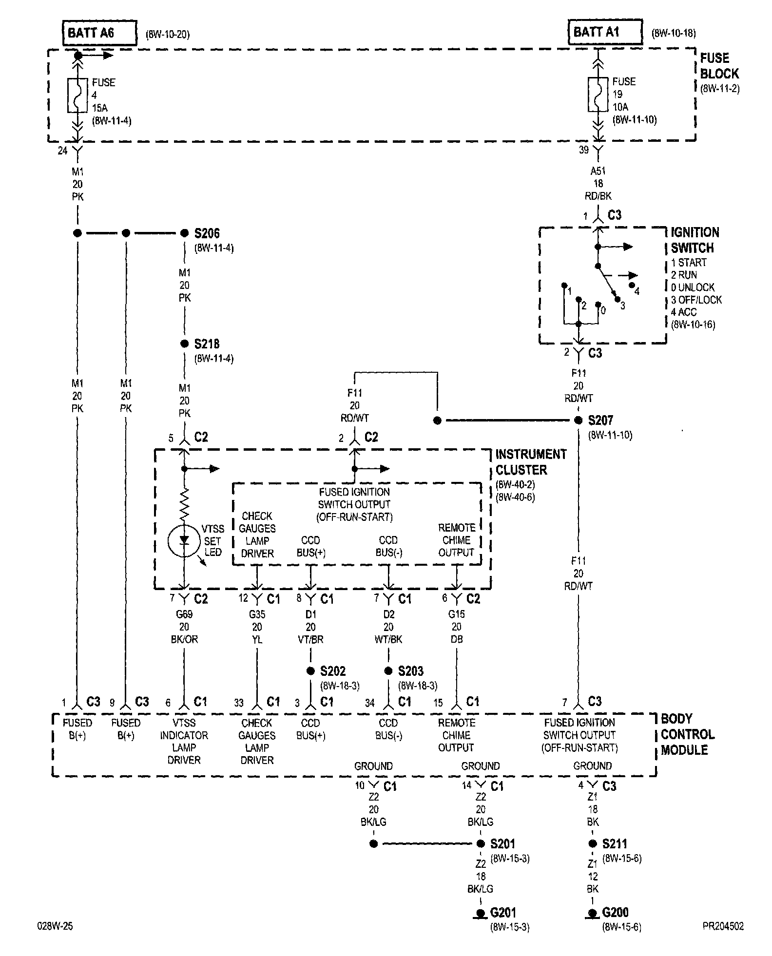
8w-45-7:
8w-45-8:
8w-45-9:
8w-45-10:
8w-45-11:
NOTE: To view sheets referred to in these diagrams, see
Complete Body and Chassis Diagrams Electrical Diagrams