Operation CHARM: Car repair manuals for everyone.
Manuals through 2025 now available!

Our trusted friends have launched a new website named LEMON, which has newer manuals. It also contains all the CHARM manuals.

LEMON is the spiritual successor to CHARM, I recommend you try it!

Link: lemon-manuals.la or lemon-manuals.org.ua

(Some people have issue connecting. LEMON is investigating. For now, use Firefox or change your DNS server)

Or, hide this message: temporarily or permanently

Seat Track: Service and Repair



REMOVAL
1. Disconnect the negative battery cable.




2. Remove the front seat.
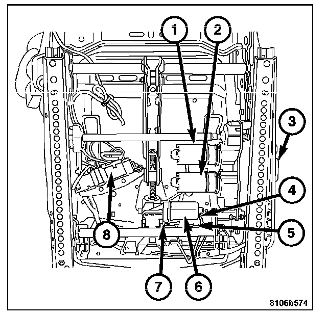
3. Remove the power seat track front inboard attachment bolt (1).




4. Remove the power seat track rear inboard attachment bolt (1).
5. Remove the power seat switch assembly.




6. Remove the power seat track rear outboard bolt (1).
7. Tilt the rear track mechanism outward then remove the power seat track front outboard attachment bolt (2).




8. Remove the power seat track power harness connector (8).
9. Remove the power seat track from the seat cushion.

INSTALLATION




NOTE: Ensure wire harnesses are routed and secured in their original position to avoid potential interference with moving parts.

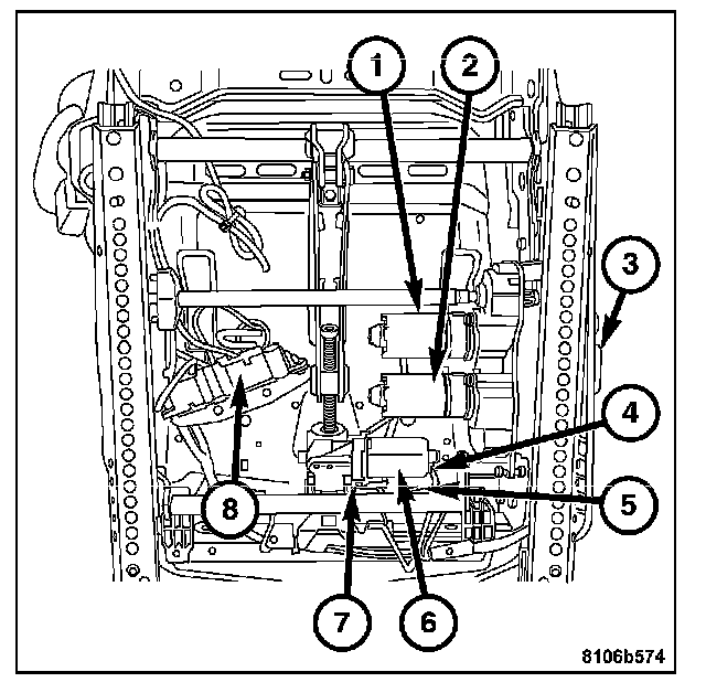
1. Position the power seat track assembly over the seat cushion and align the mounting points.
2. Install the power seat track power harness connector (8).




3. Install the power seat track front outboard attachment bolt (2).

4. Tilt the rear of the track mechanism inward and install the power seat track rear outboard attachment bolt (1).
5. Install the power seat switch assembly.




6. Install the power seat track rear inboard attachment bolt (1).




7. Install the power seat track front inboard attachment bolt (1).
8. Install the front seat.
9. Connect the negative battery cable.