Heater Performance Test
Before performing the following tests, refer to Cooling for the procedures to check the radiator coolant level, serpentine drive belt tension, radiator air flow and the radiator fan operation. Also be certain that the accessory vacuum supply line is connected at the engine intake manifold for the manual temperature control system.
MAXIMUM HEATER OUTPUT
Engine coolant is delivered to the heater core through two heater hoses. With the engine idling at normal operating temperature, set the temperature control knob (2 and 5) in the full hot position, the mode control switch knob (1) in the floor heat position, and the blower motor switch knob (6) in the highest speed position. Using a test thermometer, check the temperature of the air being discharged at the HVAC housing floor outlets. Compare the test thermometer reading to the Temperature Reference chart.
If the floor outlet air temperature is too low, refer to Cooling to check the engine coolant temperature specifications. Both of the heater hoses should be hot to the touch. The coolant return heater hose should be slightly cooler than the coolant supply heater hose. If the return hose is much cooler than the supply hose, locate and repair the engine coolant flow obstruction in the cooling system. Refer to the Cooling section for the procedures.
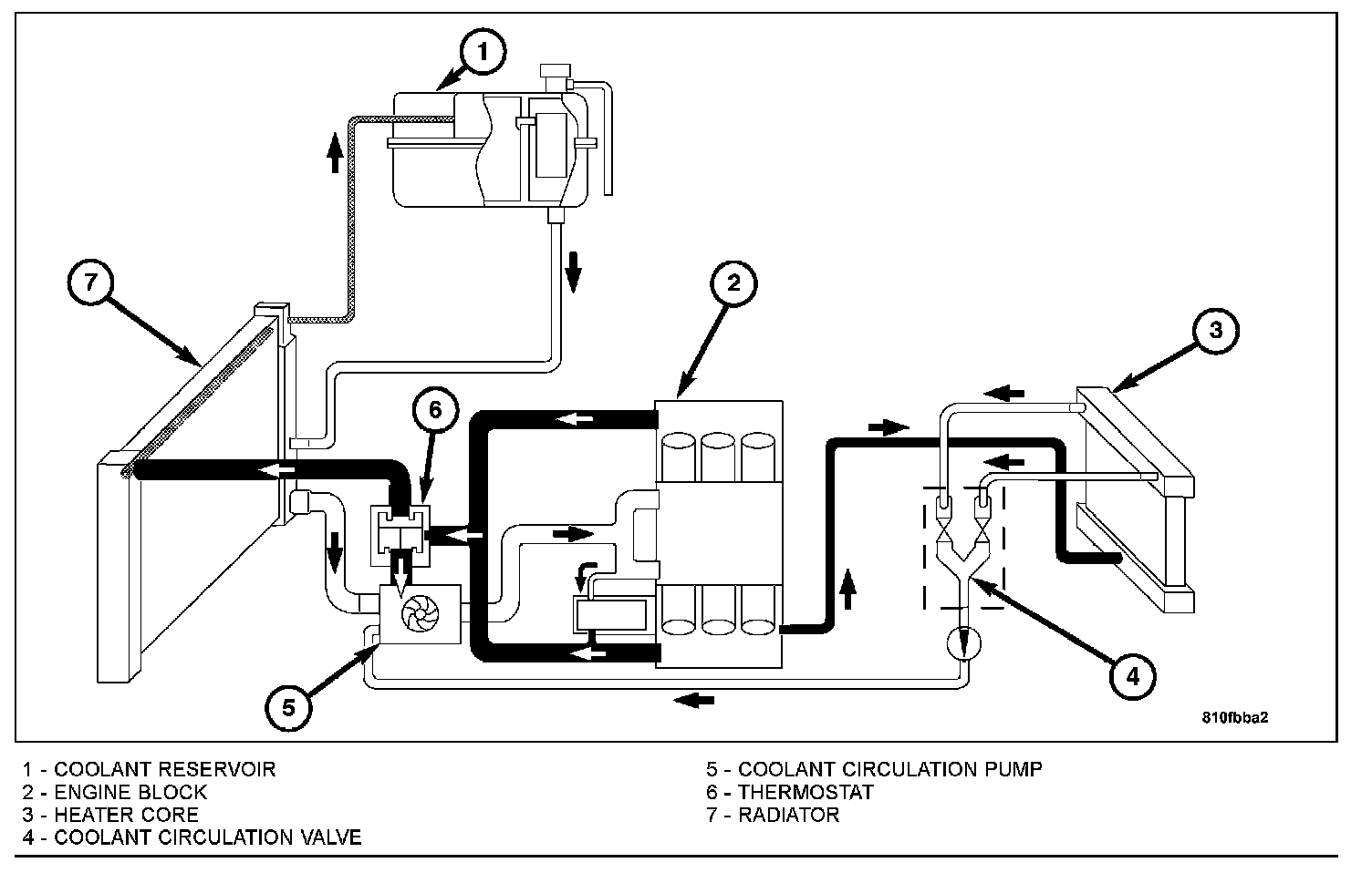
OBSTRUCTED COOLANT FLOW
Possible locations or causes of obstructed coolant flow:
- Pinched or kinked heater hoses.
- Improper heater hose routing.
- Plugged heater hoses or supply and return ports at the cooling system connections.
- A plugged heater core.
If proper coolant flow through the cooling system is verified, and heater outlet air temperature is still low, a mechanical problem may exist.
MECHANICAL PROBLEMS
Possible locations or causes of insufficient heat:
- An obstructed cowl air intake.
- Obstructed heater system outlets.
- A blend door not functioning properly.
- An air-bound system.
TEMPERATURE CONTROL
If the heater outlet air temperature cannot be adjusted with the temperature control knob(s) on the A/C Heater control panel, the following could require service:
- The A/C heater control.
- The blend door actuator(s).
- The wire harness circuits for the A/C heater control or the blend door actuator(s).
- The blend door(s).
- Improper engine coolant temperature.