Operation CHARM: Car repair manuals for everyone.
Manuals through 2025 now available!

Our trusted friends have launched a new website named LEMON, which has newer manuals. It also contains all the CHARM manuals.

LEMON is the spiritual successor to CHARM, I recommend you try it!

Link: lemon-manuals.la or lemon-manuals.org.ua

(Some people have issue connecting. LEMON is investigating. For now, use Firefox or change your DNS server)

Or, hide this message: temporarily or permanently

Checking and Adjusting Front Axle Camber and Caster

CHECKING AND ADJUSTING FRONT AXLE CAMBER AND CASTER

CHECKING
1. Observe the general information on chassis alignment check.
2. Check the vehicle level at the front and rear axles.
3. Check the vehicle level at the front and rear axles with an electronic clinometer and adjust if necessary.
4. Check the camber and assign to tabular value.

Note: Measure with the wheels turned to 20°.

5. Check the caster and assign to tabular value.

ADJUSTING
1. Raise and support the vehicle.
2. Cover all the attached parts remaining in the vehicle. (area to be repaired)

WARNING: RISK OF INJURY WITH TRAPPED OR CRUSHED FINGERS WHEN WORKING ON SPRINGS OR SPRING-LOADED COMPONENTS.

CAUTION: Use only approved tensioning devices; additionally shield off hazardous area if necessary. Inspect special tools for damage and proper operation (visual inspection). Wear protective gloves.

Note: Inspect for prior installation of the alignment bolt.





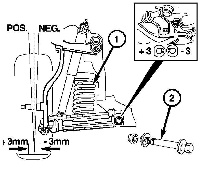
3. For camber, compress the front spring (1).
4. Install the repair bolt (2). Screw on the nut from the repair kit as far as it will go, but do not tighten it so that the rubber mount on the wishbone can turn when the suspension is compressed and rebounded.
5. Release the front spring (1).
6. Lower the vehicle and settle the suspension by pulling and pushing firmly several times.

Note: Inspect for prior installation of the alignment bolt.





7. For caster, compress the front spring (2).
8. Install the repair bolt (1). Screw on the nut from the repair kit as far as it will go, but do not tighten it so that the rubber mount on the wishbone can turn when the suspension is compressed and rebounded.
9. Release the front spring (2).
10. Lower the vehicle and settle the suspension by pulling and pushing firmly several times.

Note: The vehicle level must correlate with the dimension established on the initial measurement.

11. Recheck the vehicle level at the front axle after adjusting the camber and caster.
- Vehicle level at the front axle.
- With an electronic inclinometer.

Note: After repairing, the adjusting screw must not be turned by the shims, and must be countered when tightening the hexagon nut.

12. Tighten the nut from the repair kit to 120 Nm (88 ft. lbs.).
13. Adjust the rear axle toe.
14. Adjust the front axle toe.