Operation CHARM: Car repair manuals for everyone.
Manuals through 2025 now available!

Our trusted friends have launched a new website named LEMON, which has newer manuals. It also contains all the CHARM manuals.

LEMON is the spiritual successor to CHARM, I recommend you try it!

Link: lemon-manuals.la or lemon-manuals.org.ua

(Some people have issue connecting. LEMON is investigating. For now, use Firefox or change your DNS server)

Or, hide this message: temporarily or permanently

Cooling Fan Control Circuit Open

COOLING FAN CONTROL CIRCUIT OPEN






When Monitored and Set Condition
^ When Monitored: With the ignition on.
^ Set Condition: When Engine Coolant temperature is less than 70 °C (158 °F) and the Powertrain Control Module (PCM) senses voltage greater than 2.5 volts on the Radiator Fan Control circuit or less than 2.0 volts above 85 °C (185 °F).

POSSIBLE CAUSES
RADIATOR FAN CONTROL CIRCUIT OPEN
RADIATOR FAN CONTROL CIRCUIT SHORTED TO GROUND
RADIATOR FAN CONTROL CIRCUIT SHORTED TO VOLTAGE
RADIATOR FAN CONTROL MODULE
POWERTRAIN CONTROL MODULE

Diagnostic Test
1. RADIATOR FAN CONTROL MODULE





WARNING: WHILE MONITORING ENGINE COOLANT TEMPERATURE WITH THE DRB III, DO NOT ALLOW THE ENGINE COOLANT TEMPERATURE TO RISE ABOVE 102 °C (215 °F) WITH THE RADIATOR FAN CONTROL MODULE DISCONNECTED.

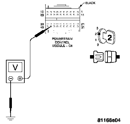
Note: If an Engine Coolant Temperature (ECT) Sensor fault has been set, diagnose the Engine Coolant Temperature Sensor faults before continuing. Turn the ignition off. Disconnect the PCM C4 harness connector.

Note: Check connectors-Clean/repair as necessary. Turn the ignition on. Measure the voltage of the Radiator Fan Control circuit at the Radiator Fan Control Module harness connector.

Is the voltage above 10 volts?
Yes>>.
No>> Replace the Radiator Fan Control Module.
Perform Powertrain Verification Test - Ver 2

2. RADIATOR FAN CONTROL CIRCUIT OPEN





Turn the ignition off.
Disconnect the Radiator Fan Control Module harness connector.

Note: Check connectors-Clean/repair as necessary. Measure the resistance of the Radiator Fan Control circuit from the PCM C4 harness connector to the Radiator Fan Control Module harness connector.

Is the resistance below 5.0 ohms?
Yes>> Go To 3
No>> Repair the Radiator Fan Control circuit for an open.
Perform Powertrain Verification Test - Ver 2

3. RADIATOR FAN CONTROL CIRCUIT SHORTED TO GROUND





With the ignition off.
Measure the resistance between ground and the Radiator Fan Control circuit.
Is the resistance below 100 ohms?
Yes>> Repair the Radiator Fan Control circuit for a short to ground.
Perform Powertrain Verification Test - Ver 2
No>> Go To 4

4. RADIATOR FAN CONTROL CIRCUIT SHORTED TO VOLTAGE





Turn the ignition on.
Measure the voltage of the Radiator Fan Control circuit at the PCM C4 harness connector.
Is the voltage above 1.0 volt?
Yes>> Repair the Radiator Fan Control circuit for a short to volt age.
Perform Powertrain Verification Test - Ver 2
No>> Replace and program the Powertrain Control Module.
Perform Powertrain Verification Test - Ver 2