Operation CHARM: Car repair manuals for everyone.
Manuals through 2025 now available!

Our trusted friends have launched a new website named LEMON, which has newer manuals. It also contains all the CHARM manuals.

LEMON is the spiritual successor to CHARM, I recommend you try it!

Link: lemon-manuals.la or lemon-manuals.org.ua

(Some people have issue connecting. LEMON is investigating. For now, use Firefox or change your DNS server)

Or, hide this message: temporarily or permanently

Speed Control Switch Input Circuit

SPEED CONTROL SWITCH INPUT CIRCUIT






When Monitored and Set Condition
^ When Monitored: With the ignition on.
^ Set Condition: Anytime the Powertrain Control Module (PCM) doesn't sense the proper voltage on the Speed Control Switch Off Signal circuit.

POSSIBLE CAUSES
OPEN FUSE #10
FUSED IGNITION SWITCH OUTPUT CIRCUIT OPEN
SPEED CONTROL SWITCH
OPEN SPEED CONTROL SWITCH OFF SIGNAL CIRCUIT
SPEED CONTROL SWITCH SIGNAL CIRCUIT SHORTED TO GROUND
POWERTRAIN CONTROL MODULE

Diagnostic Test
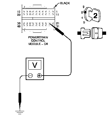
1. PCM





Turn the ignition off.
Disconnect the PCM C4 harness connector.

Note: Check connectors-Clean/repair as necessary. Turn the ignition on. Measure the voltage of the Speed Control Off Signal circuit at the PCM C4 harness connector.

Is the voltage above 10 volts?
Yes>> Replace and program the Powertrain Control Module.
Perform Powertrain Verification Test - Ver 2
No>> Go To 2

2. SPEED CONTROL OFF SIGNAL CIRCUIT SHORT TO GROUND





Turn the ignition off.
Disconnect the Speed Control Switch harness connector.

Note: Check connectors-Clean/repair as necessary. Measure the resistance between ground and the Speed Control Off Signal circuit.

Is the resistance below 100 ohms?
Yes>> Repair the Speed Control Off Signal circuit for a short to ground.
Perform Powertrain Verification Test - Ver 2
No>> Go To 3

3. SPEED CONTROL OFF SIGNAL CIRCUIT OPEN





With the ignition off.
Measure the resistance of the Speed Control Off Signal circuit from the PCM C4 harness connector to the Speed Control Switch harness connector.
Is the resistance below 5.0 ohms?
Yes>> Go To .
No>> Repair the Speed Control Off Signal circuit open.
Perform Powertrain Verification Test - Ver 2

4. OPEN FUSED IGNITION SWITCH OUTPUT CIRCUIT





Turn the ignition on.
Measure the voltage of the Fused Ignition Switch Output circuit at the
Speed Control Switch harness connector.
Is the voltage above 10 volts?
Yes>> Replace the Speed Control Switch.
Perform Powertrain Verification Test - Ver 2
No>> Repair the Fused Ignition Switch Output circuit for an open.
Perform Powertrain Verification Test - Ver 2