Operation CHARM: Car repair manuals for everyone.
Manuals through 2025 now available!

Our trusted friends have launched a new website named LEMON, which has newer manuals. It also contains all the CHARM manuals.

LEMON is the spiritual successor to CHARM, I recommend you try it!

Link: lemon-manuals.la or lemon-manuals.org.ua

(Some people have issue connecting. LEMON is investigating. For now, use Firefox or change your DNS server)

Or, hide this message: temporarily or permanently

Engine Cranks But Does Not Start

ENGINE CRANKS BUT DOES NOT START






POSSIBLE CAUSES
NO START PRETEST
POWERTRAIN FUSES OPEN
SECONDARY INDICATORS PRESENT
ENGINE MECHANICAL PROBLEM
FUEL PUMP RELAY OUTPUT CIRCUIT OPEN
FUEL CONTAMINATION

Diagnostic Test
1. NO START PRETEST





Note: The following list of items must be checked before continuing with any no start tests.

The battery must be fully charged and in good condition. A low charged battery may produce invalid test results. If the battery is low, charge the battery and then attempt to start the vehicle by cranking the engine for 15 seconds, 3 consecutive times.

This will allow any DTCs to set that may have been erased due to a dead battery.
Try to communicate with PCM if not able to communicate check fuses. Ensure the Power and Ground to the PCM are OK.

Make sure the PCM communicates with the DRB III and that there are no DTCs stored in the PCM memory. If the PCM reports a No Response condition, refer to the Section BE Electronic Control Module category for the proper tests.

Read the PCM DTCs with the DRB III. If any DTCs are present, they must be repaired before continuing with any other No Start diagnostic tests. Refer to Engine Diagnostics for a list of the related P-codes that are reported by the PCM.

Ensure that the Bus is functional. Attempt to communicate with the Instrument Cluster and SKREEM. If you are unable to establish communications, refer to the BE Electronic Control Module category for the proper symptoms.

The Sentry Key Remote Entry Module (SKREEM) System must be operating properly. Check for proper communication with the DRB III and check for DTCs that may be stored in the SKREEM. Repair the DTC(s) before continuing.

Crank the engine several times. Using the DRB III, read DTCs. If a DTC is present perform the DTC diagnostics before continuing.
Were any problems found?
Yes>> Repair as necessary.
Perform Powertrain Verification Test - Ver 1
No>> Go To 2

2. OPEN FUSE
Turn the ignition off.
Check for open fuses.
Are there any open fuses?
Yes>> Replace the open fuse and check the related circuit(s) for a short to ground.
Perform Powertrain Verification Test - Ver 1
No>> Go To 3

3. CHECKING FOR SECONDARY INDICATORS





Turn the ignition on.
With the DRB III, under DTCs & Related Functions, read the Secondary
Indicators while cranking the engine.
Are there any Secondary Indicators present while cranking the engine?
Yes>> Refer to symptom list and perform tests related to the secondary indicator that is reported by the DRB III.
Perform Powertrain Verification Test - Ver 1
No>> Go To 4

4. POSSIBLE MECHANICAL PROBLEMS
Turn the ignition off.
Check for any of the following conditions/mechanical problems.
ENGINE VALVE TIMING - must be within specifications, check for broken timing components
ENGINE COMPRESSION - must be within specifications
ENGINE EXHAUST SYSTEM - must be free of any restrictions or leaks.
Are there any engine mechanical problems?
Yes>> Repair as necessary.
Perform Powertrain Verification Test - Ver 1
No>> Go To 5

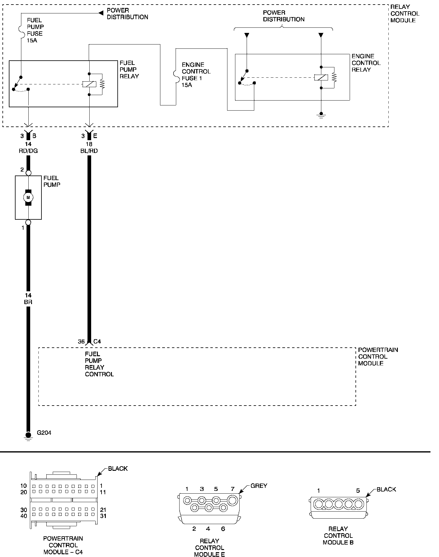
5. FUEL PUMP RELAY OUTPUT CKT OPEN





With the ignition off. Disconnect the Fuel Pump harness connectors.

Note: Check connectors-Clean/repair as necessary.

Verify the Fuel Pump Relay is getting voltage on the Fused Engine Control Relay Output circuit and Fused B(+) circuit before continuing. Measure the resistance of the Fuel Pump Relay Output circuit from the Fuel Pump Relay Control Module B harness connector to the Fuel Pump harness connector.
Is the resistance below 5.0 ohms?
Yes>> Go To 6
No>> Repair the Fuel Pump Relay Output circuit for an open.
Perform Powertrain Verification Test - Ver 1

6. FUEL PUMP DELIVERY
With the ignition off.
Verify that the Fuel tank is not empty before continuing.
Follow the diagnostics for Checking Fuel Delivery.
Was the No Start condition solved after following the above diagnostic test?
Yes>> Test Complete.
No>> Check for contamination/water in the fuel. Ensure the fuel being used in this vehicle meets manufacturer's Fuel Requirement. Refer to the Service Information.
Perform Powertrain Verification Test - Ver 1