Operation CHARM: Car repair manuals for everyone.
Manuals through 2025 now available!

Our trusted friends have launched a new website named LEMON, which has newer manuals. It also contains all the CHARM manuals.

LEMON is the spiritual successor to CHARM, I recommend you try it!

Link: lemon-manuals.la or lemon-manuals.org.ua

(Some people have issue connecting. LEMON is investigating. For now, use Firefox or change your DNS server)

Or, hide this message: temporarily or permanently

Alternator: Service and Repair

REMOVAL

WARNING: DISCONNECT NEGATIVE CABLE FROM BATTERY BEFORE REMOVING BATTERY OUTPUT WIRE (B+ WIRE) FROM GENERATOR. FAILURE TO DO SO CAN RESULT IN INJURY OR DAMAGE TO ELECTRICAL SYSTEM.

1. Disconnect negative battery cable at battery.
2. Remove generator drive belt. Refer to Cooling System for procedure.
3. Raise and support vehicle.
4. Unsnap plastic insulator cap from B+ output terminal.
5. Remove B+ terminal mounting nut at rear of generator. Disconnect terminal from generator.
6. Disconnect field wire connector at rear of generator by pushing on connector tab.




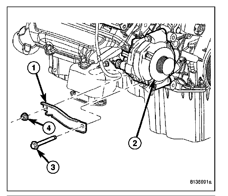
7. Remove generator support bracket nut (4) and bolt (3). Remove support bracket (1).




8. Remove 2 generator mounting bolts (1).
9. Remove generator (2) from vehicle.

INSTALLATION




1. Position generator (2) to engine and install 2 mounting bolts (1).
2. Tighten bolts. Refer to Torque Specifications.




3. Position support bracket (1) to generator and install bolt (3) and nut (4). Tighten bolt / nut. Refer to Torque Specifications.
4. Snap field wire connector into rear of generator.
5. Install B+ terminal eyelet to generator output stud. Tighten mounting nut. Refer to Torque Specifications.
6. Lower vehicle.

CAUTION:
- Never force a belt over a pulley rim using a screwdriver. The synthetic fiber of the belt can be damaged.
- When installing a serpentine accessory drive belt, the belt MUST be routed correctly. The water pump may be rotating in the wrong direction if the belt is installed incorrectly, causing the engine to overheat. Refer to belt routing label in engine compartment, or refer to Belt Schematics in Cooling System.

7. Install generator drive belt. Refer to Cooling System for procedure.
8. Install negative battery cable to battery.