Operation CHARM: Car repair manuals for everyone.
Manuals through 2025 now available!

Our trusted friends have launched a new website named LEMON, which has newer manuals. It also contains all the CHARM manuals.

LEMON is the spiritual successor to CHARM, I recommend you try it!

Link: lemon-manuals.la or lemon-manuals.org.ua

(Some people have issue connecting. LEMON is investigating. For now, use Firefox or change your DNS server)

Or, hide this message: temporarily or permanently

Automatic Transmission/Transaxle

Automatic Transmission





The NAG1 automatic transmission








First Gear Powerflow








Second Gear Powerflow








Third Gear Powerflow








Fourth Gear Powerflow








Fifth Gear Powerflow








Reverse Gear Powerflow

Shift Groups/Shift Sequence





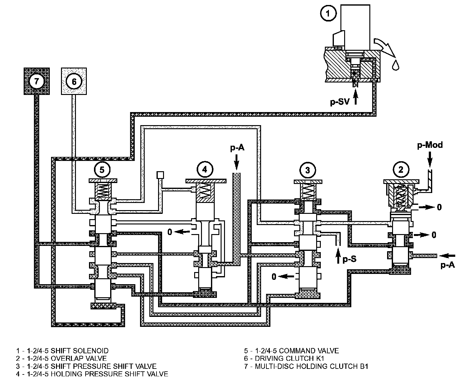
1-2 Shift - First Gear Engaged





Shift Phase





Second Gear Engaged





Gear Shift N to D (1st gear) - Engine Started









First Gear Engaged