Operation CHARM: Car repair manuals for everyone.
Manuals through 2025 now available!

Our trusted friends have launched a new website named LEMON, which has newer manuals. It also contains all the CHARM manuals.

LEMON is the spiritual successor to CHARM, I recommend you try it!

Link: lemon-manuals.la or lemon-manuals.org.ua

(Some people have issue connecting. LEMON is investigating. For now, use Firefox or change your DNS server)

Or, hide this message: temporarily or permanently

Compressor HVAC: Service and Repair

A/C COMPRESSOR

REMOVAL

WARNING: REFER TO THE APPLICABLE WARNINGS AND CAUTIONS FOR THIS SYSTEM BEFORE PERFORMING THE FOLLOWING OPERATION. FAILURE TO FOLLOW THE WARNINGS AND CAUTIONS COULD RESULT IN POSSIBLE PERSONAL INJURY OR DEATH.

NOTE:
- The A/C compressor may be removed and repositioned without disconnecting the refrigerant lines or discharging the refrigerant system. Discharging is not necessary if servicing the compressor clutch, clutch coil, engine, engine cylinder head or the generator.
- If an internal failure of the A/C compressor has occurred, the receiver/drier must be replaced.




1. Recover the refrigerant from the refrigerant system.
2. Disconnect and isolate the negative battery cable.
3. Remove the air cleaner housing.
4. Remove the serpentine drive belt.
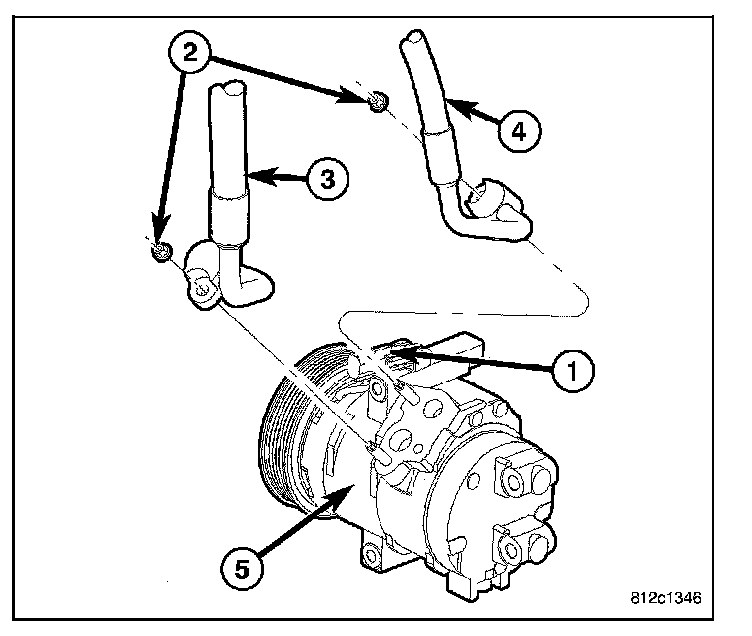
5. Disconnect the wire harness connector from the A/C compressor clutch coil connector (1).
6. Remove the nuts (2) that secure the A/C suction line (3) and A/C discharge line (4) to the A/C compressor (5).
7. Disconnect the suction and discharge lines from the A/C compressor and remove and discard the dual plane seals.
8. Install plugs in, or tape over all of the opened refrigerant line fittings and the compressor ports.
9. Raise and support the vehicle.




10. Remove the front end splash shield.
11. Support the A/C compressor (4) and remove the bolts (1 and 2) that secure the compressor and automatic transmission cooler line bracket (3) to the cylinder block (5).
12. Position the cooler lines out of the way and remove the A/C compressor from the engine compartment.


INSTALLATION

NOTE:
- Be certain to check the refrigerant oil level if the A/C compressor is being replaced. See Refrigerant Oil Level for the procedures. Use only refrigerant oil of the type recommended for the A/C compressor in the vehicle.
- If an internal failure of the A/C compressor has occurred, the receiver/drier must be replaced.




1. Position the A/C compressor (4) into the engine compartment.
2. Loosely install the three bolts (1 and 2) that secure the A/C compressor and the automatic transmission cooler line bracket (3) to the cylinder block (5).
3. Tighten the three bolts in the following order to 26 N.m (19 ft. lbs.):
1. Upper front bolt.
2. Lower front bolt.
3. Rear bolt.

4. Install the front end splash shields.
5. Lower the vehicle.




6. Remove the tape or plugs from the opened fittings on the A/C suction line (3) and the A/C discharge line (4) and the compressor ports.
7. Lubricate new dual plane seals with clean refrigerant oil and install them onto the suction and the discharge line fittings. Use only the specified seals as they are made of a special material for the R-134a system. Use only refrigerant oil of the type recommended for the A/C compressor in the vehicle.
8. Install the suction and discharge lines onto the A/C compressor (5).
9. Install the nuts (2) that secure the suction and discharge lines to the A/C compressor. Tighten the nuts to 23 N.m (17 ft. lbs.).
10. Connect the wire harness connector to the A/C compressor clutch coil connector (1).
11. Install the serpentine drive belt.
12. Replace the receiver/drier if the A/C compressor is being replaced due to an internal failure.
13. Install the air cleaner housing.
14. Reconnect the negative battery cable.
15. Evacuate the refrigerant system.
16. Charge the refrigerant system